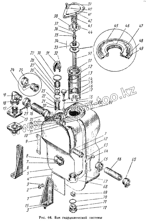
Каталог запасных частей к технике: АТЗ Т-4А. Бак гидравлической системы
1
2
3
3
4
5
6
7
7
8
9
10
11
12
13
14
15
16
17
18
19
20
21
22
23
24
25
25
25
26
27
28
29
30
31
32
33
34
35
36
37
38
39
40
41
42
43
44
45
46
47
48
49
50
51
52
53
54
55
56
57
58
59
60
61
62
63
64
65
65
66
67
68
69
70
71
72
| Позиция на иллюстрации | Заводской номер детали | Название детали | |
|---|---|---|---|
| М04.57.003 | М04.57.003 | Корпус бака в сборе | |
| М04.57.002 | М04.57.002 | Бак масляный с фильтром в сборе | |
| 54.57.020 | 54.57.020 | Элемент фильтрующий в сборе | |
| М04.57.010 | М04.57.010 | Щуп с головкой в сборе | |
| 54.57.019 | 54.57.019 | Фильтр заливной в сборе | |
| М04.57.001 | М04.57.001 | Установка бака гидросистемы | |
| М04.57.007 | М04.57.007 | Угольник с гайкой соединительной и ниппелем в сборе | |
| М04.57.012 | М04.57.012 | Труба фильтра в сборе | |
| М04.57.011 | М04.57.011 | Труба фильтра с клапаном в сборе | |
| М04.57.006 | М04.57.006 | Труба сливная с шайбой в сборе | |
| 04.57.014 | 04.57.014 | Сапун в сборе | |
| М04.57.015 | М04.57.015 | Труба заборная с накладкой в сборе | |
| М04.57.013 | М04.57.013 | Корпус клапана в сборе | |
| 04.57.016 | 04.57.016 | Корпус сапуна в сборе | |
| М04.57.004 | М04.57.004 | Корпус фильтра в сборе | |
| М04.57.021 | М04.57.021 | Патрубок с шайбой в сборе | |
| М04.57.063 | М04.57.063 | Половина бака левая с накладкой в сборе | |
| 54.38.028-2 | 54.38.028-2 | Пробка магнитная | |
| 1 | М04.57.109 | Кронштейн задний | |
| 2 | Гайка М12.5 ГОСТ 5915-70 | Гайка М12.5 ГОСТ 5915-70 | |
| 3 | Шайба 12ОТ ГОСТ 6402-70 | Шайба 12ОТ ГОСТ 6402-70 | |
| 4 | М04.57.120 | Прокладка | |
| 5 | М04.57.101 | Половина бака левая | |
| 6 | М04.57.112 | Кронштейн передний | |
| 7 | Шайба 27 ГОСТ 11371-68 | Шайба 27 ГОСТ 11371-68 | |
| 8 | М04.57.160 | Патрубок | |
| 9 | М04.57.113 | Планка | |
| 10 | М04.57.106 | Бонка | |
| 11 | М04.57.111 | Накладка | |
| 12 | М04.57.132 | Труба заборная | |
| 13 | М04.57.157 | Муфта прямая | |
| 14 | 04.57.129-1 | Бонка сапуна | |
| 15 | Болт М12.2х30.88.35 ГОСТ 7796-70 | Болт М12.2х30.88.35 ГОСТ 7796-70 | |
| 16 | М04.57.108 | Рукав МРТУ-6-07-6016-63 | |
| 17 | А40/50-2638035 | Ниппель | |
| 18 | А40/50-2638034 | Гайка соединительная | |
| 19 | М04.57.103 | Угольник | |
| 20 | 54.57.141 | Дно фильтра | |
| 21 | 54.57.140 | Сетка фильтра | |
| 22 | 54.57.138 | Корпус фильтра | |
| 23 | 54.57.139 | Горловина корпуса фильтра | |
| 24 | М04.57.158 | Чехол | |
| 25 | Хомутик 43 | Хомутик 43 | |
| 26 | 04.57.143 | Кольцо стопорное | |
| 27 | 04.57.139 | Пробка | |
| 28 | 7.37.243 | Заглушка | |
| 29 | 04.57.140 | Набивка | |
| 30 | 04.57.125 | Прокладка сапуна | |
| 31 | 04.57.141 | Корпус сапуна | |
| 32 | 04.57.142 | Стакан защитный | |
| 33 | 54.57.135 | Шайба отражательная | |
| 34 | Проволока диаметр 1,2х80 ГОСТ 3282-46 | Проволока диаметр 1,2х80 ГОСТ 3282-46 | |
| 35 | 54.57.128-1 | Стаканчик пружины | |
| 36 | 54.57.142 | Пружина клапана | |
| 37 | Шарик БV 15,081мм Н ГОСТ 3722-60 | Шарик БV 15,081мм Н ГОСТ 3722-60 | |
| 38 | М04.57.136 | Шайба отражательная | |
| 39 | Болт М8.2х20.58 ГОСТ 7796-70 | Болт М8.2х20.58 ГОСТ 7796-70 | |
| 40 | Шайба 8Н ГОСТ 6402-70 | Шайба 8Н ГОСТ 6402-70 | |
| 41 | М04.57.126 | Крышка бака | |
| 42 | М04.57.124 | Прокладка | |
| 43 | М04.57.122 | Пружина | |
| 44 | М04.57.135-1 | Корпус клапана | |
| 45 | 54.57.134 | Кольцо фильтра наружное | |
| 46 | 54.57.130 | Кольцо фильтра внутреннее | |
| 47 | 54.57.133 | Кольцо опорное | |
| 48 | 54.57.132 | Сетка каркасная | |
| 49 | 54.57.131 | Сетка фильтровая | |
| 50 | М04.57.161 | Труба фильтра | |
| 51 | Т4.47.116 | Кольцо уплотнительное | |
| 52 | М04.57.153 | Фланец | |
| 53 | М04.57.133 | Корпус фильтра | |
| 54 | 54.31.473-1 | Кольцо уплотнительное | |
| 55 | М04.57.116 | Головка щупа | |
| 56 | М04.57.134 | Дно фильтра | |
| 57 | 04.57.123 | Уплотнительное кольцо | |
| 58 | М04.57.105 | Втулка | |
| 59 | М04.57.117 | Щуп | |
| 60 | М04.57.130 | Горловина бака | |
| 61 | М04.57.102 | Половина бака правая | |
| 62 | М04.57.104 | Труба сливная | |
| 63 | М04.57.114 | Планка | |
| 64 | Болт М12.2х40.88.35 ГОСТ 7796-70 | Болт М12.2х40.88.35 ГОСТ 7796-70 | |
| 65 | Хомутик 38 | Хомутик 38 | |
| 66 | 04.57.121 | Шланг | |
| 67 | М04.57.144 | Накладка | |
| 68 | М04.57.131-2 | Фланец | |
| 69 | 54.38-602 | Магнит | |
| 70 | 54.38-643 | Кольцо уплотняющее | |
| 71 | Проволока диаметр 3х36 ГОСТ 3282-46 | Проволока диаметр 3х36 ГОСТ 3282-46 | |
| 72 | 54.38.601-1 | Пробка с держателями |
Содержащиеся в справочниках-каталогах запасные части и детали не предлагаются к продаже, а носят исключительно информационный характер