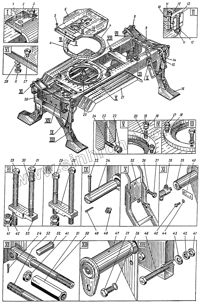
Каталог запасных частей к технике: Атек ЭОВ-4421. Рама 35.0100.000
1
2
3
4
5
6
7
8
9
10
11
11
11
12
12
13
14
15
16
17
18
18
19
20
21
22
23
24
25
26
27
28
29
29
30
31
32
33
34
35
36
36
37
37
38
39
40
41
41
41
42
42
43
44
45
46
47
48
49
50
51
52
53
54
55
| Позиция на иллюстрации | Заводской номер детали | Название детали | |
|---|---|---|---|
| 1 | 35.0100.002 | Угольник | |
| 2 | 09.0700.014 | Планка закрепительная | |
| 3 | М16х45.56.019 ГОСТ 7798-70 | Болт | |
| 4 | 09.0700.002 | Шестерня | |
| 5 | 09.0700.005 | Болт | |
| 6 | 09.0700.010 | Плита опорная | |
| 7 | 1400-1 (У1230.04.000-05) ОСТ 22-1401-79 | Опора | |
| 8 | 35.0101.000 | Рама | |
| 9 | 35.0108.000 | Гидроразводка | |
| 10 | 09.0700.006 | Болт | |
| 11 | М20х1,5.12.40Х.019 ГОСТ 5915-70 | Гайка | |
| 12 | М20х1,5.12.40Х.019 ГОСТ 5916-70 | Гайка | |
| 13 | 09.0700.016 | Болт | |
| 14 | 35.0105.000 | Цилиндр | |
| 15 | 35.0110.000 | Цепь | |
| 16 | 35.0102.000 | Башмак опорный | |
| 17 | М20х1,5х65.10,9.40Х.019 ГОСТ 7808-70 | Болт | |
| 18 | 20.65Г.019 ГОСТ 6402-70 | Шайба | |
| 19 | М20х1,5.8.45.019 ГОСТ 2524-70 | Гайка | |
| 20 | М20х1,5х110.10,9.40Х.019 ГОСТ 7817-80 | Болт | |
| 21 | 35.0109.000 | Брызговик | |
| 22 | М16.8.45.019 ГОСТ 5916-70 | Гайка | |
| 23 | 16.01.019 ГОСТ 11371-78 | Шайба | |
| 24 | М16-6gх35.46 ГОСТ 22038-76 | Шпилька | |
| 25 | 35.0107.000 | Коллектор | |
| 26 | 35.0106.000 | Клапан | |
| 27 | М20х1,5х100.10,9.40Х.019 ГОСТ 7798-70 | Болт | |
| 28 | 20.02.019 ГОСТ 10906-78 | Шайба | |
| 29 | 35.0100.007 | Болт | |
| 30 | 36.65Г.019 ГОСТ 6402-70 | Шайба | |
| 31 | 35.0100.009 | Болт | |
| 32 | 35.0100.006 | Плита | |
| 33 | 10.0100.008 | Палец | |
| 34 | 35.0100.003 | Палец | |
| 35 | 35.0103.000 | Подножка | |
| 36 | 16.65Г.019 ГОСТ 6402-70 | Шайба | |
| 37 | М16х30.56.019 ГОСТ 7798-70 | Болт | |
| 38 | 35.0104.000 | Соединение поворотное | |
| 39 | 35.0100.001 | Палец | |
| 40 | ОСТ 22-124-71 | Оседержатель | |
| 41 | М36х3.12.40Х.019 ГОСТ 5916-70 | Гайка | |
| 42 | М36х3.12.40Х.019 ГОСТ 5915-70 | Гайка | |
| 43 | 02.0900.016 | Шайба | |
| 44 | 12.65Г.019 ГОСТ 6402-70 | Шайба | |
| 45 | М12х25.56.019 ГОСТ 7798-70 | Болт | |
| 46 | М36х3х300.10,9.40Х.019 ГОСТ 7798-70 | Болт | |
| 47 | 35.0100.010 | Палец | |
| 48 | 1.2.Кд6Хр ГОСТ 19853-74 | Масленка | |
| 49 | 3,2х20.001 ГОСТ 397-79 | Шплинт | |
| 50 | 35.0100.020 | Штанга | |
| 51 | 35.0100.013 | Муфта | |
| 52 | 35.0100.012 | Палец | |
| 53 | 35.0100.030 | Штанга | |
| 54 | 5х50.001 ГОСТ 397-79 | Шплинт | |
| 55 | 35.0100.008 | Плита |
Содержащиеся в справочниках-каталогах запасные части и детали не предлагаются к продаже, а носят исключительно информационный характер