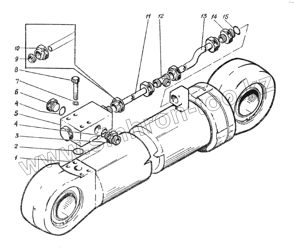
Каталог запасных частей к технике: Атек ЭО-4321В (дополнение). 49.0410.000-02 Гидроцилиндр
49.0410.000-02
1
2
3
4
4
5
6
7
8
9
10
11
12
13
14
15
| Позиция на иллюстрации | Заводской номер детали | Название детали | |
|---|---|---|---|
| 49.0410.000-02 | 49.0410.000-02 | Гидроцилиндр | |
| 1 | 49.0411.000-01 | Гидроцилиндр | |
| 2 | 18829.022.028.36 | Кольцо | |
| 3 | 02.1500.033 | Пробка | |
| 4 | 18829.018.022.25 | Кольцо | |
| 5 | 50.0900.200 | Гидрозамок | |
| 6 | 10.1904.068 | Штуцер | |
| 7 | 6402.10 | Шайба | |
| 8 | 7798.10.65 | Болт | |
| 9 | 10.1904.003 | Кольцо | |
| 10 | 10.1904.006 | Гайка накидная | |
| 11 | 49.0410.200-01 | Труба | |
| 12 | 10.1905.054 | Тройник | |
| 13 | 49.0410.100-01 | Труба | |
| 14 | 10.1600.017 | Штуцер | |
| 15 | 18829.027.032.30 | Кольцо |
Содержащиеся в справочниках-каталогах запасные части и детали не предлагаются к продаже, а носят исключительно информационный характер