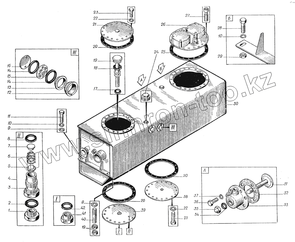
Каталог запасных частей к технике: Атек ЭО-4321Б. 49.1400.000 Гидробак
49.1400.000
1
2
3
4
5
6
7
8
9
9
10
10
11
12
13
14
14
15
16
17
18
19
19
20
20
20
21
22
22
23
23
24
25
26
27
28
29
30
31
32
33
34
35
36
37
38
39
40
41
42
| Позиция на иллюстрации | Заводской номер детали | Название детали | |
|---|---|---|---|
| 49.1400.000 | 49.1400.000 | Гидробак | |
| 1 | 09.0902.124 | Пробка | |
| 2 | 9833.030.035.30.2.2 | Кольцо | |
| 3 | 09.0902.121 | Корпус | |
| 4 | 09.0902.120 | Дозатор | |
| 5 | 09.0902.122 | Клапан | |
| 6 | 50.7413.013 | Пружина золотника | |
| 7 | 09.0902.125 | Донышко | |
| 8 | 9833.045.053.46.2.2 | Кольцо | |
| 9 | 11371.12 | Шайба | |
| 10 | 6402.12 | Шайба | |
| 11 | 7798.12.25 | Болт | |
| 12 | 10.1400.004 | Гайка | |
| 13 | 10.1400.002 | Шайба | |
| 14 | 10.1400.003 | Прокладка | |
| 15 | 10.1400.001 | Стекло | |
| 16 | 10.1400.011 | Прокладка | |
| 17 | 9833.018.022.25.2.2 | Кольцо | |
| 18 | 26.6700.211 | Прокладка | |
| 19 | 10.1402.000 | Вентиль | |
| 20 | 10.1400.006 | Прокладка | |
| 21 | 49.1403.000 | Крышка | |
| 22 | 6402.10 | Шайба | |
| 23 | 7798.10.25 | Болт | |
| 24 | 10.1400.009 | Заглушка | |
| 25 | 49.1400.012 | Прокладка | |
| 26 | 50.1100.000 | Фильтр | |
| 27 | 11738.10.35 | Винт | |
| 28 | 7798.12.45 | Болт | |
| 29 | 5915.12 | Гайка | |
| 30 | 10.1401.000 | Бак | |
| 31 | 01.0700.080 | Клапан | |
| 32 | 03.6020.006 | Прокладка | |
| 33 | 10.1406.010 | Корпус | |
| 34 | 9833.016.020.25.2.2 | Кольцо | |
| 35 | 01.0700.029 | Гайка глухая | |
| 36 | 7798.8.20 | Болт | |
| 37 | 6402.8 | Шайба | |
| 38 | 10.1405.000 | Крышка | |
| 39 | 10.1407.000 | Крышка | |
| 40 | 22034.12.6g.35 | Шпилька | |
| 41 | 50.7413.021 | Колпачок | |
| 42 | 26.6700.211 | Прокладка |
Содержащиеся в справочниках-каталогах запасные части и детали не предлагаются к продаже, а носят исключительно информационный характер