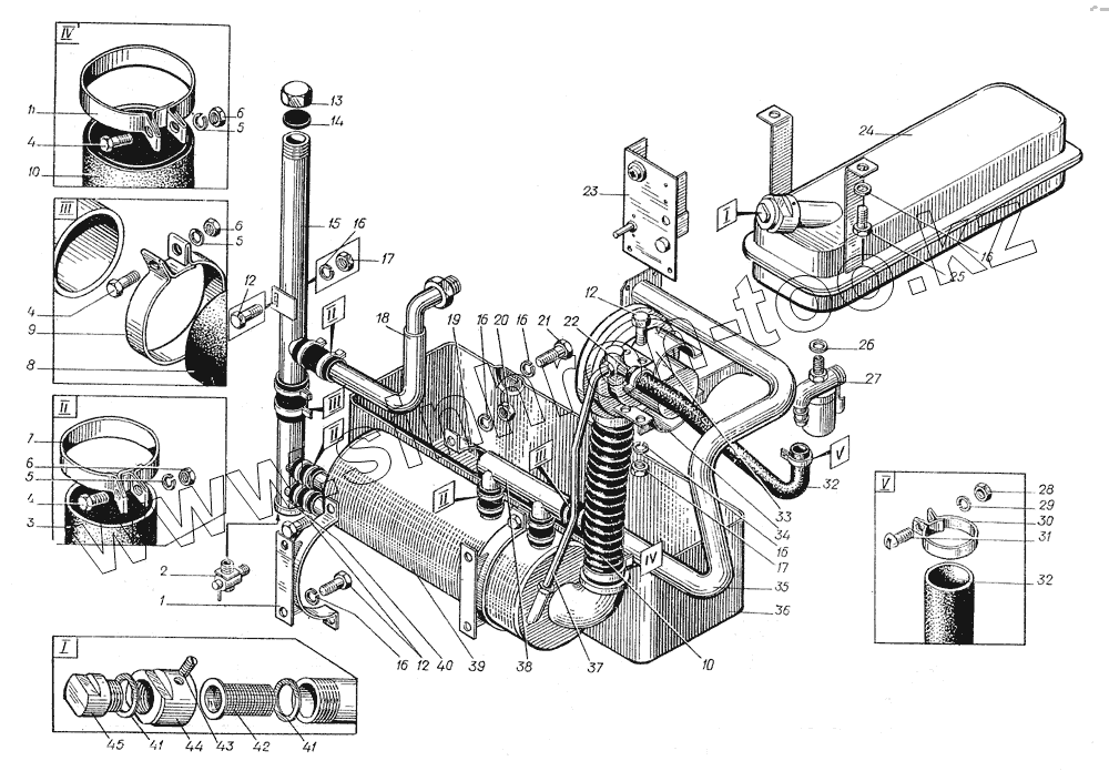
Каталог запасных частей к технике: Атек ЭО-4321Б. 49.1218.000 Установка подогревателя ПЖБ-300В
49.1218.000
1
2
3
4
4
4
5
5
5
6
6
6
7
8
9
10
10
11
12
12
12
13
14
15
16
16
16
16
16
16
17
17
18
19
20
21
22
23
24
25
26
27
28
29
30
31
32
32
33
34
35
36
37
38
39
40
41
41
42
43
44
45
| Позиция на иллюстрации | Заводской номер детали | Название детали | |
|---|---|---|---|
| 49.1218.000 | 49.1218.000 | Установка подогревателя ПЖБ-300В | |
| 1 | 10.1208.410 | Кронштейн | |
| 2 | Kp.2 | Кран спускной | |
| 3 | 10.1218.004 | Рукав | |
| 4 | 7798.6.16 | Болт | |
| 5 | 6402.6 | Шайба | |
| 6 | 5916.6 | Гайка | |
| 7 | 12.2208.002 | Хомут | |
| 8 | 10.1218.005 | Рукав | |
| 9 | 10.1208.015 | Хомут | |
| 10 | 10.1218.006 | Шланг | |
| 11 | 26.6700.004 | Хомут | |
| 12 | 7798.10.25 | Болт | |
| 13 | 10.1208.004 | Пробка | |
| 14 | 10.1208.005 | Прокладка | |
| 15 | 10.1218.500 | Труба | |
| 16 | 6402.10 | Шайба | |
| 17 | 5916.10 | Гайка | |
| 18 | 10.1218.520 | Труба | |
| 19 | 10.1208.401 | Полухомут | |
| 20 | 5915.10 | Гайка | |
| 21 | 7798.10.20 | Болт | |
| 22 | 49.1218.730 | Кронштейн | |
| 23 | 10.1208.700 | Щиток управления | |
| 24 | 10.1208.800 | Бак топливный | |
| 25 | 7798.10.16 | Болт | |
| 26 | 50.4574.035 | Прокладка | |
| 27 | KP12-Д | Кран | |
| 28 | 5916.4 | Гайка | |
| 29 | 6402.4 | Шайба | |
| 30 | 10.1208.013 | Хомут | |
| 31 | 17473.4.10 | Винт | |
| 32 | 10.1218.003 | Рукав | |
| 33 | 49.1218.001 | Полухомут | |
| 34 | 49.1218.002 | Кронштейн | |
| 35 | 10.1218.340-01 | Труба | |
| 36 | 10.1218.200 | Фальш-поддон | |
| 37 | 10.1208.600 | Трубка | |
| 38 | 10.1208.560 | Паросборник | |
| 39 | ПЖБ-300В | Подогреватель | |
| 40 | 10.1218.710 | Труба | |
| 41 | 10.1208.103 | Прокладка | |
| 42 | 10.1208.140 | Фильтр | |
| 43 | 1476.4.6 | Винт | |
| 44 | 10.1208.101 | Гайка | |
| 45 | 10.1208.102 | Пробка |
Содержащиеся в справочниках-каталогах запасные части и детали не предлагаются к продаже, а носят исключительно информационный характер