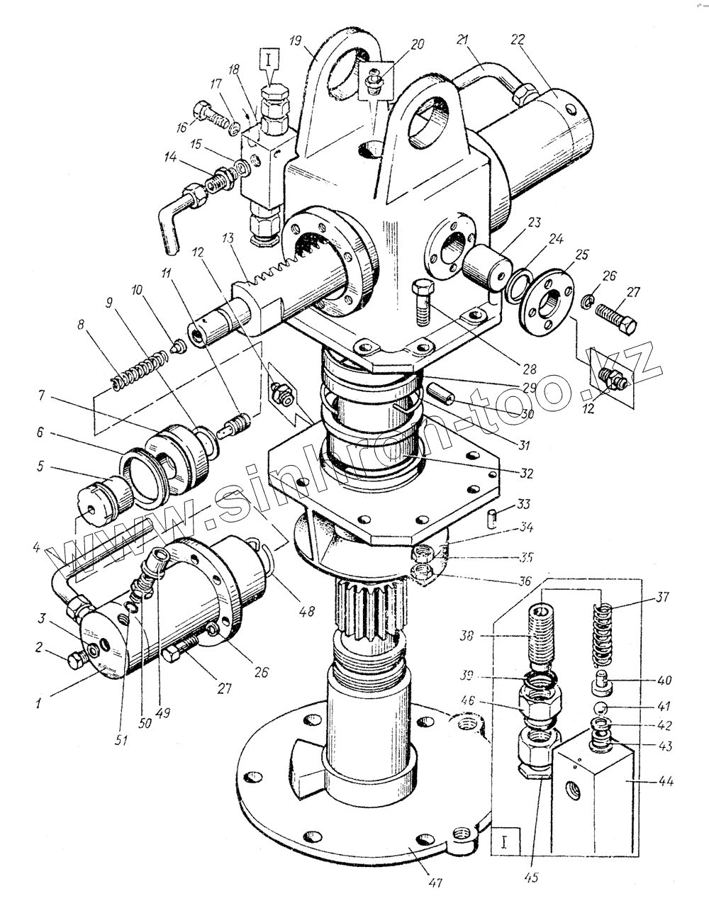
Каталог запасных частей к технике: Атек ЭО-4321Б. 10.4507.000 Механизм поворота
10.4507.000
1
2
3
4
5
6
7
8
9
10
11
12
12
13
14
15
16
17
18
19
20
21
22
23
24
25
26
26
27
27
28
29
30
31
32
33
34
35
36
37
38
39
40
41
42
43
44
45
46
47
48
49
50
51
| Позиция на иллюстрации | Заводской номер детали | Название детали | |
|---|---|---|---|
| 10.4507.000 | 10.4507.000 | Механизм поворота | |
| 1 | 10.4507.700 | Труба | |
| 2 | 26.0201.403 | Заглушка | |
| 3 | 26.0201.406 | Прокладка | |
| 4 | 10.4507.900 | Труба | |
| 5 | 26.6300.015 | Гайка | |
| 6 | 14896.80.65 | Манжета | |
| 7 | 10.4507.006 | Поршень | |
| 8 | 10.4507.009 | Пружина | |
| 9 | 9833.035.041.36.2.2 | Кольцо | |
| 10 | 26.6300.005 | Направляющая | |
| 11 | 10.4507.008 | Игла | |
| 12 | 19853.1.2 | Масленка | |
| 13 | 10.4507.011 | Шток-рейка | |
| 14 | 10.1905.085 | Штуцер | |
| 15 | 26.6700.209 | Прокладка | |
| 16 | 7798.8.G0 | Болт | |
| 17 | 6402.8 | Шайба | |
| 18 | 26.6771.000-02 | Клапан перепускной | |
| 19 | 10.4507.400 | Корпус | |
| 20 | 19853.2.2 | Масленка | |
| 21 | 10.4507.900-01 | Труба | |
| 22 | 10.4507.700-01 | Труба | |
| 23 | 10.4507.012 | Опора | |
| 24 | 10.4507.002 | Шайба | |
| 25 | 10.4507.001 | Крышка | |
| 26 | 6402.12 | Шайба | |
| 27 | 7798.12.25 | Болт | |
| 28 | 7798.16.70 | Болт | |
| 29 | 10.4507.005 | Гайка | |
| 30 | 10.4507.003 | Штифт | |
| 31 | 10.4507.004 | Кольцо | |
| 32 | 10.4507.501 | Втулка | |
| 33 | 3128.10m6.36 | Штифт | |
| 34 | 10.4507.510 | Корпус | |
| 35 | 5915.16 | Гайка | |
| 36 | 5916.16 | Гайка | |
| 37 | 26.6771.006 | Пружина | |
| 38 | 26.6771.005 | Винт | |
| 39 | 9833.025.028.19.2.2 | Кольцо | |
| 40 | 26.6771.003 | Направляющая | |
| 41 | 3722.111.12.303 | Шарик | |
| 42 | 9833.014.018.25.2.2 | Кольцо | |
| 43 | 26.6771.002 | Гнездо | |
| 44 | 26.6771.001 | Корпус | |
| 45 | 26.6771.007 | Колпачок | |
| 46 | 26.6771.004 | Контргайка | |
| 47 | 10.4507.309 | Колонка | |
| 48 | 03.6200.006 | Кольцо | |
| 49 | 22241.1.22 | Крышка | |
| 50 | 10.1908.011 | Штуцер | |
| 51 | 9833.018.022.25.2.2 | Кольцо |
Содержащиеся в справочниках-каталогах запасные части и детали не предлагаются к продаже, а носят исключительно информационный характер