Вернуться на главную
Поиск
Каталоги запчастей к технике
Спецтехника
Атек
ЭО-4321Б
10.2500.000 Установка заправки гидросистемы
Каталог запасных частей к технике: Атек ЭО-4321Б. 10.2500.000 Установка заправки гидросистемы
zoom-in
zoom-out
enlarge
shrink
circle-right
circle-left
file-text2
info
cart
Тип техники
Не выбрано
Легковые автомобили
Грузовые автомобили и прицепы
Автобусы
Сельхозтехника
Спецтехника
Двигатели
Мототехника
Марка
Не выбрано
Ammann
BOMAG
CARMIX
CASE IH
Changlin
ChengGong
Dimex
Doosan
DYNAPAC
Foton
HAMM
Hidromek
Hitachi
Hyundai
JCB
JLG
John Deere
Komatsu
LIEBHERR
LiuGong
Lonking (LongGong)
Luneng
MANITOU
Mitsuber
New Holland
PENGPU
RM-Terex
SANY
SDLG
SEM
Shantui
Shehwa HBXG
Soosan
TIGARBO
VOGELE
Volvo
WAY
WIRTGEN
XCMG
XGMA
Xiamen
YTO
Yuchai
Zoomlion
Автокран
АЗСМ
Алтайлесмаш
Амкодор
АОМЗ
Атек
АТЗ
Балканкар Рекорд
БелАЗ
Беловеж
Борекс
Брянский Арсенал
Булат
ВЭКС
ГАЗ
Геомаш
Гидромаш
Донекс
Дормаш
Дормашина
Дорэлектромаш
ДЭЗ
ЕлАЗ
ЗЗГТ
Ижнефтемаш
Канаш-электрокар
КЗКТ
ККЗ
Клевер
Клинцовский автокрановый завод
КМЗ
КМЗ 1 Мая
Ковровец
Коммаш
Кранэкс
КЭЗ
КЭМЗ
ЛЗА
МАЗ
МЗИК
МЗКМ
МЗКТ
Михневский РМЗ
МоАЗ
Мозырский МЗ
МТЗ
ОЗП
Онежец
ПАО "ТЗА"
ППС Детва
Промтрактор
ПТЗ
Раскат
СпецАгрегат
ТВЭКС
ТТМ
УВЗ
Угличмаш
УЗТМ
ХТЗ
ЧЗКМ
ЧСДМ
ЧТЗ
ЭКСКО
ЭКСМАШ
ЮрМаш
Модель
Не выбрано
Атек-2324-1 (2005)
Атек-761
Атек-999Е (2006)
Э-5015А (1997)
ЭО-4321Б (1996)
ЭО-4321В (дополнение) (1997)
ЭОВ-4421 (1983)
Схема
>
Не выбрано
40.1000.000 Экскаватор базовый
40.1000.000 Экскаватор базовый
49.1500.000 Кабина
49.1500.000 Кабина
49.0500.000 Подножка
49.0807.000 Установка подножек
10.3806.000-01 Установка подножек
У7920.01Б Сиденье
49.2700.000 Отопитель
10.2304.000 Ящик инструментальный
10.2400.000 Тяга буксирная
35.0800.000 Установка запасного колеса
10.2800.000-01 Капот двигателя
40.1200.000 Установка силовая
10.1202.000 Установка компрессора
130-3509012-Г Компрессор
49.1218.000 Установка подогревателя ПЖБ-300В
49.2200.000 Бак топливный
10.1206.000 Узел подачи топлива
10.1207.000 Управление подачей топлива
10.1209.000 Установка насоса
321.224.00.000-14.02 Насос сдвоенный
323.25.01.000 Крышка
1110006064 Люлька
1410058892 Узел качающий
10.1203.000 Установка глушителя
10.1205.000 Установка гидронасосов
СМД9А-26С5 Привод гидронасоса
НШ10Е Насос шестеренный левого вращения
10.1213.000-01 Установка радиатора калорифера и шторки
10.0104.000 Мост передний
10.0104.000 Мост передний
10.0104.000 Мост передний
110.0104.400 Кронштейн переднего моста
10.0104.500 Наконечник
10.0105.000 Гидроцилиндр
10.0107.000 Гидроцилиндр
49.0108.000 Гидромотор привода переднего (заднего) моста
49.0127.000 Гидроцилиндр
1600.36.12 Опора
49.0400.000 Устройство ходовое
10.0102.200 Водило с сателлитами
10.0102.400 Шестерня коронная
10.0102.600 (10.0103.200) Крышка правая (левая)
49.0102.800 Камера тормозная с пружинным энергоаккумулятором
10.0102.700 Камера тормозная
10.0102.800 Полуось
10.0102.000-01 (10.0103.000-01) Колесо заднее правое (левое)
10.0102.300 Ступица колеса
49.3210.000 Пневморазводка колесного хода
10.0102.100 (10.0102.100) Суппорт правый (левый)
49.0811.000 Колонка рулевая
10.0812.000 Насос планетарный
10.3805.000 Колонка рулевая
49.0800.000 49.3800.000 Управление экскаватором
49.3801.000 Стопор
49.0803.000 Пульт управления
49.0804.000 Пульт управления
60.110.00.000 Блок управления
60.210.00.000 Блок управления
60.510.00.000 Блок управления
49.0808.000 Установка педалей управления
49.0809.000 Гидроразводка
49.3806.000 Гидроразводка
49.0726.000 Пилот
40.2300.000 Установка щитков
10.2301.000 Щиток
49.0900.000 Пневморазводка поворотной платформы
10.1208.700 Щиток управления
49.1300.000 Привод поворота
49.1302.000 Гидромотор поворота платформы
49.1400.000 Гидробак
50.1100.000 Фильтр
09.3203.000 Фильтр гидравлический
63.0100.000 Блок испарительный кабины
63.0114.000 Насос
10.1600.000-01 Блок распределительный
10.1600.100 Клапан разгрузочный
10.1700.000-01 Блок распределительный
10.1800.000-02 Блок распределительный
49.1901.000 Установка распределителей
10.1901.920 Кран переключения слива
43.1904.080 Клапан предохранительный
49.1904.000 Гидроразводка поворотной платформы
49.1904.000 Гидроразводка поворотной платформы
49.1904.000 Гидроразводка поворотной платформы
49.1904.100 Блок клапанов
510.3200.000 Гидроклапан предохранительный
10.1904.100 Клапан обратный
521.20.0600 Клапан предохранительный
09.1500.100 Клапан предохранительный
49.1904.200 Гидрораспределитель
49.3902.000 Гидроразводка ходовой тележки
10.1905.300 Клапан запорный
10.1905.400 Клапан
10.1905.500 Клапан запорный
49.3908.000 Гидроразводка
10.2500.000 Установка заправки гидросистемы
49.2000.000 Электрооборудование
49.2000.000 Электрооборудование
49.0822.000 Щиток приборов
10.0200.000 Установка бульдозера
10.0410.000 Гидроцилиндр
10.0500.000 Золотник
49.0600.000-01 Коллектор
40.2100.000 Рабочее оборудование - обратная лопата с ковшом 063 м3
49.2107.000 Гидроцилиндр
49.2108.000 Гидроцилиндр
10.2117.000 Гидроцилиндр
49.1906.000 Гидроразводка рабочего оборудования
49.4200.000 Рабочее оборудование - обратная лопата с ковшом 05 м3
49.1906.000-01 Гидроразводка рабочего оборудования с ковшом 05 м3
40.4300.000 Рабочее оборудование - обратная лопата
49.1906.000-02 Гидроразводка рабочего оборудования с ковшом 10 м3 или 125 м3
40.4100.000 Рабочее оборудование - обратная лопата с ковшом 08 м3
49.4500.000 Грейфер поворотный 063 м3
10.4504.000 Гидроцилиндр
10.4507.000 Механизм поворота
10.4515.000 Удлинитель
10.4520.000 Установка узкого грейферного ковша на грейфер поворотный
49.4511.000 Гидроразводка грейфера
10.1907.000 Соединение поворотное
10.4501.500 Гидрозамок
10.4511.040 Соединение поворотное
49.4511.100 Гидроразводка грейфера на поворотной платформе
49.4600.000 Зуб-рыхлитель
49.4800.000 Подвеска крюковая
49.5100.000 Ковш узкий
49.5200.000 Ковш профильный 90°
49.5300.000 Ковш профильный 120°
49.6200.000 Ковш очистной
09.7600.000 Гидромолот ГПМ-300
09.7601.000 Устройство ударное
09.7603.000 Головка
49.9600.000, 49.9600.000-01 Рабочее оборудование - прямая лопата
49.9608.000 Гидроразводка рабочего оборудования прямая лопата
49.7002.000 Гидроразводка поворотной платформы
49.7003.000 Гидроразводка гидромолота
49.7004.000 Гидроразводка сервоуправления
49.2600.00 Комплект инструмента и принадлежностей
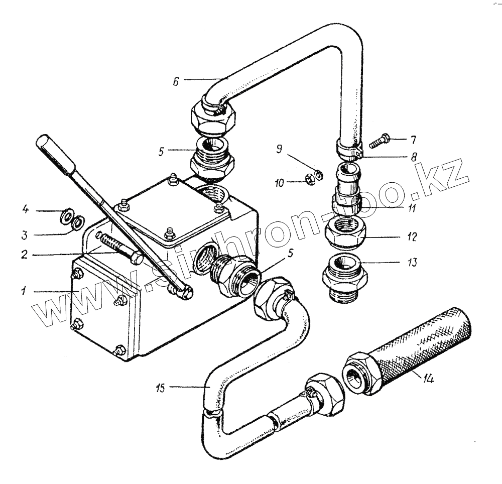
10.2500.000
1
2
3
4
5
5
6
7
8
9
10
11
12
13
14
15
Позиция на иллюстрации
Заводской номер детали
Название детали
10.2500.000
10.2500.000
Шланг ручной заправки
1
Р0.8-430-01
Насос ручной поршневой
2
7798.10.70
Болт
3
6402.10
Шайба
4
11371.10
Шайба
5
10.2500.001
Штуцер
6
10.2500.400
Шланг заправки
7
7798.6.20
Болт
8
12.2208.002
Хомут
9
6402.6
Шайба
10
5915.6
Гайка
11
10.2500.401
Ниппель
12
10.2500.402
Гайка
13
10.2500.002
Штуцер
14
02.2604.100
Фильтр
15
10.2500.400-01
Шланг заправки
Содержащиеся в справочниках-каталогах запасные части и детали не предлагаются к продаже, а носят исключительно информационный характер
Дополнительная информация
×
Название:
Номер:
Примечание: