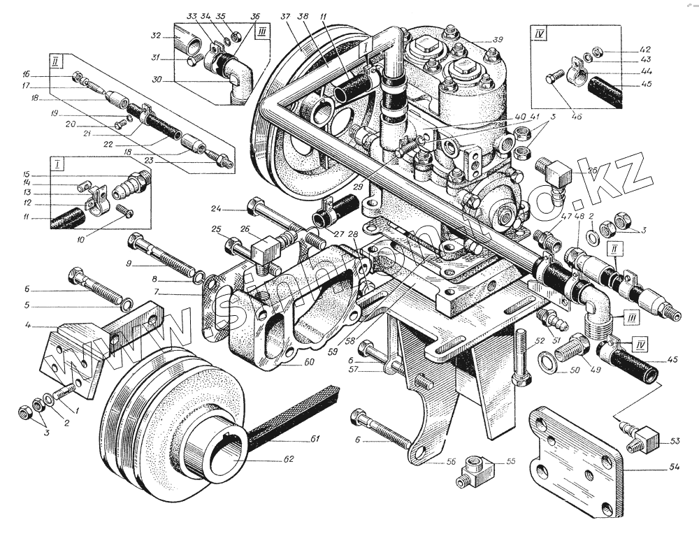
Каталог запасных частей к технике: Атек ЭО-4321Б. 10.1202.000 Установка компрессора
10.1202.000
1
2
2
3
3
3
4
5
6
6
6
7
8
9
10
11
11
12
13
14
15
16
17
18
18
19
20
21
22
23
24
25
26
26
27
28
29
30
31
32
33
34
35
36
37
38
39
40
41
42
43
44
45
45
46
47
48
49
50
51
52
53
54
55
56
57
58
59
60
61
62
| Позиция на иллюстрации | Заводской номер детали | Название детали | |
|---|---|---|---|
| 10.1202.000 | 10.1202.000 | Установка компрессора | |
| 1 | 22032.10.6g.25 | Шпилька | |
| 2 | 11371.10 | Шайба | |
| 3 | 5915.10 | Гайка | |
| 4 | 10.1202.300 | Кронштейн | |
| 5 | 6402.10 | Шайба | |
| 6 | 7798.10.100 | Болт | |
| 7 | 10.1202.008 | Прокладка | |
| 8 | 6402.12 | Шайба | |
| 9 | 7798.12.140 | Болт | |
| 10 | 1491.4.20 | Винт | |
| 11 | 10.1202.014 | Рукав | |
| 12 | 10.1202.703 | Шайба | |
| 13 | 10.1202.701 | Хомут | |
| 14 | 10.1202.702 | Гайка | |
| 15 | 10.1202.105 | Шатун | |
| 16 | 10.1202.604 | Гайка | |
| 17 | 10.1202.603 | Ниппель | |
| 18 | 10.1202.602 | Муфта | |
| 19 | 6402.8 | Шайба | |
| 20 | 7798.8.10 | Болт | |
| 21 | 10.1202.013 | Хомут | |
| 22 | 10.1202.606 | Рукав | |
| 23 | 10.1202.601 | Ниппель | |
| 24 | 7798.12.110 | Болт | |
| 25 | 7798.12.70 | Болт | |
| 26 | 10.1202.104 | Угольник | |
| 27 | 10.1202.006 | Рукав | |
| 28 | 7798.12.80 | Болт | |
| 29 | 7798.8.20 | Болт | |
| 30 | 10.1202.930 | Патрубок | |
| 31 | 7798.6.20 | Болт | |
| 32 | 10.1202.902 | Труба | |
| 33 | 12.2208.002 | Хомут | |
| 34 | 6402.6 | Шайба | |
| 35 | 5915.6 | Гайка | |
| 36 | 10.1202.903 | Рукав | |
| 37 | 10.1202.101 | Шкив | |
| 38 | 10.1202.900 | Труба для подвода воздуха к компрессору от системы дизеля | |
| 39 | 130-3509012-Г | Компрессор | |
| 40 | 10.1202.920 | Фланец | |
| 41 | 6402.8 | Шайба | |
| 42 | 5915.6 | Гайка | |
| 43 | 6402.6 | Шайба | |
| 44 | 02.1200.006 | Хомут | |
| 45 | 10.1202.015 | Рукав | |
| 46 | 7798.6.20 | Болт | |
| 47 | 10.1202.103 | Ниппель | |
| 48 | 10.1202.600 | Шланг | |
| 49 | 7798.16.30 | Болт | |
| 50 | 11371.16 | Шайба | |
| 51 | 10.1202.108 | Штуцер | |
| 52 | 10.1202.011 | Болт специальный | |
| 53 | 10.1202.009 | Штуцер | |
| 54 | 10.1202.012 | Корпус | |
| 55 | 10.1202.004 | Тройник | |
| 56 | 10.1202.800 | Кронштейн | |
| 57 | 10.1202.005 | Шайба | |
| 58 | 10.1202.115 | Кронштейн | |
| 59 | 10.1202.107 | Прокладка | |
| 60 | 10.1202.401 | Проставка | |
| 61 | 5813.П19.5.12.1450 | Ремень | |
| 62 | 10.1202.003 | Шкив |
Содержащиеся в справочниках-каталогах запасные части и детали не предлагаются к продаже, а носят исключительно информационный характер