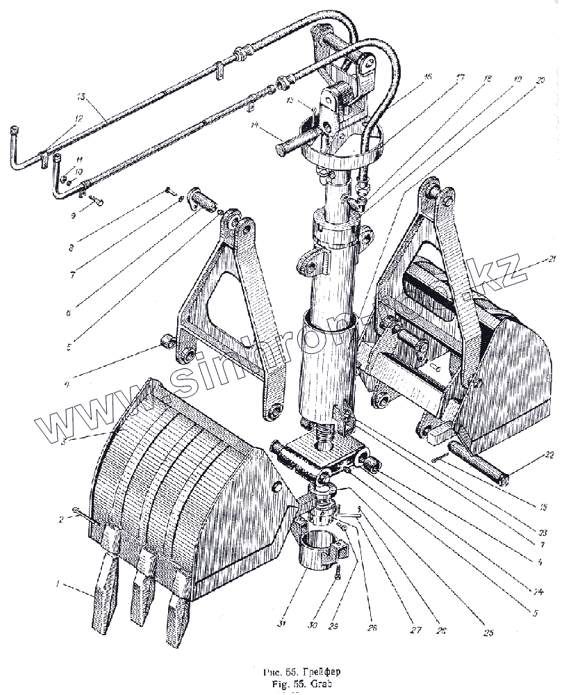
Каталог запасных частей к технике: Атек Э-5015А. Грейфер
1
2
3
4
4
5
5
6
7
7
8
9
10
11
12
13
14
15
15
16
17
18
19
20
21
22
23
24
25
26
27
28
29
30
31
| Позиция на иллюстрации | Заводской номер детали | Название детали | |
|---|---|---|---|
| 1 | 03.58.00.003 | Зуб | |
| 2 | ГОСТ 397—66 | Шплинт 2X12 | |
| 3 | 02.30.02.000 | Челюсть грейфера | |
| 4 | 02.30.00.008 | Втулка | |
| 5 | ГОСТ 1303—56 | Масленка I-B | |
| 6 | 02.30.00.100 | Палец | |
| 7 | ГОСТ 6402—70 | Шайба 4 | |
| 8 | ГОСТ 7798—70 | Болт М10Х30 | |
| 9 | ГОСТ 7798—70 | Болт М10Х30 | |
| 10 | ГОСТ 6420—70 | Шайба 8 | |
| 11 | ГОСТ 5915—70 | Гайка М4 | |
| 12 | 02.21.00.008 | Хомут | |
| 13 | 02.30.07.100 | Труба | |
| 14 | 02.30.00.006 | Палец | |
| 15 | ГОСТ 397—66 | Шплинт 2X12 | |
| 16 | 20X1000 А1А1 | Рукав | |
| 17 | 02.3О01.000 | Головка грейфера | |
| 18 | 02.30.07.002 | Штуцер К3/4 | |
| 19 | 02.30.03.000 | Гидроцилиндр грейфера | |
| 20 | 02.30.05.000 | Кожух цилиндра | |
| 21 | 02.30.04.000 | Тяга | |
| 22 | 02.30.00.007 | Палец | |
| 23 | ГОСТ 5915—70 | Гайка М4 | |
| 24 | 02.30.00.001 | Проушина | |
| 25 | 02.30.00.002 | Шайба | |
| 26 | ГОСТ 397—66 | Шплинт 2X12 | |
| 27 | 02.30.00.004 | Ось | |
| 28 | 02.30.00.003 | Гайка специальная | |
| 29 | ГОСТ 11738—66 | Винт М12Х40 | |
| 30 | ГОСТ 7798—70 | Болт М10Х30 | |
| 31 | 02.30.06.000 | Кожух гайки |
Содержащиеся в справочниках-каталогах запасные части и детали не предлагаются к продаже, а носят исключительно информационный характер