Каталог запасных частей к технике: Атек-999Е. Оборудование обратной лопаты
1
2
2
3
4
4
5
6
7
7
8
9
10
11
11
12
13
14
15
16
17
18
18
19
20
21
21
22
23
24
25
26
27
28
29
29
30
31
32
33
34
35
36
37
38
39
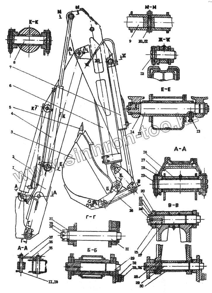
| Позиция на иллюстрации | Заводской номер детали | Название детали | |
|---|---|---|---|
| 1 | 66.0211.000 | Стрела | |
| 2 | 05.0290.000 | Гидроцилиндр | |
| 2 | 05.0290.000-01 | Гидроцилиндр | |
| 3 | 66.0230.100 | Ковш | |
| 4 | 66.3012.000 | Гидроцилиндр | |
| 4 | 66.9012.000-01 | Гидроцилиндр | |
| 5 | 15.0250.200 | Коронка | |
| 6 | 66.0240.000 | Рукоять телескопическая | |
| 7 | 72.9011.000 | Гидроцилиндр | |
| 7 | 72.9011.000-01 | Гидроцилиндр | |
| 8 | 66.0200.006 | Палец | |
| 9 | 66.0200.011-01 | Палец | |
| 10 | 05.0100.006 | Болт специальный | |
| 11 | M12-6H.5.019 ГОСТ 5915-70 | Гайка | |
| 12 | 66.0200.013 | Палец | |
| 13 | A.M12-6gx35.45H.40X.019 ГОСТ 1481-84 | Винт | |
| 14 | 15.0300.015-02 | Шайба | |
| 15 | 66.0200.011 | Палец | |
| 16 | 05.0210.014 | Втулка | |
| 17 | 05.0210.016 | Втулка | |
| 18 | 05.0100.006-01 | Болт специальный | |
| 19 | 66.0200.012 | Палец | |
| 20 | 15.0300.015-01 | Шайба | |
| 21 | 66.0200.014 | Шайба | |
| 22 | 36.01.019 ГОСТ 11872-89 | Шайба | |
| 23 | M36x1,5-6H.04.019 ГОСТ 11871-88 | Гайка | |
| 24 | 1.2 Ц6 ГОСТ 19853-74 | Масленка | |
| 25 | 66.0200.500 | Палец | |
| 26 | 05.0200.201 | Рычаг | |
| 27 | 15.0290.103 | Втулка | |
| 28 | 15.0250.001 | Втулка | |
| 29 | 66.0200.400 | Палец | |
| 30 | 05.0200.003 | Втулка | |
| 31 | 66.0200.300 | Палец | |
| 32 | 66.0200.015 | Пластина | |
| 33 | M16-6gx35.58.019 ГОСТ 7798-70 | Болт | |
| 34 | 16.65Г.019 ГОСТ 6402-70 | Шайба | |
| 35 | 15.0110.005 | Чека | |
| 36 | 18.0200.002 | Тяга | |
| 37 | 66.0200.004 | Палец | |
| 38 | 6,3x63.019 ГОСТ 397-79 | Шплинт | |
| 39 | 13.0310.009 | Гайка |
Содержащиеся в справочниках-каталогах запасные части и детали не предлагаются к продаже, а носят исключительно информационный характер