Каталог запасных частей к технике: Атек-999Е. Коробка передач гидромеханическая
2
3
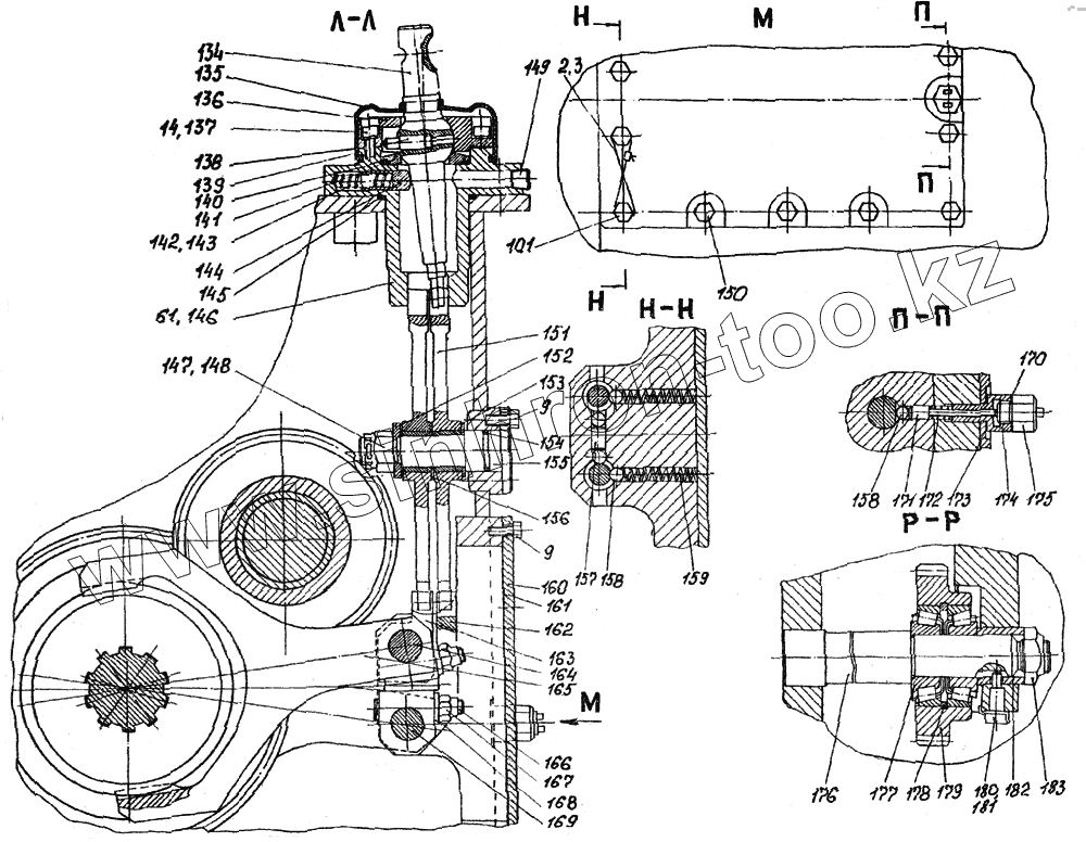
9
9
14
61
101
134
135
136
137
138
139
140
141
142
143
144
145
146
147
148
149
150
151
152
153
154
155
156
157
158
158
159
160
161
162
162
163
163
164
165
165
166
167
168
169
170
171
172
173
174
175
176
177
178
179
180
181
182
183
| Позиция на иллюстрации | Заводской номер детали | Название детали | |
|---|---|---|---|
| 2 | 1х6х10.АД1М ГОСТ 18677-73 | Пломба | |
| 3 | КО-0,5 ГОСТ 792-67 | Проволока, L=3000мм | |
| 9 | M8-6gx20.109.40X.019 ГОСТ 7798-70 | Болт | |
| 14 | 8Т.65Г.019 ГОСТ 6402-70 | Шайба | |
| 61 | M10-6gx30.109.40X.019 ГОСТ 7798-70 | Болт | |
| 101 | 3M8-6gx25.109.40X.019 ГОСТ 7798-70 | Болт | |
| 134 | 72.3517.007 | Рычаг переключения | |
| 135 | 72.3517.019 | Чехол | |
| 136 | 72.3517.026 | Крышка | |
| 137 | M8-6gx16.66.019 ГОСТ 11738-84 | Винт | |
| 138 | 72.3517.021 | Прокладка | |
| 139 | 72.3517.018 | Штифт | |
| 140 | 055-061-36-1-6 ГОСТ 18829-73 | Кольцо | |
| 141 | 72.3517.004 | Седло | |
| 142 | 72.3517.015 | Пружина | |
| 143 | 72.3517.023 | Пружина | |
| 144 | 72.3517.006 | Толкатель | |
| 145 | 063-069-36-1-6 ГОСТ 18829-73 | Кольцо | |
| 146 | 72.3517.002 | Корпус | |
| 147 | 2.М16х1,5-6Н.5.019 ГОСТ 5918-73 | Гайка | |
| 148 | 4х32.019 ГОСТ 397-79 | Шплинт | |
| 149 | 72.3517.008 | Пробка | |
| 150 | М8-6gх20.109.40Х.019 ГОСТ 7796-70 | Болт | |
| 151 | 72.3517.100 | Рычаг | |
| 152 | 72.3517.022 | Шайба | |
| 153 | 72.3517.022-01 | Шайба | |
| 154 | 023-028-30-1-6 ГОСТ 18829-73 | Кольцо | |
| 155 | 72.3517.001 | Ось | |
| 156 | 72.3517.022-02 | Шайба | |
| 157 | 72.3517.025 | Фиксатор | |
| 158 | 10,0-60 ГОСТ 3722-81 | Шарик | |
| 159 | 72.3517.024 | Пружина | |
| 160 | 72.3500.044 | Крышка | |
| 161 | 72.3500.045 | Прокладка | |
| 162 | 72.3517.011 | Поводок | |
| 162 | 72.3517.028 | Поводок | |
| 163 | 72.3517.009 | Поводок | |
| 163 | 72.3517.027 | Поводок | |
| 164 | 72.3517.012 | Шток | |
| 165 | 72.3517.014 | Вилка | |
| 165 | 72.3517.029 | Вилка | |
| 166 | 72.3517.005 | Винт стопорный | |
| 167 | 72.3517.016 | Гайка | |
| 168 | 72.3517.017 | Шайба | |
| 169 | 72.3517.013 | Шток | |
| 170 | 05.3500.084 | Прокладка | |
| 171 | 72.3500.054 | Толкатель | |
| 172 | 72.3500.056 | Пружина | |
| 173 | 72.3500.057 | Прокладка | |
| 174 | 72.3500.055 | Штуцер | |
| 175 | ВК403 ТУ 37.063.188-76 | Выключатель | |
| 176 | 72.3500.041 | Ось | |
| 177 | 7306 ТУ 37.006.162-89 | Подшипник | |
| 178 | 05.3500.051 | Кольцо | |
| 179 | 05.3500.052 | Шестерня | |
| 180 | 05.3500.064 | Винт | |
| 181 | 72.3500.043 | Пластина стопорная | |
| 182 | 72.3500.042 | Втулка | |
| 183 | 72.3500.019 | Гайка |
Содержащиеся в справочниках-каталогах запасные части и детали не предлагаются к продаже, а носят исключительно информационный характер