Вернуться на главную
Поиск
Каталоги запчастей к технике
Спецтехника
Атек
Атек-999Е
Коробка передач гидромеханическая
Каталог запасных частей к технике: Атек-999Е. Коробка передач гидромеханическая
zoom-in
zoom-out
enlarge
shrink
circle-right
circle-left
file-text2
info
cart
Тип техники
Не выбрано
Легковые автомобили
Грузовые автомобили и прицепы
Автобусы
Сельхозтехника
Спецтехника
Двигатели
Мототехника
Марка
Не выбрано
Ammann
BOMAG
CARMIX
CASE IH
Changlin
ChengGong
Dimex
Doosan
DYNAPAC
Foton
HAMM
Hidromek
Hitachi
Hyundai
JCB
JLG
John Deere
Komatsu
LIEBHERR
LiuGong
Lonking (LongGong)
Luneng
MANITOU
Mitsuber
New Holland
PENGPU
RM-Terex
SANY
SDLG
SEM
Shantui
Shehwa HBXG
Soosan
TIGARBO
VOGELE
Volvo
WAY
WIRTGEN
XCMG
XGMA
Xiamen
YTO
Yuchai
Zoomlion
Автокран
АЗСМ
Алтайлесмаш
Амкодор
АОМЗ
Атек
АТЗ
Балканкар Рекорд
БелАЗ
Беловеж
Борекс
Брянский Арсенал
Булат
ВЭКС
ГАЗ
Геомаш
Гидромаш
Донекс
Дормаш
Дормашина
Дорэлектромаш
ДЭЗ
ЕлАЗ
ЗЗГТ
Ижнефтемаш
Канаш-электрокар
КЗКТ
ККЗ
Клевер
Клинцовский автокрановый завод
КМЗ
КМЗ 1 Мая
Ковровец
Коммаш
Кранэкс
КЭЗ
КЭМЗ
ЛЗА
МАЗ
МЗИК
МЗКМ
МЗКТ
Михневский РМЗ
МоАЗ
Мозырский МЗ
МТЗ
ОЗП
Онежец
ПАО "ТЗА"
ППС Детва
Промтрактор
ПТЗ
Раскат
СпецАгрегат
ТВЭКС
ТТМ
УВЗ
Угличмаш
УЗТМ
ХТЗ
ЧЗКМ
ЧСДМ
ЧТЗ
ЭКСКО
ЭКСМАШ
ЮрМаш
Модель
Не выбрано
Атек-2324-1 (2005)
Атек-761
Атек-999Е (2006)
Э-5015А (1997)
ЭО-4321Б (1996)
ЭО-4321В (дополнение) (1997)
ЭОВ-4421 (1983)
Схема
>
Не выбрано
Основные сборочные единицы экскаватора-погрузчика АТЕК-999Е
Капот
Капот
Кабинный модуль
Кабинный модуль
Кабинный модуль
Установка стеклоомывателя
Ящик вещевой
Сиденье
Установка сидения и отопителя
Подключение отопителя
Установка агрегата АОВ2-0320-1
Ограничитель
Агрегат силовой
Агрегат силовой
Агрегат силовой
Бак топливный
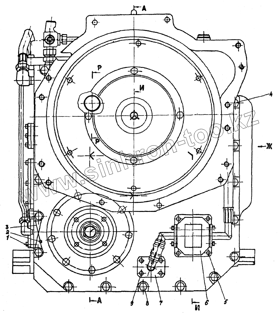
Коробка передач гидромеханическая
Коробка передач гидромеханическая
Коробка передач гидромеханическая
Коробка передач гидромеханическая
Коробка передач гидромеханическая
Коробка передач гидромеханическая
Коробка передач гидромеханическая
Коробка передач гидромеханическая
Коробка передач гидромеханическая
Коробка передач гидромеханическая
Коробка передач гидромеханическая
Коробка передач гидромеханическая
Коробка передач гидромеханическая
Коробка передач гидромеханическая
Коробка передач гидромеханическая
Коробка передач гидромеханическая
Коробка передач гидромеханическая
Коробка передач гидромеханическая
Коробка передач гидромеханическая
Гидроразводка охлаждения ГМП
Гидроразводка охлаждения ГМП
Механизм переключения передач
Гидроклапан предохранительный
Гидроразводка ГМП
Фильтр
Маслоприемник
Привод насоса
Насос коробки передач
Установка маслоприемника
Гидроразводка ГМП
Вал первичный
Колесо насоса
Колесо насоса гидротрансформатора
Гидроразводка ГМП
Гидроразводка ГМП
Передача карданная заднего моста
Мост передний
Мост передний
Гидроцилиндр
Главная передача
Наконечник тяги
Полуось в сборе
Блок охлаждения
Муфта привода переднего моста
Вал первичный
Фрикцион двойной
Фланец в сборе
Вал выходной
Пробка
Мост задний
Рама
Рама
Рама
Шасси
Колесо
Редуктор колесный
Колесо
Блок управления
Регулятор давления
Аккумулятор гидравлический
Переключатель хода
Электромагнит с толкателем
Установка замка
Блок управления
Колонка рулевая
Шарнир карданный
Окно откидное
Пульт управления
Тяга управления
Рычаг
Замок
Управление погрузочным оборудованием
Механизм управление
Гидрораспределитель
Гидрораспределитель
Гидрораспределитель
Гидроклапан предохранительный
Гидроклапан предохранительный
Водило
Вилка
Сапун
Дифференциал
Цилиндр
Управление блокировкой дифференциала
Привод тормоза стояночного
Привод тормоза стояночного
Гидроразводка тормозов
Гидроразводка тормозов
Электрооборудование
Электрооборудование
Электрооборудование
Установка аккумуляторного ящика
Щиток приборов
Щиток приборов
Установка щитков
Щиток приборов
Щиток приборов
Погрузочное оборудование
Погрузочное оборудование
Ковш челюстной
Гидроцилиндр
Гидроцилиндр
Гидроцилиндр
Гидроцилиндр
Механизм выравнивания
Управление экскавационным оборудованием
Гидроразводка обратной лопаты
Гидроразводка обратной лопаты
Гидроразводка обратной лопаты
Оборудование обратной лопаты
Оборудование обратной лопаты
Шарнир
Гидрораспределитель
Гидрораспределитель
Гидрораспределитель
Гидроклапан предохранительный
Гидроклапан обратный
Установка баков
Установка баков
Бак дополнительный
Бак рабочей жидкости
Клапан
Клапан
Крышка
Гидроцилиндр
Гидроцилиндр
Зажим
Каретка
Гидросистема
Гидроразводка погрузочного оборудования
Гидроразводка погрузочного оборудования
Гидроразводка погрузочного оборудования
Гидроразводка шасси
Гидроразводка шасси
Гидроклапан обратный
Гидроклапан обратный
Гидроклапан обратный
Фильтр
Гидроразводка поперечной рамы
Гидроразводка поперечной рамы
Переходник
Клапан управляемый
Рукоять телескопическая
Гидроцилиндр
Гидроцилиндр
Гидроцилиндр
Гидроцилиндр
1
2
3
4
5
6
7
8
9
Позиция на иллюстрации
Заводской номер детали
Название детали
1
3M12-6gx75.109.40X.019 ГОСТ 7798-70
Болт
2
1X6X10.АД1М ГОСТ 18677-73
Пломба
3
КО-0,5 ГОСТ 792-67
Проволока, L=3000мм
4
M12-6gx70.109.40X.019 ГОСТ 7798-70
Болт
5
M8-6gx30.109.40X.019 ГОСТ 7798-70
Болт
6
НШ-10-3Л ОСТ 23.1.92-88
Насос шестеренный
7
72.3506.000
Установка маслоприемника
8
M12-6gx75.109.40X.019 ГОСТ 7798-70
Болт
9
M8-6gx20.109.40X.019 ГОСТ 7798-70
Болт
Содержащиеся в справочниках-каталогах запасные части и детали не предлагаются к продаже, а носят исключительно информационный характер
Дополнительная информация
×
Название:
Номер:
Примечание: