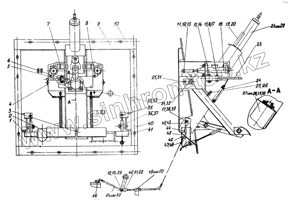
Каталог запасных частей к технике: Атек-999Е. Блок управления
1
2
3
4
5
6
7
8
9
10
11
12
12
12
13
13
14
15
16
17
17
18
19
20
21
22
23
24
25
25
25
26
27
28
29
30
31
32
33
34
35
36
37
38
39
40
41
42
42
43
44
45
46
47
48
49
50
51
52
53
54
55
56
| Позиция на иллюстрации | Заводской номер детали | Название детали | |
|---|---|---|---|
| 1 | 22.5206.000-01 | Педаль | |
| 2 | 72.5204.000 | Педаль тормоза левая | |
| 3 | 72.5205.000 | Педаль тормоза правая | |
| 4 | 72.5206.000 | Ось | |
| 5 | 22.5200.004 | Палец | |
| 6 | 22.5200.005 | Пружина | |
| 7 | 18.65Г.019 ГОСТ 6402-70 | Шайба | |
| 8 | 22.5200.001 | Болт | |
| 9 | 72.5200.002 | Уплотнитель | |
| 10 | 72.5200.003 | Уплотнитель | |
| 11 | 22.5200.006 | Ось | |
| 12 | 8.04.019 ГОСТ 11371-78 | Шайба | |
| 13 | 2,5x16.019 ГОСТ 397-79 | Шплинт | |
| 14 | 22.5200.002 | Ось | |
| 15 | 22.5200.003 | Ось | |
| 16 | 4.04.019 ГОСТ 11371-78 | Шайба | |
| 17 | 1,6x10.019 ГОСТ 397-79 | Шплинт | |
| 18 | 412-3505010 | Главный тормозной цилиндр | |
| 19 | 72.5200.001 | Кожух | |
| 20 | ВМ4-6gх8.58.019 ГОСТ 17473-80 | Винт | |
| 21 | 72.5202.000 | Колонка рулевая | |
| 22 | 72.5202.000-01 | Колонка рулевая | |
| 23 | 72.5203.000 | Фиксатор | |
| 24 | 22.0421.001 | Пружина | |
| 25 | M6-6gx20.58.019 ГОСТ 7798-70 | Болт | |
| 26 | М6-6Н.5.019 ГОСТ 5915-70 | Гайка | |
| 27 | LAG8250-1 TG137844 | Рулевой агрегат | |
| 28 | У245009/250-0N-У1 | Гидроруль . | |
| 29 | 1YP07-1HNN012047 | Блок клапанный, | |
| 30 | TG10-912-109 M10х45 | Винт | |
| 31 | 6.65Г.019 ГОСТ 6402-70 | Шайба | |
| 32 | M10-6gx20.58.019 ГОСТ 7798-70 | Болт | |
| 33 | 10.65Г.019 ГОСТ 6402-70 | Шайба | |
| 34 | 8.65Г.019 ГОСТ 6402-70 | Шайба | |
| 35 | М8-6Н.5.019 ГОСТ 5915-70 | Гайка | |
| 36 | 16.04.019 ГОСТ 11371-78 | Шайба | |
| 37 | 3,2x32.019 ГОСТ 397-79 | Шплинт | |
| 38 | 02.1204.006 | Палец | |
| 39 | 5.04.019 ГОСТ 11371-78 | Шайба | |
| 40 | 72.5201.000 | Короб | |
| 41 | 22.5206.000 | Педаль газа | |
| 42 | 22.5207.002 | Зажим | |
| 43 | 22.5207.001 | Вилка | |
| 44 | 22.5207.005 | Шнур | |
| 45 | 22.5207.101 | Втулка | |
| 46 | 12.65Г.019 ГОСТ 6402-70 | Шайба | |
| 47 | 22.5207.106 | Оплетка | |
| 48 | 22.5207.107 | Труба | |
| 49 | 72.5209.000 | Кронштейн | |
| 50 | 72.5209.000-01 | Кронштейн | |
| 51 | 22.0420.015 | Вилка | |
| 52 | BM6-6gx12.58.019 ГОСТ 17473-80 | Винт | |
| 53 | 15.0420.009 | Ось | |
| 54 | 72.5200.004 | Пружина | |
| 55 | 72.5200.004-01 | Пружина | |
| 56 | 72.5200.005 | Уголок |
Содержащиеся в справочниках-каталогах запасные части и детали не предлагаются к продаже, а носят исключительно информационный характер