Каталог запасных частей к технике: Атек-2324-1. Мост задний
1
3
4
5
6
8
9
15
16
17
18
19
20
21
22
23
24
25
26
27
28
29
30
31
32
33
34
35
36
37
38
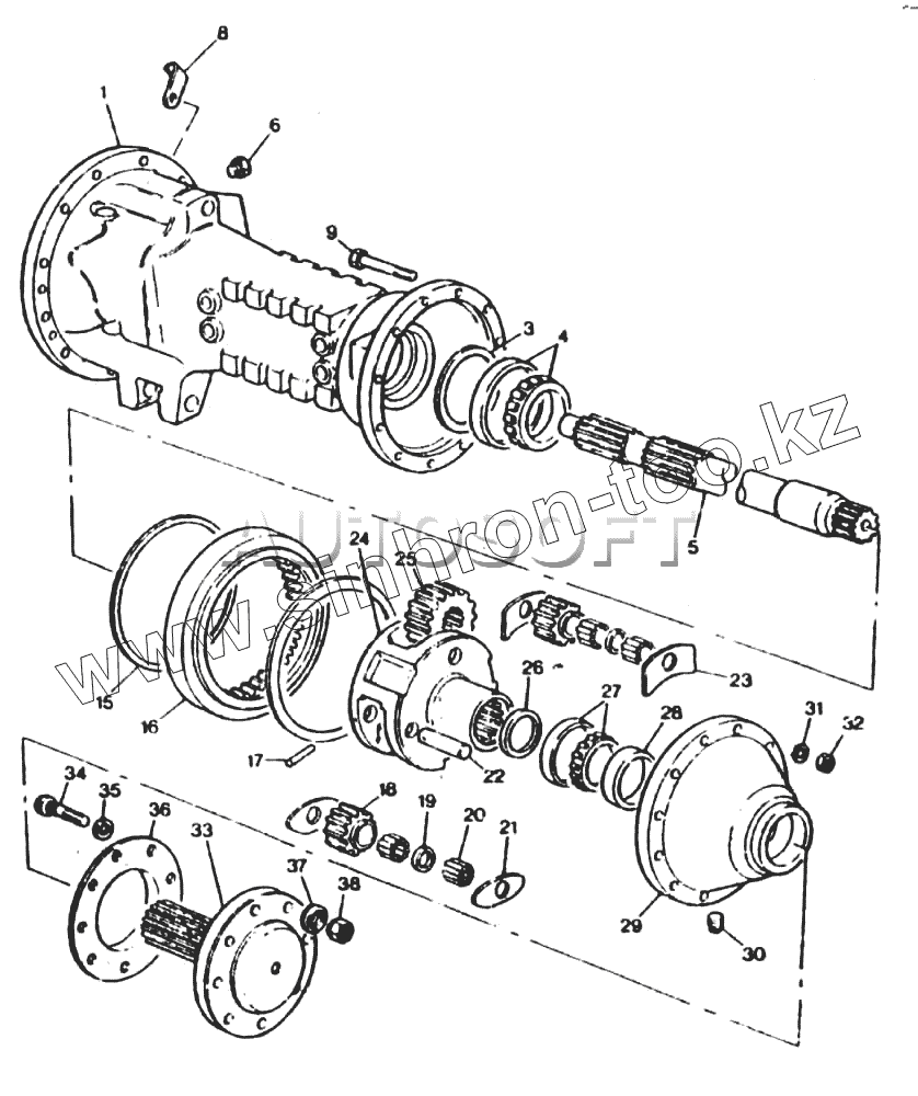
| Позиция на иллюстрации | Заводской номер детали | Название детали | |
|---|---|---|---|
| 3595143 М4 | 3595143 М4 | Корпус правый | |
| 1860973 М1 882491 М2 | 1860973 М1 882491 М2 | Вал | |
| 894758 М1 010, 25 мм | 894758 М1 010, 25 мм | Прокладка | |
| 894759 М1 015, 38 мм | 894759 М1 015, 38 мм | Прокладка | |
| 1 | 1666930 М4 | Корпус левый | |
| 3 | 894757 М1 005, 13 мм | Прокладка | |
| 4 | 1861106 М91 | Подшипник | |
| 5 | 882491 М2 1960973 М1 | Вал | |
| 6 | 358715х1 | Пробка | |
| 8 | 377433х1 | Пластина | |
| 9 | 338445х1 | Болт | |
| 15 | 3611458 М1 | Кольцо | |
| 16 | 1693732 М2 | Шестерня | |
| 17 | 1864852 М1 | Штифт | |
| 18 | 1693734 М1 | Шестерня | |
| 19 | 1693735 М1 | Шайба | |
| 20 | 1693736 М1 | Ролик | |
| 21 | 184441 М1 | Шайба | |
| 22 | 1864869 М1 | Вал | |
| 23 | 894867 М1 | Шайба | |
| 24 | 1864871 М3 | Водило | |
| 25 | 1693733 М1 | Шестерня | |
| 26 | 366141х1 | Кольцо | |
| 27 | 1860503 М93 | Подшипник | |
| 28 | 894763 М5 | Втулка | |
| 29 | 1860454 М2 | Крышка | |
| 30 | 347341х1 | Пробка | |
| 31 | 353432х1 | Шайба | |
| 32 | 353426х1 | Гайка | |
| 33 | 1808206 М3 | Вал | |
| 34 | 1459811 М2 | Болт | |
| 35 | 1679296 М1 | Шайба | |
| 36 | 894756 М1 | Уплотнение | |
| 37 | 1459813 М1 | Шайба | |
| 38 | 1459812 М2 | Гайка |
Содержащиеся в справочниках-каталогах запасные части и детали не предлагаются к продаже, а носят исключительно информационный характер