Каталог запасных частей к технике: Атек-2324-1. Мост передний
1
1
99
100
101
102
103
104
105
106
107
108
109
110
111
112
113
114
115
116
117
118
119
120
121
122
123
124
125
126
127
128
129
130
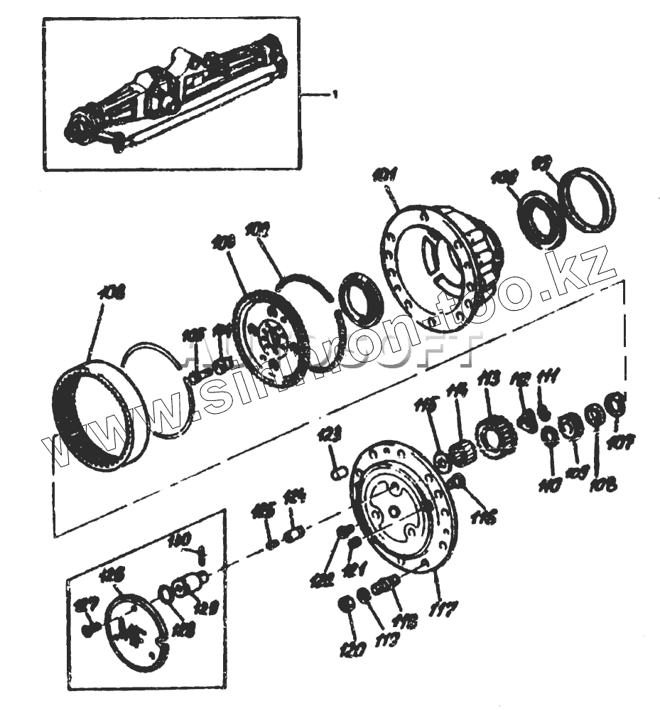
| Позиция на иллюстрации | Заводской номер детали | Название детали | |
|---|---|---|---|
| 3475606 М1 | 3475606 М1 | Втулка | |
| 1472357 М91 | 1472357 М91 | Вал карданный | |
| 3475614 М1 | 3475614 М1 | Шпилька | |
| 1 | 3615335 М91 N126180 2103 мм | Мост управляемый | |
| 1 | 3515334 М9 N126179 2103 мм | Мост управляемый | |
| 2 | 3311329 М91 | Корпус | |
| 2 | 3311331 М91 | Корпус | |
| 3 | 3311329 М91 | Корпус | |
| 3 | 3311331 М91 | Корпус | |
| 99 | 3475598 М1 | Уплотнение | |
| 100 | 3475599 М1 | Подшипник | |
| 101 | 3475000 М1 | Ступица | |
| 102 | 3523070 М1 | Кольцо | |
| 103 | 3523071 М1 | Водило | |
| 104 | 3476605 М1 | Втулка | |
| 105 | 3475604 М1 | Болт | |
| 106 | 3523072 М1 | Колесо зубчатое | |
| 107 | 3475607 М1 | Шайба | |
| 108 | 3475608 М1 | Распорка | |
| 109 | 3475594 М1 | Шестерня | |
| 110 | 3475595 М1 | Кольцо | |
| 111 | 3523098 М1 | Шайба | |
| 112 | 3523073 М1 | Шайба | |
| 113 | 3523074 М1 | Шестерня | |
| 114 | 3523075 М1 | Игольчатый подшипник | |
| 115 | 3475625 М1 | Шайба | |
| 116 | 3475612 М1 | Штифт | |
| 117 | 3523076 М1 | Водило | |
| 118 | 3475613 М1 | Шпилька | |
| 119 | 3475615 М1 | Шайба | |
| 120 | 3475616 М1 | Гайка | |
| 121 | 3475329 М1 | Пробка | |
| 122 | 3475622 М1 | Винт | |
| 123 | 3475618 М1 | Штифт | |
| 124 | 3523078 М1 | Ось | |
| 125 | 3523079 М1 | Пробка | |
| 126 | 3475624 М1 | Крышка | |
| 127 | 3475623 М1 | Винт | |
| 128 | 3475621 М1 | Кольцо | |
| 129 | 3476620 М1 | Вал | |
| 130 | 3475619 М1 | Штифт | |
| 131 | 3510519 М1 | Вал карданный | |
| 132 | [Вал карданный] | Вал карданный | |
| 133 | 3473680 М1 | Вилка | |
| 134 | 3473682 М1 | Уплотнение | |
| 135 | 835727 М91 | Подшипник | |
| 136 | [Вал] | Вал | |
| 137 | 339451х1 | Винт | |
| 138 | 1441932х1 | Гайка | |
| 139 | 1474689 М1 | Шпилька | |
| 140 | 1474694 М1 | Шайба | |
| 141 | 1474690 М1 | Гайка |
Содержащиеся в справочниках-каталогах запасные части и детали не предлагаются к продаже, а носят исключительно информационный характер