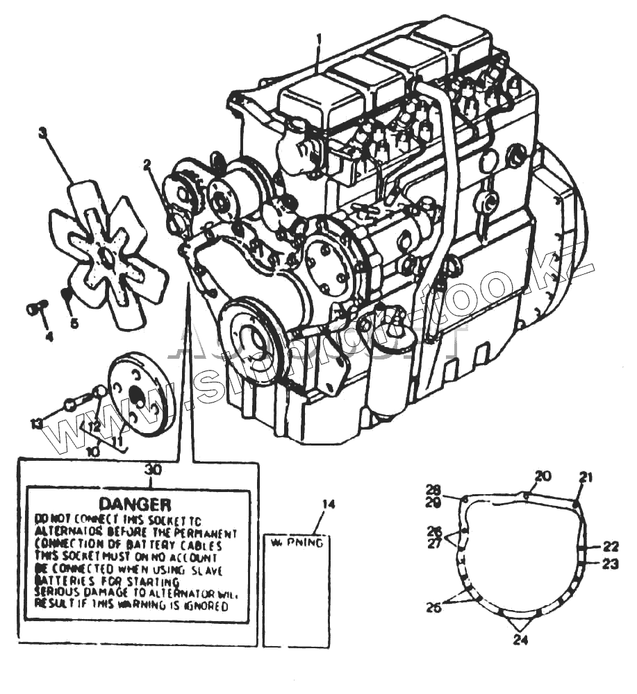
Каталог запасных частей к технике: Атек-2324-1. Двигатель
1
2
3
4
5
10
11
12
13
14
20
21
22
23
24
25
26
27
28
29
30
| Позиция на иллюстрации | Заводской номер детали | Название детали | |
|---|---|---|---|
| 1 | 3516332 М91 | Двигатель | |
| 2 | 1466798 М1 | Распорная гильза | |
| 3 | 5515430 М91 | Вентилятор | |
| 4 | 353521х1 | Болт | |
| 5 | 22756Х | Шайба | |
| 10 | 1456237 М91 | Пластина | |
| 11 | [Пластина] | Пластина | |
| 12 | 1456238 М1 | Втулка | |
| 13 | 1456240 М1 | Болт | |
| 14 | 3597128 М2 | Бирка | |
| 20 | 3019858х1 диам. М12х35 мм | Винт | |
| 21 | 3019851х1 диам. М12х45 мм | Болт | |
| 22 | 3019852х1 диам. М12х55 мм | Болт | |
| 23 | 825302 М1 | Штифт | |
| 24 | 3019851х1 диам. М12х45 мм | Болт | |
| 25 | 3019854х1 диам. М12х65 мм | Винт | |
| 26 | 3019854х1 диам. М12х65 мм | Винт | |
| 27 | 339369х1 | Шайба | |
| 28 | 3019851Х1 диам. М12х45 мм | Болт | |
| 29 | 3019862х1 | Гайка | |
| 30 | 847748 М1 | Бирка |
Содержащиеся в справочниках-каталогах запасные части и детали не предлагаются к продаже, а носят исключительно информационный характер