Вернуться на главную
Поиск
Каталоги запчастей к технике
Спецтехника
Атек
Атек-2324-1
Двигатель
Каталог запасных частей к технике: Атек-2324-1. Двигатель
zoom-in
zoom-out
enlarge
shrink
circle-right
circle-left
file-text2
info
cart
Тип техники
Не выбрано
Легковые автомобили
Грузовые автомобили и прицепы
Автобусы
Сельхозтехника
Спецтехника
Двигатели
Мототехника
Марка
Не выбрано
Ammann
BOMAG
CARMIX
CASE IH
Changlin
ChengGong
Dimex
Doosan
DYNAPAC
Foton
HAMM
Hidromek
Hitachi
Hyundai
JCB
JLG
John Deere
Komatsu
LIEBHERR
LiuGong
Lonking (LongGong)
Luneng
MANITOU
Mitsuber
New Holland
PENGPU
RM-Terex
SANY
SDLG
SEM
Shantui
Shehwa HBXG
Soosan
TIGARBO
VOGELE
Volvo
WAY
WIRTGEN
XCMG
XGMA
Xiamen
YTO
Yuchai
Zoomlion
Автокран
АЗСМ
Алтайлесмаш
Амкодор
АОМЗ
Атек
АТЗ
Балканкар Рекорд
БелАЗ
Беловеж
Борекс
Брянский Арсенал
Булат
ВЭКС
ГАЗ
Геомаш
Гидромаш
Донекс
Дормаш
Дормашина
Дорэлектромаш
ДЭЗ
ЕлАЗ
ЗЗГТ
Ижнефтемаш
Канаш-электрокар
КЗКТ
ККЗ
Клевер
Клинцовский автокрановый завод
КМЗ
КМЗ 1 Мая
Ковровец
Коммаш
Кранэкс
КЭЗ
КЭМЗ
ЛЗА
МАЗ
МЗИК
МЗКМ
МЗКТ
Михневский РМЗ
МоАЗ
Мозырский МЗ
МТЗ
ОЗП
Онежец
ПАО "ТЗА"
ППС Детва
Промтрактор
ПТЗ
Раскат
СпецАгрегат
ТВЭКС
ТТМ
УВЗ
Угличмаш
УЗТМ
ХТЗ
ЧЗКМ
ЧСДМ
ЧТЗ
ЭКСКО
ЭКСМАШ
ЮрМаш
Модель
Не выбрано
Атек-2324-1 (2005)
Атек-761
Атек-999Е (2006)
Э-5015А (1997)
ЭО-4321Б (1996)
ЭО-4321В (дополнение) (1997)
ЭОВ-4421 (1983)
Схема
>
Не выбрано
Кабинный модуль
Кабинный модуль
Кабинный модуль
Окно откидное
Ограничитель
Замок
Установка замка
Установка щитков
Отопитель
Капот
Двигатель
Двигатель
Двигатель
Двигатель
Двигатель
Двигатель
Двигатель
Двигатель
Двигатель
Двигатель
Двигатель
Двигатель
Двигатель
Двигатель
Двигатель
Система впускная
Система топливная
Гидроразводка топливной системы
Управление топливным насосом
Бак топливный
Система охлаждения
Мост передний
Мост передний
Мост передний
Мост передний
Мост задний
Гайка
Шасси
Рама
Рама
Рама поперечная
Брус передний
Управление КП
Управление блокировкой дифференциала
Управление экскавационным оборудованием
Управление погрузочным оборудованием
Блок управления
Колонка рулевая
Пульт управления
Система тормозная
Гидроразводка тормозов
Дисковый тормоз
Крышка гидравлического тормоза
Тормозной цилиндр
Электрооборудование
Электрооборудование
Установка аккумулятора
Аккумулятор
Щиток приборов
Гидроразводка обратной лопаты
Гидроразводка обратной лопаты
Гидроразводка обратной лопаты
Гидроразводка шасси
Гидрораспределитель
Гидроразводка погрузочного устройства
Гидроразводка погрузочного устройства
Гидроразводка погрузочного устройства
Гидроразводка поперечной рамы
Гидрораспределитель
Гидрораспределитель
Гидроцилиндр
Гидроцилиндр
Гидроцилиндр
Гидроцилиндр
Гидроцилиндр
Зажим
Гидроцилиндр
Гидроцилиндр
Установка гидробака
Гидрораспределитель
Гидрораспределитель
Гидроклапан предохранительный
Гидроклапан обратный
Гидроклапан предохранительный
Гидрораспределитель
Фильтр
Гидроклапан обратный
Гидроразводка поперечной рамы
Клапан управляемый
Гидроцилиндр
Гидроцилиндр
Гидроцилиндр
Гидроцилиндр
Насос с приводом
Рабочее оборудование
Устройство погрузочное
Устройство погрузочное
Устройство погрузочное
Устройство погрузочное
Устройство погрузочное
Ковш челюстной
Оборудование обратной лопаты
Оборудование обратной лопаты
Рукоять телескопическая
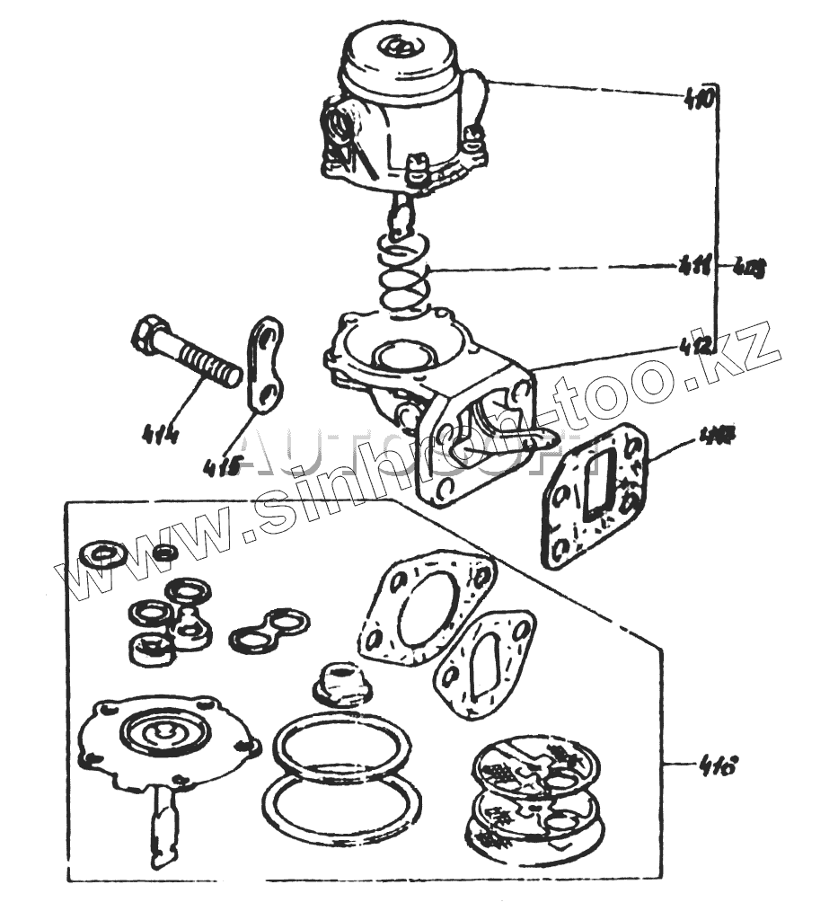
Основные сборочные единицы экскаватора - погрузчика АТЕК 2324-I
409
410
411
412
413
414
415
416
Позиция на иллюстрации
Заводской номер детали
Название детали
409
2641728
Насос
410
2641728
Насос
411
[Пружина]
Пружина
412
[Корпус]
Корпус
413
36861113
Соединение
414
2162429
Винт
415
36241316
Пластина
416
26410087
Запчасти
Содержащиеся в справочниках-каталогах запасные части и детали не предлагаются к продаже, а носят исключительно информационный характер
Дополнительная информация
×
Название:
Номер:
Примечание: