Вернуться на главную
Поиск
Каталоги запчастей к технике
Спецтехника
Ammann
AV 70X
Hydraulic system
Каталог запасных частей к технике: Ammann AV 70X. Hydraulic system
zoom-in
zoom-out
enlarge
shrink
circle-right
circle-left
file-text2
info
cart
Тип техники
Не выбрано
Легковые автомобили
Грузовые автомобили и прицепы
Автобусы
Сельхозтехника
Спецтехника
Двигатели
Мототехника
Марка
Не выбрано
Ammann
BOMAG
CARMIX
CASE IH
Changlin
ChengGong
Dimex
Doosan
DYNAPAC
Foton
HAMM
Hidromek
Hitachi
Hyundai
JCB
JLG
John Deere
Komatsu
LIEBHERR
LiuGong
Lonking (LongGong)
Luneng
MANITOU
Mitsuber
New Holland
PENGPU
RM-Terex
SANY
SDLG
SEM
Shantui
Shehwa HBXG
Soosan
TIGARBO
VOGELE
Volvo
WAY
WIRTGEN
XCMG
XGMA
Xiamen
YTO
Yuchai
Zoomlion
Автокран
АЗСМ
Алтайлесмаш
Амкодор
АОМЗ
Атек
АТЗ
Балканкар Рекорд
БелАЗ
Беловеж
Борекс
Брянский Арсенал
Булат
ВЭКС
ГАЗ
Геомаш
Гидромаш
Донекс
Дормаш
Дормашина
Дорэлектромаш
ДЭЗ
ЕлАЗ
ЗЗГТ
Ижнефтемаш
Канаш-электрокар
КЗКТ
ККЗ
Клевер
Клинцовский автокрановый завод
КМЗ
КМЗ 1 Мая
Ковровец
Коммаш
Кранэкс
КЭЗ
КЭМЗ
ЛЗА
МАЗ
МЗИК
МЗКМ
МЗКТ
Михневский РМЗ
МоАЗ
Мозырский МЗ
МТЗ
ОЗП
Онежец
ПАО "ТЗА"
ППС Детва
Промтрактор
ПТЗ
Раскат
СпецАгрегат
ТВЭКС
ТТМ
УВЗ
Угличмаш
УЗТМ
ХТЗ
ЧЗКМ
ЧСДМ
ЧТЗ
ЭКСКО
ЭКСМАШ
ЮрМаш
Модель
Не выбрано
AP 240 (2008)
AP 240 (2011)
AP 240 (2012)
ARP 35 (2015)
ARS122 (2018)
ARW 65 (2012)
ASC 100 (2011)
ASC 100 (2012)
ASC 100 (2012)
ASC 100 (2013)
ASC 110 (2011)
ASC 120 (2011)
ASC 170 (2014)
AV 110 X (2007)
AV 70X (2013)
AV110X (2014)
AV12-2 (2009)
AV16-2 (2009)
AV16-2K (2009)
AV20-2 (2009)
Схема
>
Не выбрано
Articulated tandem roller V70X
Engine
Engine
Contactor
Cooling system
Protective grid
Intake and exhaust pipe
Engine controls
Pump group
Drive
Drum
Left cover
Right cover
Yoke
Vibrator
Drum drive
Hub drum assembly
Tread
Speed sensor
Frame
Lower fixed scraper
Upper fixed scraper
Frame front
Frame rear
Steering joint
Swivel
Tank cap
Water tank
Spraying
Spraydown pipe
Ventilation grid
Cover
Fuel tank
Battery mounting
Tread
Cab
Operator platform
Cover
Cab part A
Ventilator
Ventilator
Cab part B
Cab part C
Roof
Cab bedding
Control
Travel controls
Complete seat
Cab seat
Platform seat
Cover hood
Lifting arm - cab
Heating
Housing
Hydraulic
Front drum hydraulic system
Front drum hydraulic equipment w/o lock
Rear drum hydraulic system
Rear drum hydraulic equipment w/o lock
Hydraulic system
Pump hydraulics
Cube
Cube
Hydraulic oil tank
Steering hydraulics
Cooling hydraulics
Lifting hydraulics
Electrical system
Electrical installation
Instrument panel
Instrument panel
Screed
Cab wiring
Display unit
Basic equipment
Signs
Cover
Plate
Option
Lower tilting scraper
Upper tilting scraper
Tank cap
Railing
Roof
Equipment cover
Railing
Folding box
Roof
Rear mirror
Windscreen wiper rear
Electrical system
Tread
Platform wiring
Warning light - cab
Warning light - operator platform
Reversing alarm
Auxiliary headlamps - cab
Auxiliary headlamps - operator platform
Auxiliary headlamps - operator platform
Registration plate lighting
Car radio
Tool kit
Attachment parts
Belt guard
Lifting arm - platform
Set of spare parts
Filter set of 500 mh
Edge cutter
Edge cutter
Hub
Roller
Edge cutter hydraulics
Cutter control wiring
Thermometer
Fan cover
Air conditioning system
Electrical installation
Fire extinguisher
Retractor belt
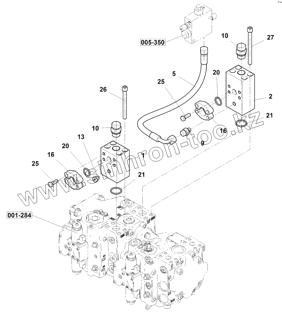
1
2
5
9
10
10
13
16
16
20
20
21
21
25
25
26
27
Позиция на иллюстрации
Заводской номер детали
Название детали
4-11209A
4-11209A
Hydraulic system
1
4-11026A
Cube
2
4-11049A
Cube
5
4-5160572350
Hydraulic hose
9
4-5160650149
Connector
10
4-5160650133
Connector
13
4-5160670114
Plug
16
4-5160580016
Yoke
20
4-6160142202
O-ring
21
4-6160142203
O-ring
25
4-3002510030
Hexagon head screw
26
4-3114312120
Socket head cap screw
27
4-3114312140
Socket head cap screw
Содержащиеся в справочниках-каталогах запасные части и детали не предлагаются к продаже, а носят исключительно информационный характер
Дополнительная информация
×
Название:
Номер:
Примечание: