Вернуться на главную
Поиск
Каталоги запчастей к технике
Спецтехника
Ammann
AV20-2
ESL 01-180 AV16K Scrapers AV16K
Каталог запасных частей к технике: Ammann AV20-2. ESL 01-180 AV16K Scrapers AV16K
zoom-in
zoom-out
enlarge
shrink
circle-right
circle-left
file-text2
info
cart
Тип техники
Не выбрано
Легковые автомобили
Грузовые автомобили и прицепы
Автобусы
Сельхозтехника
Спецтехника
Двигатели
Мототехника
Марка
Не выбрано
Ammann
BOMAG
CARMIX
CASE IH
Changlin
ChengGong
Dimex
Doosan
DYNAPAC
Foton
HAMM
Hidromek
Hitachi
Hyundai
JCB
JLG
John Deere
Komatsu
LIEBHERR
LiuGong
Lonking (LongGong)
Luneng
MANITOU
Mitsuber
New Holland
PENGPU
RM-Terex
SANY
SDLG
SEM
Shantui
Shehwa HBXG
Soosan
TIGARBO
VOGELE
Volvo
WAY
WIRTGEN
XCMG
XGMA
Xiamen
YTO
Yuchai
Zoomlion
Автокран
АЗСМ
Алтайлесмаш
Амкодор
АОМЗ
Атек
АТЗ
Балканкар Рекорд
БелАЗ
Беловеж
Борекс
Брянский Арсенал
Булат
ВЭКС
ГАЗ
Геомаш
Гидромаш
Донекс
Дормаш
Дормашина
Дорэлектромаш
ДЭЗ
ЕлАЗ
ЗЗГТ
Ижнефтемаш
Канаш-электрокар
КЗКТ
ККЗ
Клевер
Клинцовский автокрановый завод
КМЗ
КМЗ 1 Мая
Ковровец
Коммаш
Кранэкс
КЭЗ
КЭМЗ
ЛЗА
МАЗ
МЗИК
МЗКМ
МЗКТ
Михневский РМЗ
МоАЗ
Мозырский МЗ
МТЗ
ОЗП
Онежец
ПАО "ТЗА"
ППС Детва
Промтрактор
ПТЗ
Раскат
СпецАгрегат
ТВЭКС
ТТМ
УВЗ
Угличмаш
УЗТМ
ХТЗ
ЧЗКМ
ЧСДМ
ЧТЗ
ЭКСКО
ЭКСМАШ
ЮрМаш
Модель
Не выбрано
AP 240 (2008)
AP 240 (2011)
AP 240 (2012)
ARP 35 (2015)
ARS122 (2018)
ARW 65 (2012)
ASC 100 (2011)
ASC 100 (2012)
ASC 100 (2012)
ASC 100 (2013)
ASC 110 (2011)
ASC 120 (2011)
ASC 170 (2014)
AV 110 X (2007)
AV 70X (2013)
AV110X (2014)
AV12-2 (2009)
AV16-2 (2009)
AV16-2K (2009)
AV20-2 (2009)
Схема
>
Не выбрано
ESL 01-010 AV12 Drum / Vibration
ESL 01-020 AV12 Drum support
ESL 01-040 AV16 Drum / Vibration
ESL 01-050 AV16 Drum support
ESL 01-070 AV20 Drum / Vibration
ESL 01-080 AV20 Drum support
ESL 01-100 AV12 Scraper front AV12
ESL 01-110 AV12 Scraper rear AV12
ESL 01-120 AV16 Scraper front AV16
ESL 01-130 AV16 Scraper rear AV16
ESL 01-140 AV20 Scaper front AV20
ESL 01-150 AV20 Scraper rear AV20
ESL 01-160 AV1 Pressurized sprinkling system AV12-20
ESL 01-170 AV16K Rear axle (tyre) AV16-2K
ESL 01-180 AV16K Scrapers AV16K
ESL 01-190 AV16K Pressurized sprinkling system AV1-2K
ESL 01-200 AV16K Seperating fluid tank AV16-2K
ESL 02-010 AV1 Chassis front AV1
ESL 02-020 AV1 Engine hood compl. AV1
ESL 02-030 AV1 Chassis rear AV1
ESL 02-040 AV1 Fuel tank AV1-2
ESL 02-050 AV1 Operator platform AV1-2
ESL 02-055 AV16K Operator platform AV16-2K
ESL 02-060 AV1 Steering wheel, column AV1
ESL 02-070 AV1-2 Driver seat AV1-2
ESL 02-080 AV1 Drive lever AV1
ESL 02-100 AV1 Watertank AV1-2
ESL 02-140 AVM Folding Rops AV1-2
ESL 03-010 AV2 Stabilizer bar
ESL 03-020 AV1 Articulation joint AV1-2
ESL 03-030 AV1 Steering cylinder AV1
ESL 04-010 AV1-2 Engine attachments AV1-2
ESL 04-015 AV1-2 Engine attachements AV1-2
ESL 04-020 AV1 Engine electrical parts AV1
ESL 04-030 Cooler AV1-2
ESL 04-040 AV1-2 Air filter AV1-2
ESL 04-050 AV1-2 Exhaust muffler AV1-2
ESL 04-060 AV1 Service / Electro parts AV1
ESL 04-070 AV1 Travel pump AV1
ESL 04-080 AV1 Gear pump AV1
ESL 05-010 AV1 Oil cooler AV1
ESL 05-020 AV1 Hydr. Tank AV1-2
ESL 05-030 AV1-2 Vibration valve AV1-2
ESL 05-040 AV1 Emergenc stop valve bloc AV1
ESL 05-050 AV1-2 Hoses for drive AV1-2
ESL 05-060 AV16-2K Hoses drive AV16K
ESL 05-070 AV1-2 Suction- + Leak, pipe AV1
ESL 05-080 AV16K Suction- + Leak, pipe AV16K
ESL 05-090 AV1 Hoses for steering
ESL 05-100 AV1-2 Hoses for brake AV1-2
ESL05-110AV16K Hoses for brake AV16K
ESL 05-120 AV1-2 Hoses for vibration AV1-2
ESL 05-130 AV16K Hoses for vibration AV16K
ESL 06-010 AV1 Battery AV1 -2
ESL 06-020 AVM Relay holder AVM-2
ESL 06-030 AVM Instrument panel AVM-2
ESL 07-010 AV1 Lighting AV1
ESL 07-015 AVM Work light
ESL 07-020 AV1-2 Italokit AV1-2
ESL 07-050 AVM Rotary warning beacon AVM-2
ESL 07-055 AVM Rotary warning beacon with Top
ESL 07-060 AV1 Back-up signal AV1
ESL 07-080 AVM Interval sprinkling AVM-2
ESL 07-085 AVM-2 Vibration automatic
ESL 07-086 AVM-2 Roll Over Preventative
ESL 07-090 AV1 Battery disconnecting switch AV1-2
ESL 07-100 AVM Armrests AVM
ESL 07-105 AVM-2 Seat heating AVM-2
ESL 07-110 AV1 Delayed seat contact
ESL 07-120 AV1-2 Edge cutter AV1-2
ESL07-130AV1 Control unit KSG AV1-2
ESL 07-140 AV1 Valves for KSG AV1-2
ESL 07-160 AV1 Hoses for KSGAV1
ESL07-170AVM Control system KSG AVM-2
ESL07-175AVM-2 Control system KSG w. joystick
ESL 07-180 AV1 Top AV1-2
ESL 07-190 AV1 Tarpaulin for operator platform
ESL 08-010AV12-2 Decals AV12-2
ESL 08-020AV16-2 Decals AV16-2
ESL 08-030 AV16-2K Decals AV16-2K
ESL 08-040 AV20-2 Decals AV20-2
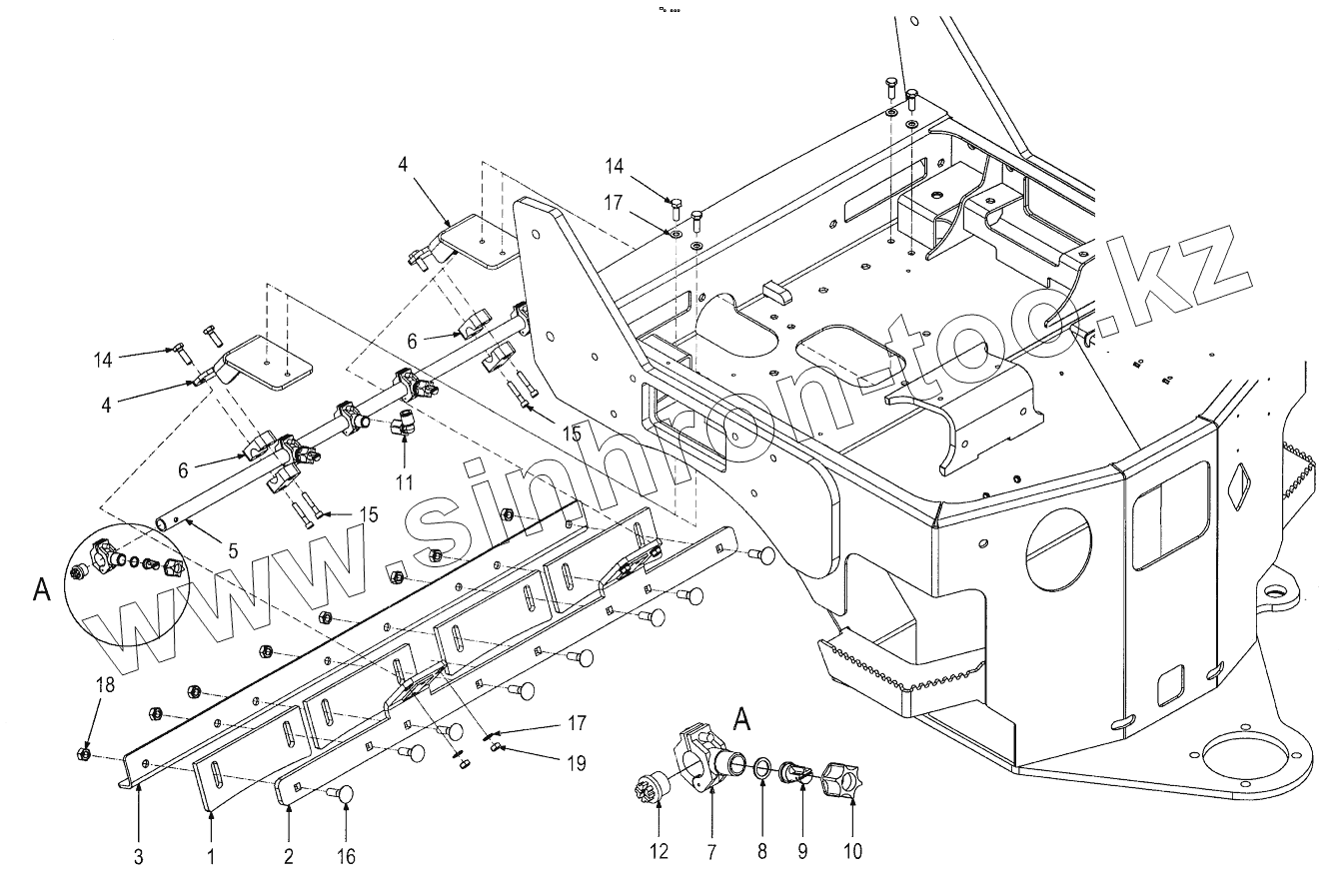
1
2
3
4
4
5
6
6
7
8
9
10
11
12
14
14
15
15
16
17
17
18
19
Позиция на иллюстрации
Заводской номер детали
Название детали
1
1-824003
Stripper
2
1-30006033
Stripper plate
3
1-30006037
Angle plate zu Abstreifer
4
1-30006039
Stripper Halterung
5
1-30003905
Sprinkler pipe
6
1-903726
Half cup
7
1-491751
Clamp
8
1-491752
Sealing ring
9
1-491753
Flat jet nozzle
10
1-491754
Coupling nut
11
1-952985
Angle bolt
12
1-923408
Screwed plug
14
J901764
Hexagon head screw
15
1-902682
Cheese head screw
16
1-921649
Flat head screw
17
1-902277
Washer
18
J902125
Hexagon nut
19
J902124
Hexagon nut
Содержащиеся в справочниках-каталогах запасные части и детали не предлагаются к продаже, а носят исключительно информационный характер
Дополнительная информация
×
Название:
Номер:
Примечание: