Каталог запасных частей к технике: Ammann AV110X. Cab bedding
1
2
2
3
3
3
3
4
4
4
4
5
5
5
5
6
6
7
7
8
8
9
9
10
10
10
10
11
11
12
12
12
12
13
13
13
13
14
14
15
15
16
16
16
16
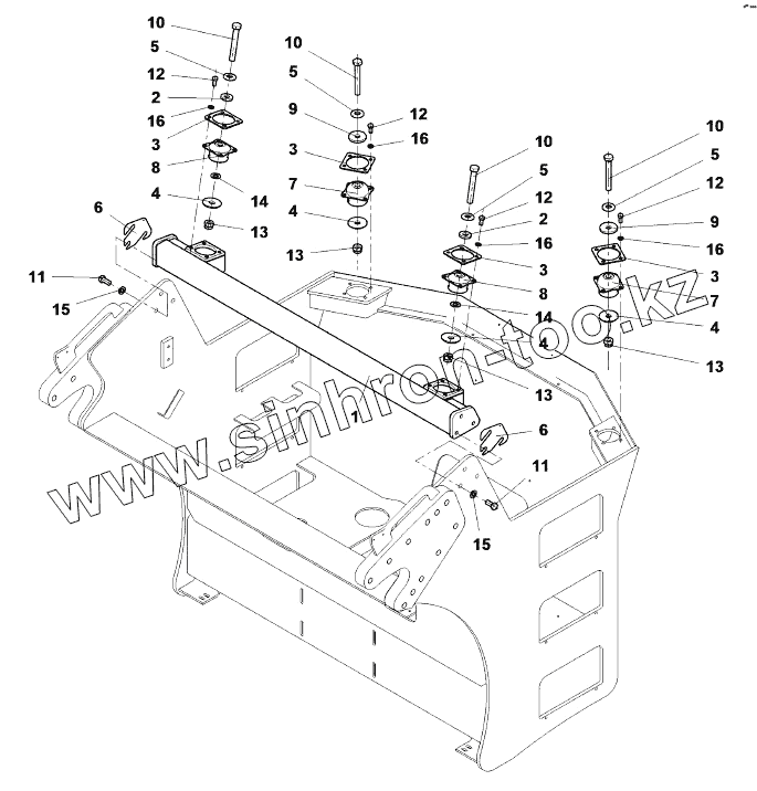
| Позиция на иллюстрации | Заводской номер детали | Название детали | |
|---|---|---|---|
| 4-03729А | 4-03729А | Cab support | |
| 1 | 4-03757А | Transverse beam | |
| 2 | 4-08775А | Washer | |
| 3 | 4-05711А | Washer | |
| 4 | 4-04617A | Washer | |
| 5 | 4-08559А | Washer | |
| 6 | 4-09032А | Washer | |
| 7 | 1160051 | Rubber mount | |
| 8 | 1160052 | Rubber mount | |
| 9 | 4-439406 | Fuse | |
| 10 | 4-3001520140 | Hexagon head screw | |
| 11 | 4-3002516040 | Hexagon head screw | |
| 12 | 4-3002512025 | Hexagon head screw | |
| 13 | 4-3149200200 | Nut | |
| 14 | 4-3170200210 | Washer | |
| 15 | 4-3170600170 | ШАЙБА | |
| 16 | 4-3900017120 | Spring washer |
Содержащиеся в справочниках-каталогах запасные части и детали не предлагаются к продаже, а носят исключительно информационный характер