Вернуться на главную
Поиск
Каталоги запчастей к технике
Спецтехника
Ammann
ASC 170
Measurement point
Каталог запасных частей к технике: Ammann ASC 170. Measurement point
zoom-in
zoom-out
enlarge
shrink
circle-right
circle-left
file-text2
info
cart
Тип техники
Не выбрано
Легковые автомобили
Грузовые автомобили и прицепы
Автобусы
Сельхозтехника
Спецтехника
Двигатели
Мототехника
Марка
Не выбрано
Ammann
BOMAG
CARMIX
CASE IH
Changlin
ChengGong
Dimex
Doosan
DYNAPAC
Foton
HAMM
Hidromek
Hitachi
Hyundai
JCB
JLG
John Deere
Komatsu
LIEBHERR
LiuGong
Lonking (LongGong)
Luneng
MANITOU
Mitsuber
New Holland
PENGPU
RM-Terex
SANY
SDLG
SEM
Shantui
Shehwa HBXG
Soosan
TIGARBO
VOGELE
Volvo
WAY
WIRTGEN
XCMG
XGMA
Xiamen
YTO
Yuchai
Zoomlion
Автокран
АЗСМ
Алтайлесмаш
Амкодор
АОМЗ
Атек
АТЗ
Балканкар Рекорд
БелАЗ
Беловеж
Борекс
Брянский Арсенал
Булат
ВЭКС
ГАЗ
Геомаш
Гидромаш
Донекс
Дормаш
Дормашина
Дорэлектромаш
ДЭЗ
ЕлАЗ
ЗЗГТ
Ижнефтемаш
Канаш-электрокар
КЗКТ
ККЗ
Клевер
Клинцовский автокрановый завод
КМЗ
КМЗ 1 Мая
Ковровец
Коммаш
Кранэкс
КЭЗ
КЭМЗ
ЛЗА
МАЗ
МЗИК
МЗКМ
МЗКТ
Михневский РМЗ
МоАЗ
Мозырский МЗ
МТЗ
ОЗП
Онежец
ПАО "ТЗА"
ППС Детва
Промтрактор
ПТЗ
Раскат
СпецАгрегат
ТВЭКС
ТТМ
УВЗ
Угличмаш
УЗТМ
ХТЗ
ЧЗКМ
ЧСДМ
ЧТЗ
ЭКСКО
ЭКСМАШ
ЮрМаш
Модель
Не выбрано
AP 240 (2008)
AP 240 (2011)
AP 240 (2012)
ARP 35 (2015)
ARS122 (2018)
ARW 65 (2012)
ASC 100 (2011)
ASC 100 (2012)
ASC 100 (2012)
ASC 100 (2013)
ASC 110 (2011)
ASC 120 (2011)
ASC 170 (2014)
AV 110 X (2007)
AV 70X (2013)
AV110X (2014)
AV12-2 (2009)
AV16-2 (2009)
AV16-2K (2009)
AV20-2 (2009)
Схема
>
Не выбрано
Spare part catalogue ASC 170
ASC 170 Engine
Engine
Ventilation
Draining engine
Set of pumps
Fan CE
Cooling system
Draining cooling
Intake and exhaust pipe
Heating connection
ASC 170 Drive
Drum
Drive
Shock Mounts
Vibrator
Clutch vibration
Drive motor HT
Drum drive D/HD
Tyred wheel
Tyred wheel
Right wheel
Left wheel
Final drive D
ASC 170 Frame
Frame
Smooth scraper
Joint
Hose holder
Frame rear
Tank cap
Noise damping
Left stairs
Right stairs
Running board
Tread
Wheel hydraulic motor cover
Tank cover
Cover
Thermal barrier
Tank accessories
Screen
Suspension
Left hatch
Right hatch
Joint lock
Toolbox
Door
Blinding frame
Protective frame
Running board
ASC 170 Cab
Operator platform
Cabin equipment
Operator seat
Panel
Cab - weldment
Cab part A
Cab part B
Cab part C
Cabin equipment
Cab set without air conditioning
Platform mounting
Control
Cover
Cover hood
Cover hood
Noise damping
Fender apron
Heating
Heating
Electrical installation
ASC 170 Hydraulic
Driving hydraulics
Drum hydraulics
Blocking hydraulics
Blocking hydraulics RTM
Vibration hydraulics
Steering hydraulics
Hydraulic tank-hand
Steer cylinder
Hydraulic lifting-hand
Fluid motor
Fluid motor
Fluid motor
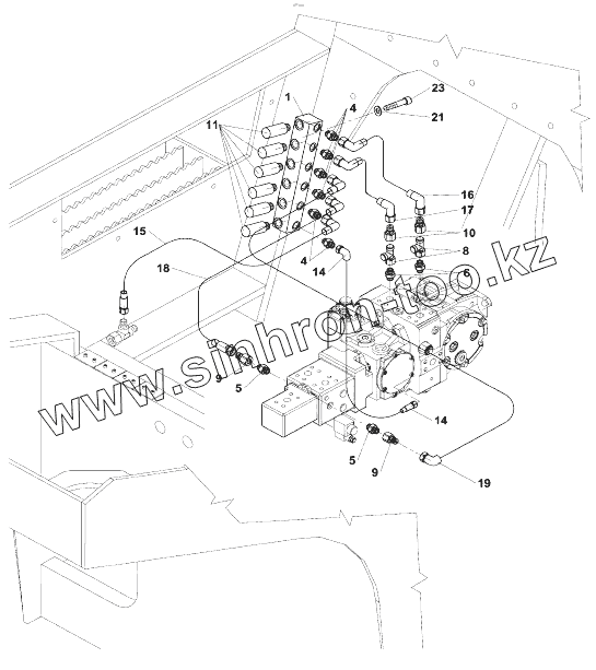
Measurement point
ASC 170 Electrical system
Electrical system
Instrument panel
Cab wiring
Windscreen wiper rear
Lock control wiring
Front headlamps
Rear headlamps
MURPHY Display unit
ASC 170 Basic equipment
Signs
Signs
Signs
Signs - Cab
Signs - Operator platform
Signs
Cover
Plate
Signs
Accessories
ASC 170 Option
Rammer butt drum
Fluid motor HT
HT Drum drive
Set of wheels
Padfoot scraper
Contact scraper
Tank cap
Lock
Final drive HT
Final drive HD
Fan without CE
Drain cock
Operator platform+Railing
Panel
Roof FOPS
Cover
Pre-filter
Headlight holder
Spotlight holder
Battery cover
Module RTM HD
Module RTM D/HT
Hydraulic tank-electrica
Hydraulic lifting-electrical
Fluid motor
Fluid motor
Fluid motor
Measurement point
Lamps
Turn signal AU
Turn signal
Warning light
Differential lock
Reversing alarm
Cab lifting wiring
Stroke signal
Lamp
Registration plate lighting
Rear reflector
Printer ACE
Display unit ACE Force
Electrical installation ACE force
Housing
Holding Bow
Car radio
Left hatch
Left hatch
Right hatch
Right hatch
Plate
Tool kit
Service kit 500 EH
Segment
Fan cover
Alternator cover with air conditioning
Alternator cover without air conditionig
Air conditioning system
Air conditioning - cab set
Air conditioning - engine set
Air conditioning - cooler set
Air conditioning - hose set
Fire extinguisher
Tyre inflation system
Canvas canopy for the revolving light
Roof tarpaulin
Roof support
Roof
Tachograph
Compactometer ACD 2
Compaction measuring device ACl+printer
Holder
Compaction measuring device ADC
Holder
Compaction measuring device AG
Holder
Shaft encoder
Frame ROPS 2D
Retractor belt
1
4
4
5
5
6
8
9
9
10
11
14
14
15
16
17
18
19
21
23
Позиция на иллюстрации
Заводской номер детали
Название детали
4-107576
4-107576
MeasuRing point
1
4-319850
Cube
4
4-5160650103
Connector
5
4-5160650042
МУФТА
6
4-5160650061
Connector
8
4-5160670065
L-connection
9
4-5160670093
Reduction
10
4-5160670098
Reduction
11
4-5160660023
Clutch
14
4-5160572164
Hydr hose
15
4-5160570642
Hydr hose
16
4-5160570639
Hydr hose
17
4-5160570640
Hydr hose
18
4-5160570641
Hydr hose
19
4-5160570811
Hydr hose
21
4-3900017080
Spring washer
23
4-3114308025
Socket head cap screw
Содержащиеся в справочниках-каталогах запасные части и детали не предлагаются к продаже, а носят исключительно информационный характер
Дополнительная информация
×
Название:
Номер:
Примечание: