Каталог запасных частей к технике: Ammann ASC 170. Cooling system
1
2
4
5
6
7
10
13
15
16
17
18
21
21
22
23
23
24
24
25
26
27
28
32
33
34
35
36
37
38
38
38
39
40
41
42
42
42
43
43
44
44
45
45
45
45
45
49
52
52
52
53
54
54
54
54
58
58
59
64
65
66
66
66
67
67
67
69
69
69
69
70
70
70
70
71
71
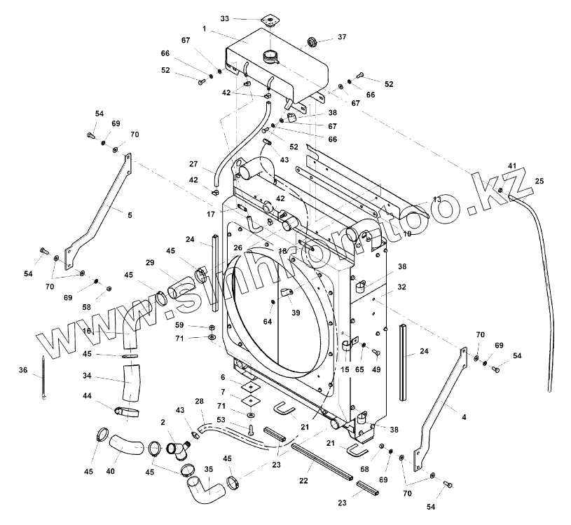
| Позиция на иллюстрации | Заводской номер детали | Название детали | |
|---|---|---|---|
| 4-107384 | 4-107384 | Cooling system | |
| 1 | 4-107378 | Tank | |
| 2 | 4-443578 | Pipeline | |
| 4 | 4-211011 | Strut | |
| 5 | 4-211012 | Strut | |
| 6 | 4-443591 | Spacer | |
| 7 | 4-443445 | Spacer | |
| 10 | 4-443608 | Spacer | |
| 13 | 4-211014 | Plate | |
| 15 | 4-443599 | Clip | |
| 16 | 4-325351 | Pipe | |
| 17 | 4-443709 | Spacer | |
| 18 | 4-443710 | Spacer | |
| 21 | 4-613769 | Surround | |
| 22 | 4-613749 | Gasket | |
| 23 | 4-613750 | Gasket | |
| 24 | 4-613805 | Gasket | |
| 25 | 4-613807 | Hose | |
| 26 | 4-613752 | Hose | |
| 27 | 4-613764 | Hose | |
| 28 | 4-613751 | Hose | |
| 32 | 1192814 | Oil-water-air cooler | |
| 33 | 4-9500000057 | Plug | |
| 34 | 4-9500000309 | Manifold | |
| 35 | 4-6160084037 | Elbow | |
| 36 | 4-6150051017 | Staple strip | |
| 37 | 4-5536860011 | Inspection glass | |
| 38 | 4-5531020095 | Clip | |
| 39 | 4-5160571979 | Hose clip | |
| 40 | 4-9200000066 | РЕЗИНОВОЙЕ КОЛЕНО | |
| 41 | 4-5531020061 | Clip | |
| 42 | 4-5531020002 | Hose clamp | |
| 43 | 4-5531020074 | Hose clamp | |
| 44 | 4-5531020070 | Hose clamp | |
| 45 | 4-5531020075 | Hose clamp | |
| 49 | 4-3002506016 | Hexagon head screw | |
| 52 | 4-3002508025 | Hexagon head screw | |
| 53 | 4-3002512040 | Hexagon head screw | |
| 54 | 4-3002510030 | Hexagon head screw | |
| 58 | 4-3530021100 | Nut | |
| 59 | 4-3530020120 | Nut | |
| 64 | 4-3172900066 | Washer | |
| 65 | 4-3900017060 | Spring washer | |
| 66 | 4-3900017080 | Spring washer | |
| 67 | 4-3170200084 | ШАЙБА | |
| 69 | 4-3900017100 | Spring washer | |
| 70 | 4-3679600100 | Strain washer | |
| 71 | 4-3679600130 | Strain washer |
Содержащиеся в справочниках-каталогах запасные части и детали не предлагаются к продаже, а носят исключительно информационный характер