Вернуться на главную
Поиск
Каталоги запчастей к технике
Спецтехника
Ammann
ASC 110
Drum hydraulics D/HD
Каталог запасных частей к технике: Ammann ASC 110. Drum hydraulics D/HD
zoom-in
zoom-out
enlarge
shrink
circle-right
circle-left
file-text2
info
cart
Тип техники
Не выбрано
Легковые автомобили
Грузовые автомобили и прицепы
Автобусы
Сельхозтехника
Спецтехника
Двигатели
Мототехника
Марка
Не выбрано
Ammann
BOMAG
CARMIX
CASE IH
Changlin
ChengGong
Dimex
Doosan
DYNAPAC
Foton
HAMM
Hidromek
Hitachi
Hyundai
JCB
JLG
John Deere
Komatsu
LIEBHERR
LiuGong
Lonking (LongGong)
Luneng
MANITOU
Mitsuber
New Holland
PENGPU
RM-Terex
SANY
SDLG
SEM
Shantui
Shehwa HBXG
Soosan
TIGARBO
VOGELE
Volvo
WAY
WIRTGEN
XCMG
XGMA
Xiamen
YTO
Yuchai
Zoomlion
Автокран
АЗСМ
Алтайлесмаш
Амкодор
АОМЗ
Атек
АТЗ
Балканкар Рекорд
БелАЗ
Беловеж
Борекс
Брянский Арсенал
Булат
ВЭКС
ГАЗ
Геомаш
Гидромаш
Донекс
Дормаш
Дормашина
Дорэлектромаш
ДЭЗ
ЕлАЗ
ЗЗГТ
Ижнефтемаш
Канаш-электрокар
КЗКТ
ККЗ
Клевер
Клинцовский автокрановый завод
КМЗ
КМЗ 1 Мая
Ковровец
Коммаш
Кранэкс
КЭЗ
КЭМЗ
ЛЗА
МАЗ
МЗИК
МЗКМ
МЗКТ
Михневский РМЗ
МоАЗ
Мозырский МЗ
МТЗ
ОЗП
Онежец
ПАО "ТЗА"
ППС Детва
Промтрактор
ПТЗ
Раскат
СпецАгрегат
ТВЭКС
ТТМ
УВЗ
Угличмаш
УЗТМ
ХТЗ
ЧЗКМ
ЧСДМ
ЧТЗ
ЭКСКО
ЭКСМАШ
ЮрМаш
Модель
Не выбрано
AP 240 (2008)
AP 240 (2011)
AP 240 (2012)
ARP 35 (2015)
ARS122 (2018)
ARW 65 (2012)
ASC 100 (2011)
ASC 100 (2012)
ASC 100 (2012)
ASC 100 (2013)
ASC 110 (2011)
ASC 120 (2011)
ASC 170 (2014)
AV 110 X (2007)
AV 70X (2013)
AV110X (2014)
AV12-2 (2009)
AV16-2 (2009)
AV16-2K (2009)
AV20-2 (2009)
Схема
>
Не выбрано
Spare part catalogue ASC 110
ASC 110 Engine
Engine
Ventilation grid
Discharge
Fan
Set of pumps D
Cooling system
Discharge
Intake and exhaust pipe
Heating connection
ASC 110 Drive
Smooth drum
Drive and Vibration mechanism D
Fluid motor
Shock Mounts
Vibrator D
Drive motor D
Drum drive D/HD
Drum
Scraper
Hose holder D
Final drive D
ASC 110 Frame
Frame front
Joint
Rear frame
Tank cap
Noise damping
Left stairs
Right stairs
Running board
Tread
Cover
Cover
Thermal barrier
Tank accessories
Holder
Screen
Suspension
Left hatch
Door
Joint lock
Toolbox
Door
Dummy plug ACE
Protective frame
Running board
ASC 110 Cockpit
Operator platform
Operator platform
Pipe
Platform – equipment
Operator seat
Panel
Cab
Cockpit
Cockpit
Cockpit
Cab
Set
Platform mounting
Control
Cover
Cover hood
Cover hood
Noise damping
Fender apron
Heating
Heating
ASC 110 Hydraulic
Driving hydraulics
Drum hydraulics D/HD
Hydraulic
Vibration hydraulics D
Steering hydraulics
Hydraulic oil tank
Steer cylinder
Lifting hydraulics
Fluid motor
Hydraulic cylinder
Fluid motor
Hydraulic cylinder
Fluid motor
Hydraulic cylinder
Hand pump
Housing
Piston
Measuring point
ASC 110 Electrical installation
Electrical installation
Instrument panel
Operating lever
Cab wiring
Scraper
Scraper
Scraper
Lock control wiring
Front headlamps
Rear headlamps
MURPHY Display unit
Basic equipment
Signage
Plate
Signage
Set
Accessories
Option
Rammer butt drum
Drive and Vibration mechanism PD
Fluid motor
Vibrator PD
Drum
Drum
Drum
Scraper
Hose holder
Final drive HD
Set of pumps
Vibration hydraulics
Drive motor PD
Drive motor HT
HT Drum drive
Wheel assembly
Scraper
Joint lock
Signage
Tank cap
Lock
Final drive HT
Ventilator
Drain cock
Roof FOPS
Railing
Cover
Cover
Pre-filter
Spotlight holder
Spotlight holder
Battery cover
Drum hydraulics HD
Module
Module
Hydraulic
Hydraulic oil tank
Lifting hydraulics
Fluid motor
Hydraulic cylinder
Fluid motor
Hydraulic cylinder
Fluid motor
Hydraulic cylinder
Hand pump
Housing
Piston
Measuring point
Measuring point
Railing wiring
Turn signal
Turn signal
Warning light
Differential lock
Reversing alarm
Cab lifting wiring
Stroke signal
Light front
Lamp
Registration plate lighting
Rear reflector
Running board
Cover
Left hatch
Left hatch
Right hatch
Right hatch
Tool kit
Set of spare parts
Set of spare parts
Dozer blade
Dozer blade lock
Blade controls
Blade controls
Segment
Screw clamp
Fan cover
Cover
Cover
Air conditioning system
Fire extinguisher
Padlock
Tyre inflation system
Roof tarpaulin
Roof tarpaulin
Roof support
Roof
Roof
Roof
Roof FOPS
Tachograph
Compactometer
Holder
Compactometer
Holder
Compactometer
Holder
Shaft encoder
Frame ROPS 2D
Retractor belt
1
3
4
4
4
6
7
7
7
10
10
11
11
13
15
17
19
21
21
23
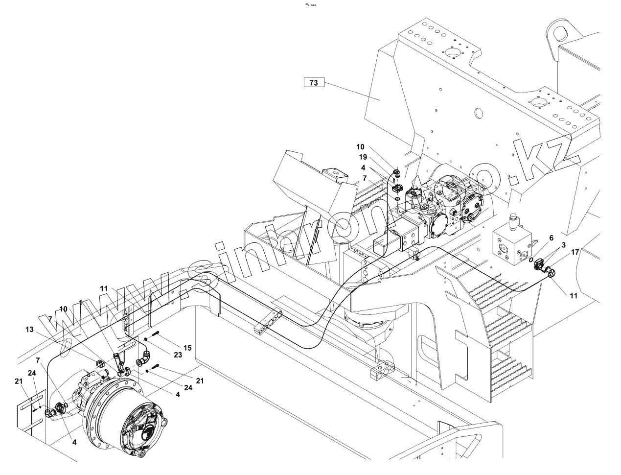
Позиция на иллюстрации
Заводской номер детали
Название детали
4-107663
4-107663
Drum hydraulics
1
4-324951
Holder
3
4-5160580015
Semi-flange
4
4-5160580016
Yoke
6
4-6160142201
O-ring
7
4-6160142202
O-ring
10
4-5160570814
Hose
11
4-5160572556
Hose pipe
13
4-5160580006
Clip
15
4-3114306028
Socket head cap screw
17
4-3001508030
Hexagon head screw
19
4-3002510030
Hexagon head screw
21
4-3002510035
БОЛТ
23
4-3170200064
ШАЙБА
Содержащиеся в справочниках-каталогах запасные части и детали не предлагаются к продаже, а носят исключительно информационный характер
Дополнительная информация
×
Название:
Номер:
Примечание: