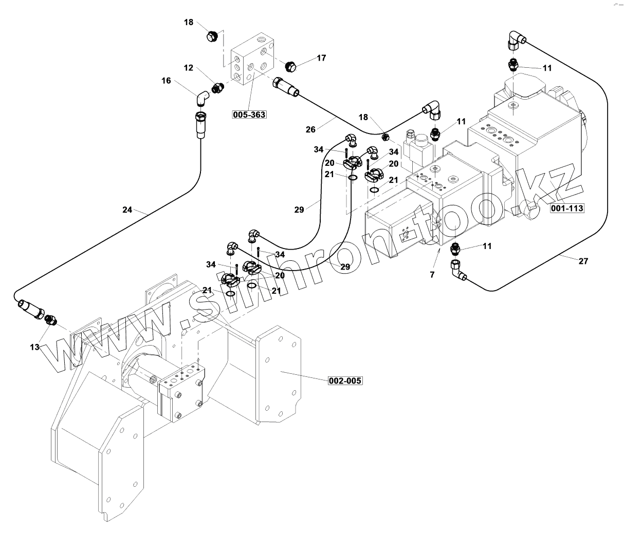
Каталог запасных частей к технике: Ammann ASC 100. Vibration hydraulics
7
11
11
11
12
13
16
17
18
18
20
20
20
21
21
21
21
24
26
27
29
29
34
34
34
34
| Позиция на иллюстрации | Заводской номер детали | Название детали | |
|---|---|---|---|
| 4-107118 | 4-107118 | Vibration hydraulics | |
| 7 | 4-9540000141 | Dummy plug | |
| 11 | 4-5160650031 | Screwed connection | |
| 12 | 4-5160650014 | Connector | |
| 13 | 4-5160650086 | Connector | |
| 16 | 4-5160670029 | Screwed connection | |
| 17 | 4-5160670034 | Plug | |
| 18 | 4-5160670040 | Plug | |
| 20 | 4-5160580016 | Yoke | |
| 21 | 4-6160142202 | O-ring | |
| 24 | 4-5160571655 | Hydraulic hose | |
| 26 | 4-5160570289 | Hydraulic hose | |
| 27 | 4-5160571649 | Hydraulic hose | |
| 29 | 4-5160571663 | Hydraulic hose | |
| 34 | 4-3001510035 | Hexagon head screw | |
| 48 | 4-6150051019 | Staple strip |
Содержащиеся в справочниках-каталогах запасные части и детали не предлагаются к продаже, а носят исключительно информационный характер