Каталог запасных частей к технике: Ammann ARS122. Lifting hydraulics
1
1
2
3
4
5
5
6
7
8
8
9
9
10
11
11
11
11
12
12
13
13
14
15
16
17
18
19
19
20
20
20
21
22
23
24
25
25
25
26
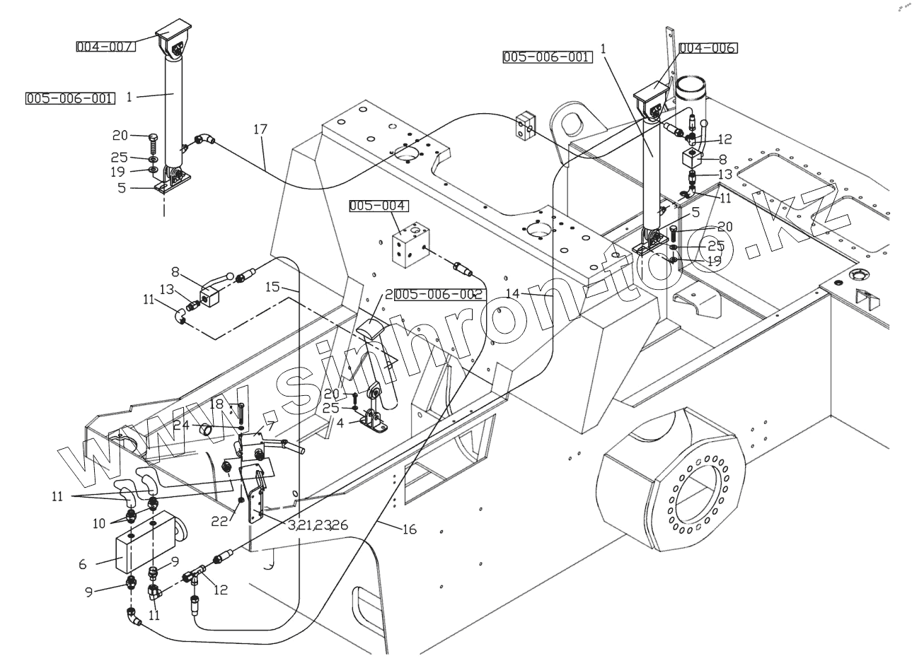
| Позиция на иллюстрации | Заводской номер детали | Название детали | |
|---|---|---|---|
| 1472294 | 1472294 | Lifting hydraulics | |
| 1 | 4-209500 | Hydraulic cylinder | |
| 2 | 1472295 | Platform cylinder assembly | |
| 3 | 1472234 | Holder | |
| 4 | 4-324082 | Bracket | |
| 5 | 4-323948 | Bracket | |
| 6 | 4-5451050060 | Block | |
| 7 | 4-5451080041 | Hand pump | |
| 8 | 1482357 | Needle Valve | |
| 9 | 4-5160650126 | Screwed connection | |
| 10 | 4-5160650112 | Connector | |
| 11 | 1-901209 | Reducer | |
| 12 | 4-5160660078 | L-connection | |
| 13 | 4-5160660119 | Clutch | |
| 14 | 4-5160571205 | Hydraulic hose | |
| 15 | 4-5160571671 | Hydraulic hose | |
| 16 | 4-5160571047 | Hydraulic hose | |
| 17 | 4-5160571669 | Hydraulic hose | |
| 18 | 4-3001506070 | Hexagon head screw | |
| 19 | 4-3679600130 | Strain washer | |
| 20 | 4-3002512030 | Hexagon head screw | |
| 21 | 4-3001508028 | Hexagon head screw | |
| 22 | J902123 | Hexagon nut | |
| 23 | 4-3048500080 | Hexagon nut | |
| 24 | 4-3174000061 | Lock washer | |
| 25 | 4-3900017120 | Spring washer | |
| 26 | 4-3900017080 | Spring washer |
Содержащиеся в справочниках-каталогах запасные части и детали не предлагаются к продаже, а носят исключительно информационный характер