Каталог запасных частей к технике: Ammann ARS122. Cooling system
1
2
3
4
5
6
6
7
7
8
9
10
11
12
12
12
12
12
13
13
14
14
15
15
15
16
17
18
18
18
18
19
19
19
19
19
19
20
20
20
20
21
21
22
22
23
23
24
25
25
25
26
27
28
28
29
30
31
31
32
32
33
33
34
35
36
37
37
38
39
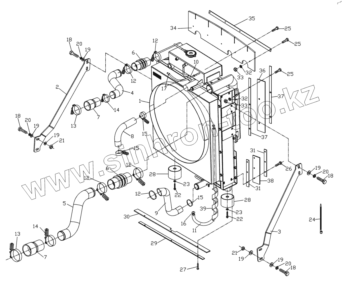
| Позиция на иллюстрации | Заводской номер детали | Название детали | |
|---|---|---|---|
| 1471948 | 1471948 | Cooling system | |
| 1 | 1450970 | ROC | |
| 2 | 1471968 | Side support left | |
| 3 | 1471969 | Side support right | |
| 4 | 1472906 | CAC inlet pipe | |
| 5 | 1472907 | CAC outlet pipe | |
| 6 | 1450903 | Silicon Hose | |
| 7 | 1451091 | Silicon reducer | |
| 8 | 1450922 | Rubber elbow | |
| 9 | 1450923 | Rubber hose | |
| 10 | 1472827 | Hose pipe | |
| 11 | 1472826 | Hose pipe | |
| 12 | 1457033 | T-bolt clamp | |
| 13 | 1457031 | T-bolt clamp | |
| 14 | 1457035 | T-bolt clamp | |
| 15 | 1457036 | T-bolt clamp | |
| 16 | 4-5531020074 | Hose clamp | |
| 17 | 4-5531020073 | Hose clamp | |
| 18 | 4-3001510035 | Hexagon head screw | |
| 19 | 2-80167071 | Strain washer | |
| 20 | 4-3900017100 | Spring washer | |
| 21 | 4-3530021100 | Nut | |
| 22 | 4-3001512095 | Hex screw | |
| 23 | 4-3679600130 | Strain washer | |
| 24 | 4-6150051017 | Staple strip | |
| 25 | 4-3002506020 | Hexagon head screw | |
| 26 | 4-3002508020 | Hexagon head screw | |
| 27 | 4-3002508016 | Hexagon head screw | |
| 28 | 1472222 | Radiator mount | |
| 29 | 1472122 | Radiator strip | |
| 30 | 1472123 | Rubber profile | |
| 31 | 1472124 | Radiator strip | |
| 32 | 4-3170200064 | ШАЙБА | |
| 33 | J902123 | Hexagon nut | |
| 34 | 1472052 | Rubber profile | |
| 35 | 1472050 | Radiator strip | |
| 36 | 1482397 | Rubber profile | |
| 37 | 1472051 | Radiator strip | |
| 38 | 1472125 | Rubber profile | |
| 39 | 1474330 | Spiral Guard |
Содержащиеся в справочниках-каталогах запасные части и детали не предлагаются к продаже, а носят исключительно информационный характер