Вернуться на главную
Поиск
Каталоги запчастей к технике
Спецтехника
Амкодор
Т400-70
Бак 540-70.10.09.000
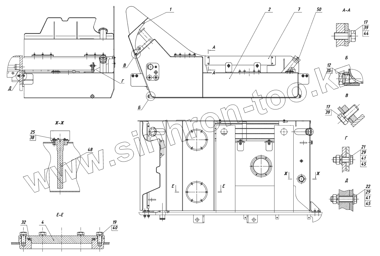
Каталог запасных частей к технике: Амкодор Т400-70. Бак 540-70.10.09.000
zoom-in
zoom-out
enlarge
shrink
circle-right
circle-left
file-text2
info
cart
Тип техники
Не выбрано
Легковые автомобили
Грузовые автомобили и прицепы
Автобусы
Сельхозтехника
Спецтехника
Двигатели
Мототехника
Марка
Не выбрано
Ammann
BOMAG
CARMIX
CASE IH
Changlin
ChengGong
Dimex
Doosan
DYNAPAC
Foton
HAMM
Hidromek
Hitachi
Hyundai
JCB
JLG
John Deere
Komatsu
LIEBHERR
LiuGong
Lonking (LongGong)
Luneng
MANITOU
Mitsuber
New Holland
PENGPU
RM-Terex
SANY
SDLG
SEM
Shantui
Shehwa HBXG
Soosan
TIGARBO
VOGELE
Volvo
WAY
WIRTGEN
XCMG
XGMA
Xiamen
YTO
Yuchai
Zoomlion
Автокран
АЗСМ
Алтайлесмаш
Амкодор
АОМЗ
Атек
АТЗ
Балканкар Рекорд
БелАЗ
Беловеж
Борекс
Брянский Арсенал
Булат
ВЭКС
ГАЗ
Геомаш
Гидромаш
Донекс
Дормаш
Дормашина
Дорэлектромаш
ДЭЗ
ЕлАЗ
ЗЗГТ
Ижнефтемаш
Канаш-электрокар
КЗКТ
ККЗ
Клевер
Клинцовский автокрановый завод
КМЗ
КМЗ 1 Мая
Ковровец
Коммаш
Кранэкс
КЭЗ
КЭМЗ
ЛЗА
МАЗ
МЗИК
МЗКМ
МЗКТ
Михневский РМЗ
МоАЗ
Мозырский МЗ
МТЗ
ОЗП
Онежец
ПАО "ТЗА"
ППС Детва
Промтрактор
ПТЗ
Раскат
СпецАгрегат
ТВЭКС
ТТМ
УВЗ
Угличмаш
УЗТМ
ХТЗ
ЧЗКМ
ЧСДМ
ЧТЗ
ЭКСКО
ЭКСМАШ
ЮрМаш
Модель
Не выбрано
2561 (2021)
352C (2019)
Амкодор-208А (2006)
Амкодор-208В (2006)
Амкодор-211 (2009)
Амкодор-211 (2011)
Амкодор-211nev (2009)
Амкодор-211Е (2014)
Амкодор-211Е (2016)
Амкодор-2243В (2012)
Амкодор-2541 (2013)
Амкодор-2541 (2021)
Амкодор-2551 (2011)
Амкодор-2551 (2020)
Амкодор-2661-01 (2011)
Амкодор-2662 (2015)
Амкодор-2904 (2020)
Амкодор-320 (2009)
Амкодор-320 (2011)
Амкодор-320СЕ (2013)
Амкодор-3225 (2018)
Амкодор-325 (ТО-18К) (2006)
Амкодор-327 (ТО-18Д) (2003)
Амкодор-332B, 332B4 (2008)
Амкодор-332С-01 (2006)
Амкодор-332С4 (2016)
Амкодор-332С4 (2018)
Амкодор-332С4, 332С4-02 (2008)
Амкодор-333 (ТО-18Б) (2004)
Амкодор-333А (ТО-18Б2) (2006)
Амкодор-333В (ТО-18Б3)
Амкодор-333В, 332С (2008)
Амкодор-342 (ТО-28) (2004)
Амкодор-342А (ТО-28А)
Амкодор-342В (ТО-18А) (2006)
Амкодор-342В, 342С4, 342Р (2008)
Амкодор-342В, 342С4, 342Р (2010)
Амкодор-342С (2006)
Амкодор-342С-03 (2008)
Амкодор-342С4 (2018)
Амкодор-351 (2006)
Амкодор-352 (2006)
Амкодор-352 (2008)
Амкодор-352 (2021)
Амкодор-352 (352C, 352Л) (2008)
Амкодор-352-10 (2010)
Амкодор-352-10 (2021)
Амкодор-352C (2006)
Амкодор-352СА (2017)
Амкодор-361 (2006)
Амкодор-37 (2012)
Амкодор-371 (2009)
Амкодор-371 (2014)
Амкодор-371А (2009)
Амкодор-451A (2006)
Амкодор-451A(2011) (2011)
Амкодор-527 (2009)
Амкодор-6223 (2007)
Амкодор-6223А (2007)
Амкодор-6223А (2016)
Амкодор-6223Е (2014)
Амкодор-6622 (2007)
Амкодор-6622А (2014)
Амкодор-6712B (2013)
Амкодор-6712А (2007)
Амкодор-702 (2006)
Амкодор-702EA (2007)
Амкодор-702EA(2012) (2012)
Амкодор-702EВ (2012)
Амкодор-702В (ТО-49-40) (2003)
Амкодор-702Е (2008)
Амкодор-702ЕМ-03 (2010)
Амкодор-732 (2015)
Амкодор-732 (2016)
Амкодор-8047А (2007)
Амкодор-91 (ДЗ-133ЭЦ) (2006)
Амкодор-9211А1 (2010)
Амкодор-9531 (ДЭ-226) (2006)
Амкодор-Е16 (2011)
Амкодор-Е25 (2017)
Амкодор-ЕР30 (2017)
Амкодор-ТО-18А (2000)
ГМП 2541.17.00.010-А (2013)
ГМП серии 120 модели G160.17.15.000 (2021)
ГМП серии У35615 модели 332.17.15.000 (2018)
ГМП серии У35615 модели 332С4.17.00.010-А 2018 (2018)
Мост ведущий неуправляемый 10Н.23.00.000 (2019)
Мост ведущий неуправляемый 10НР.24.00.000 (2019)
Мост ведущий неуправляемый 25Н (2018)
Мосты ведущие (2018)
Мосты ведущие серии 342 (2015)
Мосты серии 451 (2019)
Рабочие органы Амкодор-352 (2010)
Т400-70 (2020)
Схема
>
Не выбрано
Погрузчик с телескопической стрелой Т400-70.00.00.000
Погрузчик с телескопической стрелой Т400-70.00.00.000
Погрузчик с телескопической стрелой Т400-70.00.00.000
Установка силовая 540-70.10.00.000
Подвеска дизеля 540-70.10.01.000
Система питания топливом 540-70.11.05.000
Система питания воздухом 540-70.11.09.000
Система выпуска отработавших газов 540-70.12.00.000
Система охлаждения 540-70.13.00.000
Система охлаждения 540-70.13.00.000
Установка РОМ 540-70.16.00.000-б
Установка демпфера 320.16.00.900-б
Демпфер 320.16.05.000
Редуктор отбора мощности 540-70.16.20.000-б
Редуктор отбора мощности 540-70.16.20.000-б
Редуктор отбора мощности 540-70.16.20.000-б
Бак 540-70.10.09.000
Установка коробки раздаточной 540-70.18.00.000
Коробка раздаточная 540-70.18.02.000
Коробка раздаточная 540-70.18.02.000
Силовой механизм 540-70.18.00.500
Тормоз стояночный 540-70.18.00.700
Механизм тормозной У35615-35.530
Механизм тормозной У35615-35.530
Цилиндр У35615-35.540
Установка карданных валов 540-70.22.00.000
Установка карданных валов 540-70.22.10.000
Рама 540-70.28.00.000
Установка мостов и колес 540-70.29.00.000
Мост ведущий управляемый 15н.23.00.000
Мост ведущий управляемый 15н.23.00.000
Шарнир сдвоенный 15У.23.01.030
Главная передача 15н.23.02.000
Дифференциал 15н.23.03.000
Сателлит 15н.23.03.020
Тормоз 20У.23.06.000
Редуктор колесной передачи 15У.23.01.030
Водило в сборе с сателлитами 15У.23.05.010
Водило 15У.23.05.020
Тяга рулевая 15У.34.05.300
Шарнир штока 15У.34.05.340
Шарнир тяги 15У.34.05.360
Подвес 540-70.29.01.120
Подвес 540-70.29.01.140
Колесо 540-70.31.01.000, 540-70.31.01.000-03
Колесо 540-70.31.01.000, 540-70.31.01.000-03
Установка мостов и колес 540-70.29.10.000
Подвес 540-70.29.01.120К
Подвес 540-70.29.01.140К
Электросистема 540-70.37.00.000
Электросистема 540-70.37.00.000
Сигнализатор 211е.37.00.250-01
Оборудование рабочее 540-70.44.00.000
Оборудование рабочее 540-70.44.00.000
Оборудование рабочее 540-70.44.00.000
Оборудование рабочее 540-70.44.00.000
Тяга 540-70.44.20.000-б
Адаптер 540-70.44.40.000
Вилы 540-105.45.41.000
Гидросистема 540-70.47.00.000
Гидросистема рулевого управления 540-70.34.00.000
Клапан 540-70.34.00.100
Гидросистема тормозов 540-70.35.05.000
Гидросистема тормозов 540-70.35.05.000
Кронштейн 540-70.35.05.020-б
Блок аккумуляторов 540-70.35.05.050
Клапан обратный УГА2.06.01.000
Блок клапанов 540-70.47.05.150
Подключение нШ 540-70.35.05.100
Блок разгрузочный УГА2.01.01.000
Гидросистема рабочего оборудования 540-70.47.05.000
Трубопровод 540-70.47.05.900-б
Трубопровод 540-70.47.05.910-б
Трубопровод 540-70.47.05.920-б
Трубопровод 540-70.47.05.930-б
Трубопровод 540-70.47.05.940-б
Трубопровод 540-70.47.05.950-б
Трубопровод 540-70.47.05.960-б
Трубопровод 540-70.47.05.970-б
Трубопровод 540-70.47.05.980-б
Трубопровод 540-70.47.05.990-б
Гидросистема привода хода 540-70.47.10.000
Клапан обратный 540-70.47.10.010
Гидросистема стрелы 540-70.47.20.000
Гидросистема стрелы 540-70.47.20.000
Трубопровод 540-70.47.20.100-б
Трубопровод 540-70.47.20.110-б
Трубопровод 540-70.47.20.120-б
Трубопровод 540-70.47.20.130-б
Трубопровод 540-70.47.20.200-б
Трубопровод 540-70.47.20.210-б
Трубопровод 540-70.47.20.220-б
Установка кабины 540-70.50.00.000
Кабина 540-70.50.00.010
Кабина 540-70.50.00.010
Кабина 540-70.50.00.010
Электросистема кабины 540-70.38.00.000
Электросистема кабины 540-70.38.00.000
Гидросистема кабины 540-70.47.50.000
Установка рулевой колонки 540-70.50.02.000
Установка шторки 540-70.50.03.230
Установка шумоизоляции 540-70.50.05.000
Установка деталей интерьера и экстерьера 540-70.50.06.000-В
Установка деталей интерьера и экстерьера 540-70.50.06.000-В
Установка деталей интерьера и экстерьера 540-70.50.06.000-В
Дверь 540-70.50.08.000-б
Форточка 540-70.50.08.200-б
Окно заднее 540-70.50.08.500
Сидение 540-70.68.00.000-б
Установка конденсатора 540-70.81.03.000
Установка испарительно-отопительного блока 540-70.81.04.000
Установка зеркала 320С2.82.01.100
Система кондиционирования 540-70.81.00.000
Установка компрессора 540-70.81.01.000-б
Установка трубопроводов отопителя кабины 540-70.83.00.000
Облицовка 540-70.84.00.000
Установка капота 540-70.84.01.000
Установка крыльев 540-70.84.02.000
Установка зеркала 540-70.84.05.000
Установка фар 540-70.84.06.000
Установка фонарей 540-70.84.07.000
Установка кожуха 540-70.84.08.000
Установка ящика 540-70.84.09.000
1
2
4
7
12
17
17
19
21
22
25
29
29
32
35
38
39
39
40
41
41
44
45
45
48
50
Позиция на иллюстрации
Заводской номер детали
Название детали
1
540-70.10.09.040
Кожух
2
540-70.10.09.050
Кожух
3
540-70.10.09.100
Бак
4
208А.45.00.003
Крышка
7
540-70.10.09.001
Планка
12
УДГ1.09.02.007
Заглушка
17
М8-6gx20.88.35.0115
Болт
19
М10-6gx20.88.35.0115
Болт
21
М12-6gx40.88.35.0115
Болт
22
М12-6gx55.88.35.0115
Болт
25
М5-6gx14.46.0115
Винт
27
М6-6H.8.35.0115
Гайка
29
М12-6H.10.40Х.0115
Гайка
32
150-160-58-2-2
Кольцо
35
20 М3
Прокладка
38
5.65Г.0115
Шайба
39
8.65Г.0115
Шайба
40
10.65Г.0115
Шайба
41
12.65Г.0115
Шайба
44
С.8.02.Ст3.0115
Шайба
45
С.12.02.Ст3.0115
Шайба
48
ДУТ-1-230
Датчик уровня топлива
49
3018131 (М6)
Опора
50
2101-1103010
Пробка топливного бака с ключами
51
Т-13
Уплотнитель
Содержащиеся в справочниках-каталогах запасные части и детали не предлагаются к продаже, а носят исключительно информационный характер
Дополнительная информация
×
Название:
Номер:
Примечание: