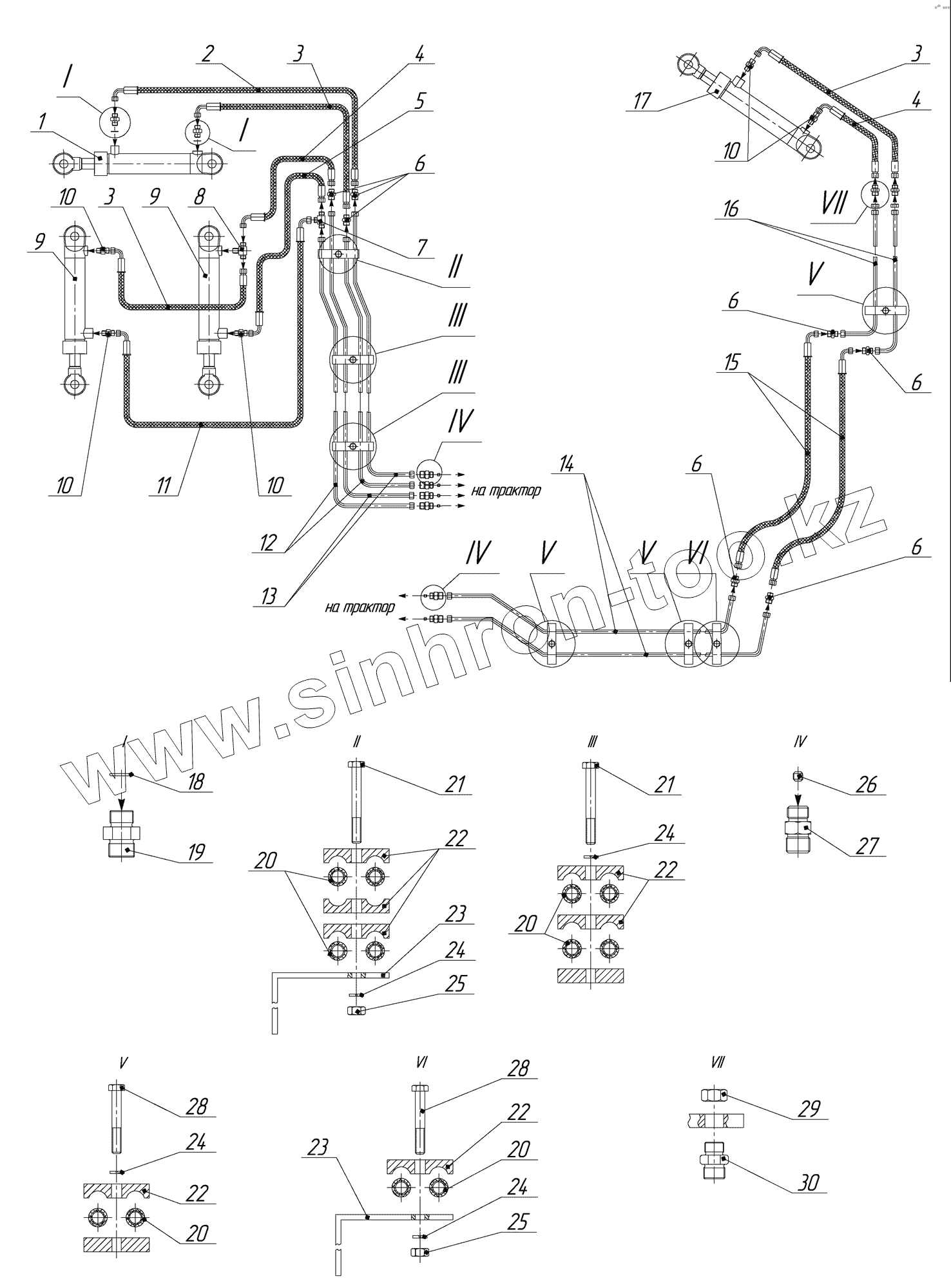
Каталог запасных частей к технике: Амкодор-9211А1. ГИДРОСИСТЕМА 9211А1.45.00.000А
1
2
3
3
3
4
4
5
6
6
6
6
6
7
8
9
9
10
10
10
10
11
12
13
14
15
16
17
18
19
20
20
20
20
21
21
22
22
22
22
23
23
24
24
24
24
25
25
26
27
28
28
29
30
| Позиция на иллюстрации | Заводской номер детали | Название детали | |
|---|---|---|---|
| 1 | КГЦМ.50.32-400 | Гидроцилиндр | |
| 2 | 1SNNP8х1050А60А61 | Рукав | |
| 3 | 1SNNP8х650А60А61 | Рукав | |
| 4 | 1SNNP8х500А60А61 | Рукав | |
| 5 | 1SNNP8х850А60А61 | Рукав | |
| 6 | ПГУ1-05.022 | Штуцер | |
| 7 | ПГУ1-03.010 | Тройник | |
| 8 | ПГУ1-03.011 | Тройник | |
| 9 | КГЦ35.50-32-250 | Гидроцилиндр | |
| 10 | ПГУ1-02.004 | Штуцер | |
| 11 | 1SNNP8х1050А61А61(270) | Рукав | |
| 12 | 9211А1.45.00.150 | Трубопровод | |
| 13 | 9211А1.45.00.130 | Трубопровод | |
| 14 | 9211А1.45.00..110 | Трубопровод | |
| 15 | 1SNNP8х1550А60А61 | Рукав | |
| 16 | 9211А1А5.00.140 | Трубопровод | |
| 17 | КГЦ35.50-32-180 | Гидроцилиндр | |
| 18 | 16М3ГОСТ23358-87 | Прокладка | |
| 19 | ПГУ1-01.067 | Штуцер | |
| 20 | ПР-3ТУРБ600101927022-03 | Уплотнитель | |
| 21 | М8-6gх65.88.35.0115 | Болт | |
| 22 | УДГ1-17.01.005-01 | Колодка | |
| 23 | 9211А1.45.00.008А | Кронштейн | |
| 24 | 8.65Г.0115 | Шайба | |
| 25 | М8-6Н.8.35.0115 | Гайка | |
| 26 | СНФ-200.45.00.018-01 | Дроссель | |
| 27 | 9211А1.45.00.006А | Штуцер | |
| 28 | М8-6gх40.88.35.0115 | Болт | |
| 29 | ПГУ1-06.005 | Гайка | |
| 30 | ПГУ1-05.022-01 | Штуцер |
Содержащиеся в справочниках-каталогах запасные части и детали не предлагаются к продаже, а носят исключительно информационный характер