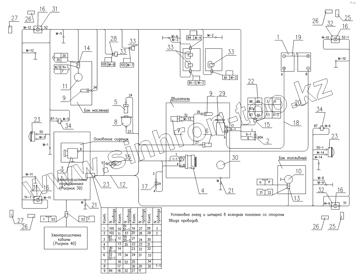
Каталог запасных частей к технике: Амкодор-6622. 6622.18.00.000 Электросистема
1
2
3
4
5
5
6
6
7
7
8
9
9
10
11
12
13
14
15
16
16
16
16
17
18
19
20
21
21
22
23
23
23
23
25
25
26
26
26
26
27
27
28
29
30
31
31
32
32
33
33
33
33
34
34
35
| Позиция на иллюстрации | Заводской номер детали | Название детали | |
|---|---|---|---|
| 1 | 6СТ-88А | Батарея аккумуляторная | |
| 2 | 11.3722 | Блок предохранителей | |
| 3 | Т0.0.20 | Выключатель массы | |
| 4 | 969.3701-01 | Генератор | |
| 5 | ДАДМ | Датчик | |
| 5 | ММ111-Д | Датчик аварийного давления масла | |
| 6 | ДАТЖ | Датчик | |
| 6 | ТМ111 | Датчик сигнализатора температуры | |
| 7 | ДСФ-65 | Датчик | |
| 7 | 131.3829 | Датчик сигнализатора засорённости воздушного фильтра | |
| 8 | ДД10-02 | Датчик указателя давления | |
| 9 | ДУТЖ | Датчик | |
| 10 | ДУМП-07 | Датчик указателя уровня топлива | |
| 11 | ДГС-Т-200-24-01 | Датчик уровня жидкости | |
| 12 | 6622.18.00.400 | Жгут 1 | |
| 13 | 602602 | Колодка гнездовая | |
| 14 | 602604 | Колодка гнездовая | |
| 15 | 469.59.00.000 | Колодка гнездовая | |
| 16 | А24-5 | Лампа | |
| 17 | Пр118-Б-01 | Предохранитель | |
| 18 | ВА-9002.18.00.100 | Провод 6 | |
| 19 | ВА-9002.18.00.250 | Провод 7 | |
| 20 | ВА-9002.18.00.300 | Провод 8 | |
| 21 | ТО27-2АУХЛ-12.00.02.750 | Провод М | |
| 22 | 738.3747-20 | Реле | |
| 23 | СШ55ПК35Г-9(У1) | Розетка | |
| 23 | 2РТТ55КУН35Г34В | Розетка | |
| 24 | С313 | Сигнал звуковой | |
| 25 | 3202.3731 | Световозвращатель задний 3202.3731 | |
| 26 | 3212.3731 | Световозвращатель боковой | |
| 27 | 3222.3731 | Световозвращатель | |
| 28 | Соединитель | Соединитель | |
| 29 | 20.3708 | Стартер | |
| 30 | СЧ114 | Счётчик моточасов | |
| 31 | 16.3712 | Фонарь габаритный | |
| 32 | 123731101 | Фонарь габаритный | |
| 33 | Электромагнит | Электромагнит | |
| 34 | Электромагнит | Электромагнит | |
| 35 | ПД308-Б | Лампа подкапотная |
Содержащиеся в справочниках-каталогах запасные части и детали не предлагаются к продаже, а носят исключительно информационный характер