Вернуться на главную
Поиск
Каталоги запчастей к технике
Спецтехника
Амкодор
Амкодор-527
Облицовка 527.13.00.000
Каталог запасных частей к технике: Амкодор-527. Облицовка 527.13.00.000
zoom-in
zoom-out
enlarge
shrink
circle-right
circle-left
file-text2
info
cart
Тип техники
Не выбрано
Легковые автомобили
Грузовые автомобили и прицепы
Автобусы
Сельхозтехника
Спецтехника
Двигатели
Мототехника
Марка
Не выбрано
Ammann
BOMAG
CARMIX
CASE IH
Changlin
ChengGong
Dimex
Doosan
DYNAPAC
Foton
HAMM
Hidromek
Hitachi
Hyundai
JCB
JLG
John Deere
Komatsu
LIEBHERR
LiuGong
Lonking (LongGong)
Luneng
MANITOU
Mitsuber
New Holland
PENGPU
RM-Terex
SANY
SDLG
SEM
Shantui
Shehwa HBXG
Soosan
TIGARBO
VOGELE
Volvo
WAY
WIRTGEN
XCMG
XGMA
Xiamen
YTO
Yuchai
Zoomlion
Автокран
АЗСМ
Алтайлесмаш
Амкодор
АОМЗ
Атек
АТЗ
Балканкар Рекорд
БелАЗ
Беловеж
Борекс
Брянский Арсенал
Булат
ВЭКС
ГАЗ
Геомаш
Гидромаш
Донекс
Дормаш
Дормашина
Дорэлектромаш
ДЭЗ
ЕлАЗ
ЗЗГТ
Ижнефтемаш
Канаш-электрокар
КЗКТ
ККЗ
Клевер
Клинцовский автокрановый завод
КМЗ
КМЗ 1 Мая
Ковровец
Коммаш
Кранэкс
КЭЗ
КЭМЗ
ЛЗА
МАЗ
МЗИК
МЗКМ
МЗКТ
Михневский РМЗ
МоАЗ
Мозырский МЗ
МТЗ
ОЗП
Онежец
ПАО "ТЗА"
ППС Детва
Промтрактор
ПТЗ
Раскат
СпецАгрегат
ТВЭКС
ТТМ
УВЗ
Угличмаш
УЗТМ
ХТЗ
ЧЗКМ
ЧСДМ
ЧТЗ
ЭКСКО
ЭКСМАШ
ЮрМаш
Модель
Не выбрано
2561 (2021)
352C (2019)
Амкодор-208А (2006)
Амкодор-208В (2006)
Амкодор-211 (2009)
Амкодор-211 (2011)
Амкодор-211nev (2009)
Амкодор-211Е (2014)
Амкодор-211Е (2016)
Амкодор-2243В (2012)
Амкодор-2541 (2013)
Амкодор-2541 (2021)
Амкодор-2551 (2011)
Амкодор-2551 (2020)
Амкодор-2661-01 (2011)
Амкодор-2662 (2015)
Амкодор-2904 (2020)
Амкодор-320 (2009)
Амкодор-320 (2011)
Амкодор-320СЕ (2013)
Амкодор-3225 (2018)
Амкодор-325 (ТО-18К) (2006)
Амкодор-327 (ТО-18Д) (2003)
Амкодор-332B, 332B4 (2008)
Амкодор-332С-01 (2006)
Амкодор-332С4 (2016)
Амкодор-332С4 (2018)
Амкодор-332С4, 332С4-02 (2008)
Амкодор-333 (ТО-18Б) (2004)
Амкодор-333А (ТО-18Б2) (2006)
Амкодор-333В (ТО-18Б3)
Амкодор-333В, 332С (2008)
Амкодор-342 (ТО-28) (2004)
Амкодор-342А (ТО-28А)
Амкодор-342В (ТО-18А) (2006)
Амкодор-342В, 342С4, 342Р (2008)
Амкодор-342В, 342С4, 342Р (2010)
Амкодор-342С (2006)
Амкодор-342С-03 (2008)
Амкодор-342С4 (2018)
Амкодор-351 (2006)
Амкодор-352 (2006)
Амкодор-352 (2008)
Амкодор-352 (2021)
Амкодор-352 (352C, 352Л) (2008)
Амкодор-352-10 (2010)
Амкодор-352-10 (2021)
Амкодор-352C (2006)
Амкодор-352СА (2017)
Амкодор-361 (2006)
Амкодор-37 (2012)
Амкодор-371 (2009)
Амкодор-371 (2014)
Амкодор-371А (2009)
Амкодор-451A (2006)
Амкодор-451A(2011) (2011)
Амкодор-527 (2009)
Амкодор-6223 (2007)
Амкодор-6223А (2007)
Амкодор-6223А (2016)
Амкодор-6223Е (2014)
Амкодор-6622 (2007)
Амкодор-6622А (2014)
Амкодор-6712B (2013)
Амкодор-6712А (2007)
Амкодор-702 (2006)
Амкодор-702EA (2007)
Амкодор-702EA(2012) (2012)
Амкодор-702EВ (2012)
Амкодор-702В (ТО-49-40) (2003)
Амкодор-702Е (2008)
Амкодор-702ЕМ-03 (2010)
Амкодор-732 (2015)
Амкодор-732 (2016)
Амкодор-8047А (2007)
Амкодор-91 (ДЗ-133ЭЦ) (2006)
Амкодор-9211А1 (2010)
Амкодор-9531 (ДЭ-226) (2006)
Амкодор-Е16 (2011)
Амкодор-Е25 (2017)
Амкодор-ЕР30 (2017)
Амкодор-ТО-18А (2000)
ГМП 2541.17.00.010-А (2013)
ГМП серии 120 модели G160.17.15.000 (2021)
ГМП серии У35615 модели 332.17.15.000 (2018)
ГМП серии У35615 модели 332С4.17.00.010-А 2018 (2018)
Мост ведущий неуправляемый 10Н.23.00.000 (2019)
Мост ведущий неуправляемый 10НР.24.00.000 (2019)
Мост ведущий неуправляемый 25Н (2018)
Мосты ведущие (2018)
Мосты ведущие серии 342 (2015)
Мосты серии 451 (2019)
Рабочие органы Амкодор-352 (2010)
Т400-70 (2020)
Схема
>
Не выбрано
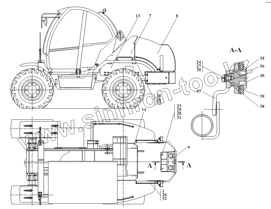
Погрузчик с телескопической стрелой АМКОДОР 527, АМКОДОР 527-01. Общий вид.
Установка силовая 527.02.00.000-01
Бак топливный 525.02.01.000
Редуктор 525.02.03.000
Установка глушителя 527.02.06.000
Система охлаждения 527.02.08.000-А, 527.02.08.000
Блок радиаторов 527.02.08.100
Управление 527.09.00.000
Облицовка 527.13.00.000
Облицовка 527.13.01.000
Замок 527.13.11.000
Оборудование рабочее 527.14.00.000-Б
Установка трубопроводов отопителя 527.21.00.000
Установка карданных валов и редуктора 527.22.00.000 (для погрузчика АМКОДОР 527)
Редуктор гидромотора 527.19.07.000
Механизм тормозной У35.615-35.510
Установка карданных валов и редуктора 527.22.40.000 (для погрузчика АМКОДОР 527-01)
Установка мостов и колес 527.29.00.000-Б (для погрузчика АМКОДОР 527)
Колеса 527.05.01.000
Установка мостов и колес 527.29.40.000-Б (для погрузчика АМКОДОР 527-01)
Колеса 527.29.40.100-Б
Гидросистема рулевого управления АМКОДОР- 527 и 527-01
Гидросистема тормозов АМКОДОР- 527 и 527-01
Блок разгрузочный УГА2-01.01.000
Гидросистема рабочего оборудования 527.45.00.000-01
Гидроцилиндр 527.45.00.100-Б
Блок безопасности 527.45.50.000
Гидроцилиндр 527.45.00.110
Гидробак 527.45.03.000
Гидроцилиндр Ц080040.00.000-04
Гидросистема привода хода 527.46.00.000
Клапан обратный 525.46.01.000
Установка кабины 527.50.00.000
Кабина 527.20.00.000-01
Блок управления 525.09.05.000
Блок 525.09.05.100
Дверь 525.20.01.000
Трос 527.09.01.000
Тормозной кран с педалью 527.20.03.000-Б
Кран тормозной УГА2-05.04.000
Педаль У7810.7-9.02.00.350-01
Установка крана тормозного с ручным управление У7810.7-9.02.01.700-02
Кран тормозной с ручным управлением УГА2-05.02.000
Электросистема силовой установки 525.02.11.000
Электросистема. Схема злектрическая соединений
Электроситема кабины 525.20.42.000-01
Электроситема подкабинника 527.38.45.000-Б
Электросистема. Схема электрическая соединений 527.20.43.000 Э4
Электроситема 527.37.00.000 базового шасси погрузчика АМКОДОР 527, 527-01
Электросистема. Схема электрическая соединений. 527.37.00.000 Э4
Электросистема. Схема электрическая принципиальная силовой установки 527.11.00.000 Э3.1
Электросистема. Схема электрическая принципиальная освещения и вспомогательного оборудования 527.11.00.000 Э3.2
Электросистема. Схема электрическая принципиальная контроля и сигнализации 527.37.00.000 Э3.3
Электросистема. Схема электрическая принципиальная системы управления гидростатической трансмиссией 527.11.00.000 Э3.4
Электросистема. Схема электрическая принципиальная системы безопасности 527.11.00.000 Э3.5
1
7
8
9
13
14
20
23
24
25
26
26
27
28
30
31
32
32
35
36
37
38
39
40
Позиция на иллюстрации
Заводской номер детали
Название детали
1
525.13.00.100
Поручень
7
525.13.16.100
Арка левая
8
525.13.16.200
Капот
9
525.13.16.300
Решетка
13
527.13.01.000
Облицовка
14
527.13.00.001
Арка правая
20
M8-6gx16.56.0115
Болт
23
M6-6gx16.56.0115
Болт
24
B.M5-6sx10.46.0115
Винт
25
M6-6H.5.0115
Гайка
26
М8-6Н.5.0115
Гайка
27
5.65Г.0115
Шайба
28
6.65Г.0115
Шайба
30
С.5.02.Ст3.0115
Шайба
31
С.6.02.Ст3.0115
Шайба
32
С.8.02.Ст3.0115
Шайба
35
103-5702762-10
Корпус
36
103-5702764-10
Сердечник
37
103-5702766-10
Язычок
38
103-5702768-10
Пружина
39
252182
Шайба
40
374837
Гайка
Содержащиеся в справочниках-каталогах запасные части и детали не предлагаются к продаже, а носят исключительно информационный характер
Дополнительная информация
×
Название:
Номер:
Примечание: