Каталог запасных частей к технике: Амкодор-451A. 451-61.00.000-01 Грузоподъемник
1
1
1
1
2
2
2
2
3
3
3
4
4
4
5
5
5
6
6
6
6
7
7
7
7
8
8
8
9
9
9
10
10
10
11
11
11
12
12
13
13
14
14
14
14
15
15
16
16
17
17
18
18
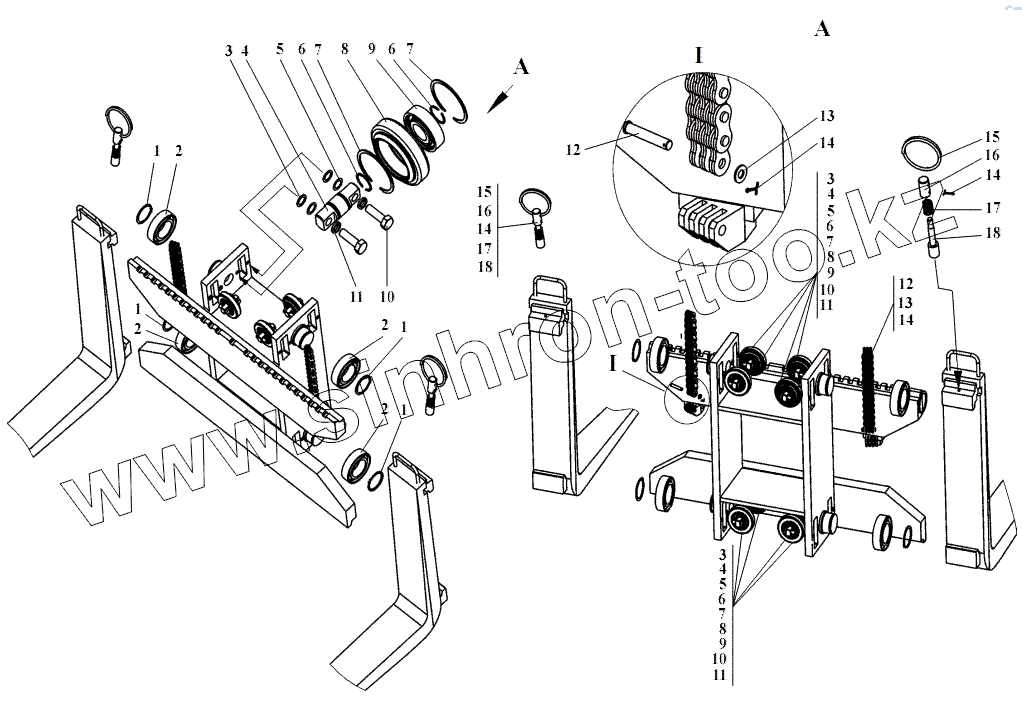
| Позиция на иллюстрации | Заводской номер детали | Название детали | |
|---|---|---|---|
| 1 | В75.13942 | Кольцо | |
| 2 | 962715кс17 | Подшипник | |
| 3 | 451-61.00.018-01 | Шайба регулировочная | |
| 4 | 451-61.00.015-01 | Ось | |
| 5 | 451-61.00.018 | Шайба регулировочная | |
| 6 | В30.13940 | Кольцо | |
| 7 | В72.13941 | Кольцо | |
| 8 | 451-61.00.016 | Обойма | |
| 9 | 180306А1УС17 | Подшипник | |
| 10 | M12x40.109.40Х.7796 | Болт | |
| 11 | 12.65Г.6402 | Шайба | |
| 12 | 451-61.00.007 | Ось | |
| 13 | 8.02.Ст3.11371 | Шайба | |
| 14 | 2x20.397 | Шплинт | |
| 15 | 451-61.00.012 | Кольцо | |
| 16 | 451-61.00.013 | Втулка | |
| 17 | 451-61.00.009 | Пружина | |
| 18 | 451-61.00.011 | Фиксатор |
Содержащиеся в справочниках-каталогах запасные части и детали не предлагаются к продаже, а носят исключительно информационный характер