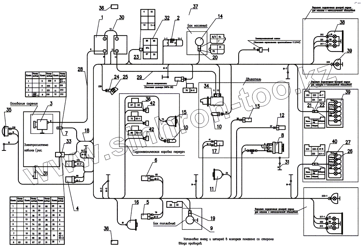
Каталог запасных частей к технике: Амкодор-451A. 451.42.00.000 Электросистема
1
2
3
4
5
6
7
7
8
9
10
10
11
12
13
14
15
16
17
18
19
20
23
24
25
26
27
28
29
30
31
31
32
33
34
35
36
36
36
37
38
39
39
40
| Позиция на иллюстрации | Заводской номер детали | Название детали | |
|---|---|---|---|
| 1 | 6СТ-88А | Батарея аккумуляторная | |
| 2 | 11.3722 | Блок предохранителей | |
| 3 | ТО.020 | Выключатель «массы» | |
| 4 | ВК-413 | Выключатель контрольной лампы гидропривода | |
| 5 | PMN150C | Выключатель давления PMN150C | |
| 6 | PMN50C | Выключатель давления | |
| 7 | СШ32ПК12Ш-7 | Вилка | |
| 7 | 2РТТ32КПН12Ш16В | Вилка | |
| 8 | Г998.3701-01 | Генератор | |
| 9 | ДУМП-02 | Датчик указателя уровня топлива | |
| 10 | ДУТЖ | Датчик | |
| 11 | ДД-10-02 | Датчик | |
| 12 | ДАТЖ | Датчик | |
| 13 | ДАДМ | Датчик | |
| 14 | ДГС-М-111-24-01 | Датчик сигнализации уровня масла в гидробаке | |
| 15 | ДД-20 | Датчик | |
| 16 | 16.3829 | Датчик указателя давления | |
| 17 | ДСФ-65 | Датчик | |
| 18 | 451.42.00.100 | Жгут | |
| 19 | 602602 | Колодка гнездовая | |
| 20 | 602604 | Колодка гнездовая | |
| 21 | 602606 | Колодка гнездовая | |
| 22 | 502606 | Колодка штыревая | |
| 23 | 469.59.00.000 | Колодка гнездовая | |
| 24 | ПД308-Б | Лампа подкапотная | |
| 25 | А24-5 | Лампа | |
| 26 | А24-21-3 | Лампа | |
| 27 | А24-10 | Лампа | |
| 28 | 451.42.00.200 | Провод 8 | |
| 29 | 451.42.00.300 | Провод 11 | |
| 30 | 451.42.00.400 | Провод 12 | |
| 31 | ТО-27-2АУХЛ-12.00.02.750 | Провод М | |
| 32 | 738.47-20 | Реле | |
| 33 | СШ55ПК35Г-9 | Розетка | |
| 34 | 2РТТ55КУН35Г34В | Розетка | |
| 35 | С313 | Сигнал звуковой | |
| 36 | 3212.3731 | Световозвращатель боковой | |
| 37 | 7313.3716 | Фонарь многофункциональный задний | |
| 38 | ФП135-Г | Фонарь заднего хода | |
| 39 | 70.3716 | Фонарь задний | |
| 40 | 701.3716 | Фонарь задний | |
| 41 | Электромагнит | Электромагнит |
Содержащиеся в справочниках-каталогах запасные части и детали не предлагаются к продаже, а носят исключительно информационный характер