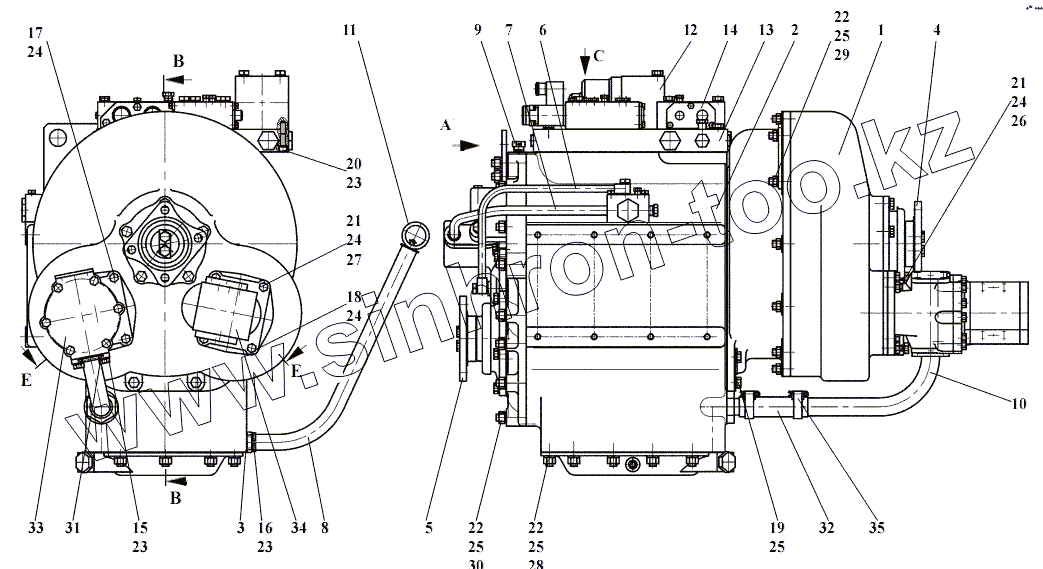
Каталог запасных частей к технике: Амкодор-451A. 451-38.01.000 Передача гидромеханическая
1
2
3
4
5
6
7
8
9
10
11
12
13
14
15
16
17
18
19
20
21
21
22
22
22
23
23
23
24
24
24
24
25
25
25
25
26
27
28
29
30
31
32
33
34
35
| Позиция на иллюстрации | Заводской номер детали | Название детали | |
|---|---|---|---|
| 1 | 451-38.01.010 | Картер гидротрансформатора | |
| 2 | 451-38.01.030 | Картер КП | |
| 3 | 451-38.01.034 | Прокладка | |
| 4 | 451-38.01.090 | Фланец | |
| 5 | 451-38.01.090-01 | Фланец | |
| 6 | 451-38.01.110 | Трубопровод | |
| 7 | 451-38.01.130 | Трубопровод | |
| 8 | 451-38.01.140 | Трубопровод | |
| 9 | У35615-04.020 | Сапун | |
| 10 | У35615-04.030 | Трубопровод | |
| 11 | У35615-04.060 | Щуп | |
| 12 | У35615-12.100 | Фильтр | |
| 13 | У35615-12.120-01 | Плита | |
| 14 | У35615-12.140 | Блок клапанов | |
| 15 | М8х20.56.7796-70 | Болт | |
| 16 | М8х25.56.7796-70 | Болт | |
| 17 | М10х40.56.7796-70 | Болт | |
| 18 | М10х50.56.7796-70 | Болт | |
| 19 | М12х35.56.7796-70 | Болт | |
| 20 | М8x45.56.11738-84 | Винт | |
| 21 | М10.6.5915-70 | Гайка | |
| 22 | М12.6.5915-70 | Гайка | |
| 23 | 8.65Г.6402-70 | Шайба | |
| 24 | 10.65Г.6402-70 | Шайба | |
| 25 | 12.65Г.6402-70 | Шайба | |
| 26 | М10х35.56.22036-76 | Шпилька | |
| 27 | М10х45.56.22036-76 | Шпилька | |
| 28 | М12х25.56.22036-76 | Шпилька | |
| 29 | М12х30.58.22036-76 | Шпилька | |
| 30 | М12х55.56.22036-76 | Шпилька | |
| 31 | 040-045-30-2-2.9833-73 | Кольцо | |
| 32 | 32х43-1,6.10362-76 | Рукав | |
| 33 | НШ32-3 | Насос | |
| 34 | НШ50М-10-3 | Насос | |
| 35 | Torro32x50/9-C7w2 | Зажим |
Содержащиеся в справочниках-каталогах запасные части и детали не предлагаются к продаже, а носят исключительно информационный характер