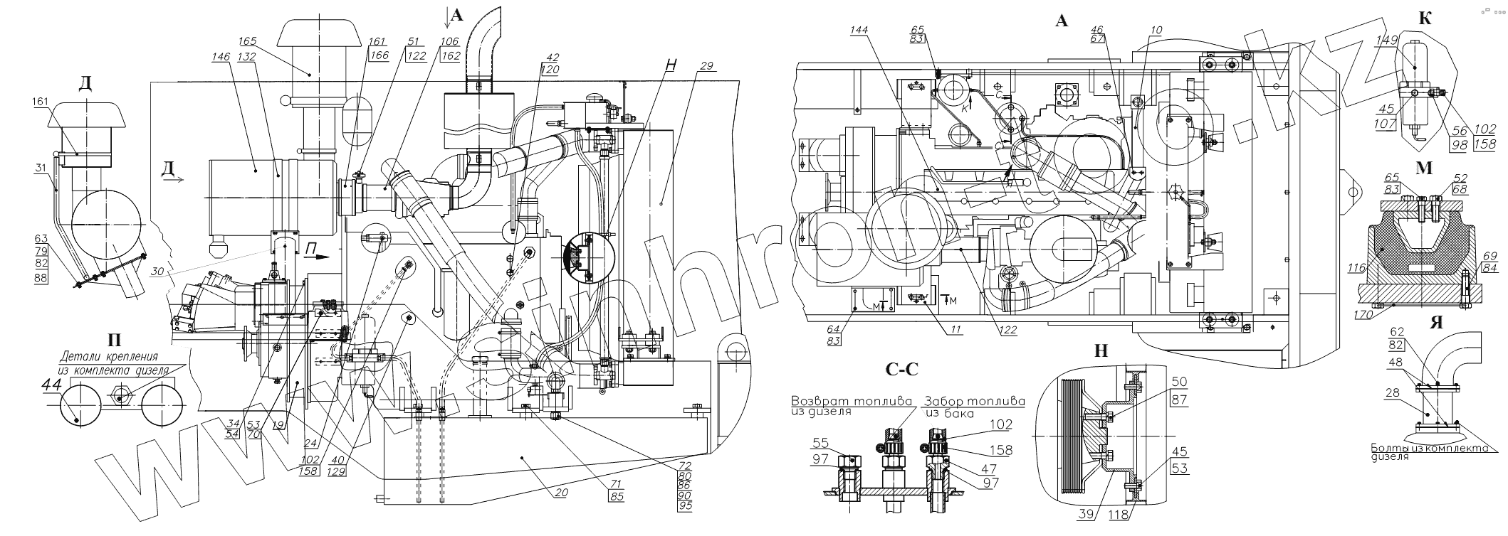
Каталог запасных частей к технике: Амкодор-371. 371.41.10.000 Силовая установка
9
10
11
20
24
28
29
30
31
34
39
40
42
44
45
45
46
47
48
50
51
52
53
53
54
55
56
62
63
64
65
65
67
68
69
70
71
72
79
80
82
82
83
83
83
84
85
88
90
95
97
97
98
102
102
102
106
107
116
120
122
122
129
132
144
146
149
158
158
158
161
161
162
165
166
170
| Позиция на иллюстрации | Заводской номер детали | Название детали | |
|---|---|---|---|
| 9 | 371.16.20.000-В | Редуктор отбора мощности | |
| 10 | 371.41.00.500 | Траверса | |
| 11 | 371.41.00.600-Б | Кронштейн | |
| 20 | 371.41.02.500 | Бак топливный | |
| 24 | 371.41.06.000 | Управление дизелем | |
| 28 | 371.41.10.200 | Переходник | |
| 29 | 371.41.12.000 | Установка радиаторов | |
| 30 | 371.41.60.100 | Опора | |
| 31 | 371.41.60.300 | Опора | |
| 34 | 371.41.00.002 | Болт | |
| 39 | 371.41.00.006-Б | Переходник | |
| 40 | 371.41.00.007 | Переходник | |
| 42 | 371.41.00.009 | Переходник | |
| 44 | 371.41.10.002 | Заглушка | |
| 45 | 371.41.10.003 | Заглушка | |
| 46 | 371.41.10.004 | Пластина | |
| 47 | 371.41.50.003 | Штуцер | |
| 48 | 371.41.50.004 | Прокладка | |
| 50 | 371.41.60.015 | Болт | |
| 51 | 371.41.60.017 | Переходник | |
| 52 | 8047.02.00.018 | Планка | |
| 53 | Д-902.53.00.002 | Планка закрепительная | |
| 54 | ТО-27-1А-0400.00.034 | Планка | |
| 55 | УДГ1.09.02.001 | Заглушка | |
| 56 | УДГ1.13.00.002 | Штуцер | |
| 61 | M8-6gx16.88.35.0115 | Болт | |
| 62 | M8-6gx20.88.35.0115 | Болт | |
| 63 | M8-6gx40.88.35.0115 | Болт | |
| 64 | M10-6gx25.88.35.0115 | Болт | |
| 65 | M10-6gx35.88.35.0115 | Болт | |
| 67 | M12-6gx25.88.35.0115 | Болт | |
| 68 | M12-6gx45.88.35.0115 | Болт | |
| 69 | 3M12-6gx45.109.40Х.0115 | Болт | |
| 70 | M16-6gx40.88.35.0115 | Болт | |
| 71 | M20-6gx50.88.35.0115 | Болт | |
| 72 | 2M24-6gx120.109.40X.0115 | Болт | |
| 79 | M8-6H.05.35.0115 | Гайка | |
| 80 | М24-6Н.8.35.0115 | Гайка | |
| 81 | 8Т.65Г.0115 | Шайба | |
| 82 | 8.65Г.0115 | Шайба | |
| 83 | 10.65Г.0115 | Шайба | |
| 84 | 12.65Г.0115 | Шайба | |
| 85 | 20.65Г.0115 | Шайба | |
| 88 | С.8.02.Ст3.0115 | Шайба | |
| 90 | С.24.02.Ст3.0115 | Шайба | |
| 95 | 5x40.019 | Шплинт | |
| 97 | 14М3 | Прокладка | |
| 98 | 16М3 | Прокладка | |
| 102 | 10x17,5-1,47 | Рукав | |
| 106 | Б(1)-6,3-100-115-У | Рукав | |
| 107 | 016-019-19-2-2 | Кольцо | |
| 116 | 6422-1001035-01 | Подушка | |
| 119 | 4035-42600-AD | Вентилятор | |
| 120 | ДУТЖ-03 | Датчик | |
| 122 | ДСФ-65 | Датчик | |
| 129 | ДКД-2К | Датчик давления комбинированный | |
| 132 | №3970040989 | Держатель | |
| 144 | 6СТАА8.3-С260 | Двигатель | |
| 146 | Europiclon700 | Фильтр | |
| 149 | FH23304 | Фильтр предварительной очистки топлива | |
| 158 | TORRO12-20/9-C7W2 | Зажим | |
| 161 | TORRO130-150/12-C7W2 | Зажим | |
| 162 | GBSN117/25Wllcz | Хомут | |
| 165 | 4813267020 | Циклон | |
| 166 | №3900027192 | Резиновый соединительный штуцер | |
| 170 | 3,0-О-С | Проволока |
Содержащиеся в справочниках-каталогах запасные части и детали не предлагаются к продаже, а носят исключительно информационный характер