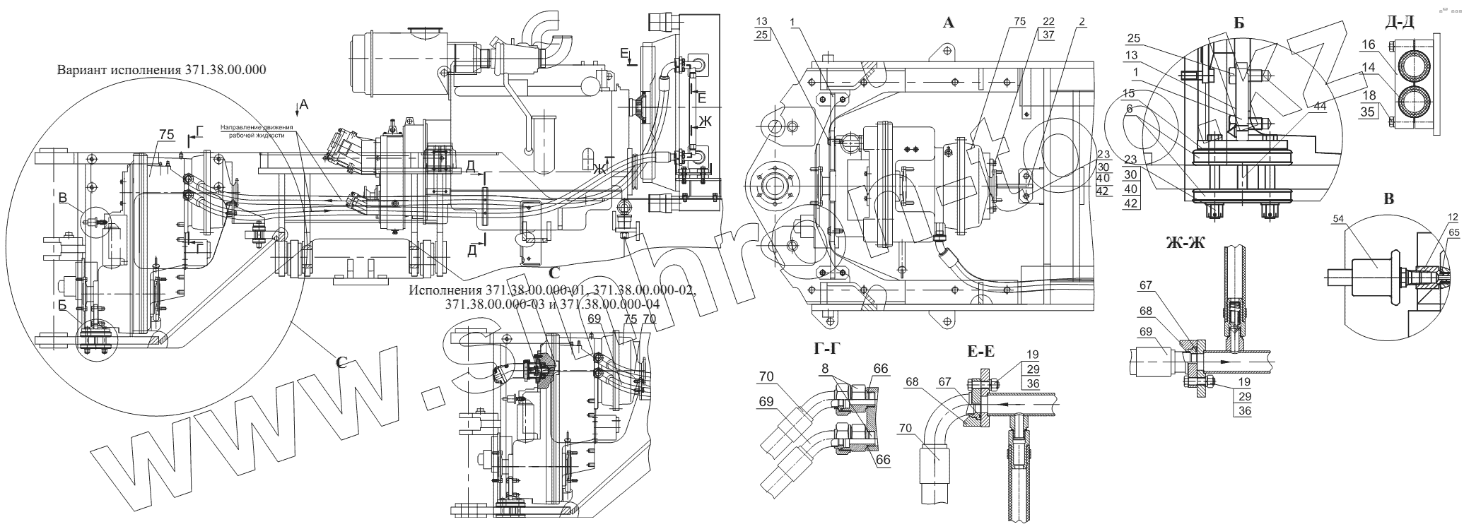
Каталог запасных частей к технике: Амкодор-371. 371.38.00.000 Установка ГМП
1
1
2
6
8
12
13
13
14
15
16
18
19
19
22
23
23
25
25
29
29
30
30
35
36
36
37
40
40
42
42
44
54
65
66
66
67
67
68
68
69
69
69
69
70
70
70
75
75
75
75
75
| Позиция на иллюстрации | Заводской номер детали | Название детали | |
|---|---|---|---|
| 1 | 371.38.00.100 | Кронштейн | |
| 2 | 361.38.00.200 | Кронштейн | |
| 6 | ТО-28А.02.00.400 | Амортизатор нижний | |
| 8 | 361.38.02.011 | Штуцер | |
| 12 | 361.38.02.014 | Штуцер | |
| 13 | 371.38.00.002 | Планка стопорная | |
| 14 | ТО-18Б.76.00.007 | Пластина | |
| 15 | ТО-27-1А-0500.00.001 | Прокладка регулировочная | |
| 16 | УДГ1.17.05.009 | Колодка верхняя | |
| 18 | M10-6gx55.88.35.0115 | Болт | |
| 19 | M12-6gx45.109.40X.0115 | Болт | |
| 22 | M16-6gx40.88.35.0115 | Болт | |
| 23 | 2M16x1,5-6gx130.109.40X.0115 | Болт | |
| 25 | M20-6gx45.88.35.0115 | Болт | |
| 29 | М12-6Н.10.40Х.0115 | Гайка | |
| 30 | М16х1,5-6Н.10.40Х.0115 | Гайка | |
| 35 | 10.65Г.0115 | Шайба | |
| 36 | 12.65Г.0115 | Шайба | |
| 37 | 16.65Г.0115 | Шайба | |
| 40 | С.16.02.Ст3.0115 | Шайба | |
| 42 | 4x36.019 | Шплинт | |
| 44 | 16x55 | Штифт | |
| 54 | ДД-20 | Датчик | |
| 65 | 7.7x1.9NBR70 | О-Кольцо | |
| 66 | 29.5x3NBR70 | О-Кольцо | |
| 67 | 38x3.6NBR70 | О-Кольцо | |
| 68 | NP32Р10FIS8184SAEI518b | Полуфланец | |
| 69 | 1SN-32-6,3-3150-DKOS45(M52x2)-SFL(#50,8) | РВД | |
| 69 | 1SN-32-6,3-3350-DKOS45(M52x2)-SFL(#50,8) | РВД | |
| 70 | 1SN-32-6,3-3350-DKOS45(M52x2)-SFL90(#50,8)-270 | РВД | |
| 75 | 4657654142 | Передача гидромеханическая | |
| 75 | 371.17.00.010 | Передача гидромеханическая | |
| 75 | 371.17.00.010-01 | Передача гидромеханическая |
Содержащиеся в справочниках-каталогах запасные части и детали не предлагаются к продаже, а носят исключительно информационный характер