Вернуться на главную
Поиск
Каталоги запчастей к технике
Спецтехника
Амкодор
Амкодор-361
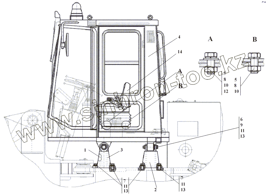
361-78.00.000 Установка кабины
Каталог запасных частей к технике: Амкодор-361. 361-78.00.000 Установка кабины
zoom-in
zoom-out
enlarge
shrink
circle-right
circle-left
file-text2
info
cart
Тип техники
Не выбрано
Легковые автомобили
Грузовые автомобили и прицепы
Автобусы
Сельхозтехника
Спецтехника
Двигатели
Мототехника
Марка
Не выбрано
Ammann
BOMAG
CARMIX
CASE IH
Changlin
ChengGong
Dimex
Doosan
DYNAPAC
Foton
HAMM
Hidromek
Hitachi
Hyundai
JCB
JLG
John Deere
Komatsu
LIEBHERR
LiuGong
Lonking (LongGong)
Luneng
MANITOU
Mitsuber
New Holland
PENGPU
RM-Terex
SANY
SDLG
SEM
Shantui
Shehwa HBXG
Soosan
TIGARBO
VOGELE
Volvo
WAY
WIRTGEN
XCMG
XGMA
Xiamen
YTO
Yuchai
Zoomlion
Автокран
АЗСМ
Алтайлесмаш
Амкодор
АОМЗ
Атек
АТЗ
Балканкар Рекорд
БелАЗ
Беловеж
Борекс
Брянский Арсенал
Булат
ВЭКС
ГАЗ
Геомаш
Гидромаш
Донекс
Дормаш
Дормашина
Дорэлектромаш
ДЭЗ
ЕлАЗ
ЗЗГТ
Ижнефтемаш
Канаш-электрокар
КЗКТ
ККЗ
Клевер
Клинцовский автокрановый завод
КМЗ
КМЗ 1 Мая
Ковровец
Коммаш
Кранэкс
КЭЗ
КЭМЗ
ЛЗА
МАЗ
МЗИК
МЗКМ
МЗКТ
Михневский РМЗ
МоАЗ
Мозырский МЗ
МТЗ
ОЗП
Онежец
ПАО "ТЗА"
ППС Детва
Промтрактор
ПТЗ
Раскат
СпецАгрегат
ТВЭКС
ТТМ
УВЗ
Угличмаш
УЗТМ
ХТЗ
ЧЗКМ
ЧСДМ
ЧТЗ
ЭКСКО
ЭКСМАШ
ЮрМаш
Модель
Не выбрано
2561 (2021)
352C (2019)
Амкодор-208А (2006)
Амкодор-208В (2006)
Амкодор-211 (2009)
Амкодор-211 (2011)
Амкодор-211nev (2009)
Амкодор-211Е (2014)
Амкодор-211Е (2016)
Амкодор-2243В (2012)
Амкодор-2541 (2013)
Амкодор-2541 (2021)
Амкодор-2551 (2011)
Амкодор-2551 (2020)
Амкодор-2661-01 (2011)
Амкодор-2662 (2015)
Амкодор-2904 (2020)
Амкодор-320 (2009)
Амкодор-320 (2011)
Амкодор-320СЕ (2013)
Амкодор-3225 (2018)
Амкодор-325 (ТО-18К) (2006)
Амкодор-327 (ТО-18Д) (2003)
Амкодор-332B, 332B4 (2008)
Амкодор-332С-01 (2006)
Амкодор-332С4 (2016)
Амкодор-332С4 (2018)
Амкодор-332С4, 332С4-02 (2008)
Амкодор-333 (ТО-18Б) (2004)
Амкодор-333А (ТО-18Б2) (2006)
Амкодор-333В (ТО-18Б3)
Амкодор-333В, 332С (2008)
Амкодор-342 (ТО-28) (2004)
Амкодор-342А (ТО-28А)
Амкодор-342В (ТО-18А) (2006)
Амкодор-342В, 342С4, 342Р (2008)
Амкодор-342В, 342С4, 342Р (2010)
Амкодор-342С (2006)
Амкодор-342С-03 (2008)
Амкодор-342С4 (2018)
Амкодор-351 (2006)
Амкодор-352 (2006)
Амкодор-352 (2008)
Амкодор-352 (2021)
Амкодор-352 (352C, 352Л) (2008)
Амкодор-352-10 (2010)
Амкодор-352-10 (2021)
Амкодор-352C (2006)
Амкодор-352СА (2017)
Амкодор-361 (2006)
Амкодор-37 (2012)
Амкодор-371 (2009)
Амкодор-371 (2014)
Амкодор-371А (2009)
Амкодор-451A (2006)
Амкодор-451A(2011) (2011)
Амкодор-527 (2009)
Амкодор-6223 (2007)
Амкодор-6223А (2007)
Амкодор-6223А (2016)
Амкодор-6223Е (2014)
Амкодор-6622 (2007)
Амкодор-6622А (2014)
Амкодор-6712B (2013)
Амкодор-6712А (2007)
Амкодор-702 (2006)
Амкодор-702EA (2007)
Амкодор-702EA(2012) (2012)
Амкодор-702EВ (2012)
Амкодор-702В (ТО-49-40) (2003)
Амкодор-702Е (2008)
Амкодор-702ЕМ-03 (2010)
Амкодор-732 (2015)
Амкодор-732 (2016)
Амкодор-8047А (2007)
Амкодор-91 (ДЗ-133ЭЦ) (2006)
Амкодор-9211А1 (2010)
Амкодор-9531 (ДЭ-226) (2006)
Амкодор-Е16 (2011)
Амкодор-Е25 (2017)
Амкодор-ЕР30 (2017)
Амкодор-ТО-18А (2000)
ГМП 2541.17.00.010-А (2013)
ГМП серии 120 модели G160.17.15.000 (2021)
ГМП серии У35615 модели 332.17.15.000 (2018)
ГМП серии У35615 модели 332С4.17.00.010-А 2018 (2018)
Мост ведущий неуправляемый 10Н.23.00.000 (2019)
Мост ведущий неуправляемый 10НР.24.00.000 (2019)
Мост ведущий неуправляемый 25Н (2018)
Мосты ведущие (2018)
Мосты ведущие серии 342 (2015)
Мосты серии 451 (2019)
Рабочие органы Амкодор-352 (2010)
Т400-70 (2020)
Схема
>
Не выбрано
361-78.00.000 Установка кабины
361-79.00.000 Система обогрева кабины
361-41.50.000 Силовая установка
361-41.00.100 Подвеска дизеля
361-41.02.000 Система топливная
361-41.02.300 Бак топливный
361-41.03.000 Система охлаждения
361-41.03.050 Блок радиаторов
361-41.09.000 Система выпуска отработавших газов
361-41.06.000 Управление дизелем
361-41.06.150 361-41.06.180 Трос
361-41.08.000 Установка предпускового подогревателя
361-41.50.200 Муфта полужесткая
361-41.51.000 Редуктор отбора мощности
361-11.00.000 Рама
361-11.00.000 Рама
361-20.50.000 Установка мостов и колес
361-36.70.000 Установка карданных валов
361-38.00.000 Установка ГМП
Схема электрическая соединений
Электросистема. Таблица соединений
Схема электрическая принципиальная силовой установки
Перечень элементов электрической схемы силовой установки
Схема электрическая принципиальная освещения
Перечень элементов электрической схемы освещения
Перечень элементов электрической схемы освещения
Схема электрическая принципиальная ГМКП
Перечень элементов электрической схемы ГМКП
Схема электрическая принципиальная контроля и сигнализации
Перечень элементов контроля и сигнализации
Схема электрическая принципиальная системы смазки
Перечень элементов электрической схемы системы смазки
361-45.00.000Г3 Схема гидравлическая принципиальная
361.45.00.000 Гидросистема рабочего оборудования
361-45.10.000 Гидростанция
361.45.51.000 Гидробак
361-45.52.100 Клапан переливной
361.45.56.000 Гидроцилиндр стрелы
361-45.58.000 Гидроцилиндр ковша
361.45.58.100 Гидроцилиндр
361.45.66.000 Гидроцилиндр стрелы
361-45.68.000 Гидроцилиндр ковша
361.45.68.100 Гидроцилиндр
361-60.00.000 Погрузочное оборудование
361-60.10.000 Ковш
361-74.20.000 Гидросистема рулевого управления
361-74.10.020 Гидроцилиндр поворота левый
361-74.10.030 Гидроцилиндр поворота правый
ЦЭ 125 063-00.000 Гидроцилиндр
ЦS 125 063-00.000 Гидроцилиндр
361-75.20.000 Гидросистема тормозов
361-77.00.000 Система централизованной смазки
361-77.00.000C6 Схема системы централизованной смазки
361-77.00.000C6 Перечень элементов системы централизованной смазки
361-00.00.000 Погрузчик фронтальный одноковшовый
1
2
3
4
5
5
6
7
7
8
8
9
10
10
11
11
11
12
13
13
13
14
Позиция на иллюстрации
Заводской номер детали
Название детали
1
361-78.00.100
Опора
2
361-78.00.200
Опора
3
361-78.00.400
Опора
4
361-78.01.000
Кабина
5
М8-6gх20.56.0115.7796
Болт
6
М30-6gх190.109.40Х.0115.7796
Болт
7
М30-6gх70.109.40Х.0115.7796
Болт
8
М8-6Н.5.0115.5915
Гайка
9
М30-6Н.10.40Х.0115.5915
Гайка
10
8.65Г.0115.6402
Шайба
11
30.65Г.0115.6402
Шайба
12
С.8.02.Ст3.0115.11371
Шайба
13
С.30.02.Ст3.0115.11371
Шайба
14
УНВ102М.01.22.00.00
Сиденье оператора
Содержащиеся в справочниках-каталогах запасные части и детали не предлагаются к продаже, а носят исключительно информационный характер
Дополнительная информация
×
Название:
Номер:
Примечание: