Вернуться на главную
Поиск
Каталоги запчастей к технике
Спецтехника
Амкодор
Амкодор-352
Гидросистема ГМП 350.07.00.000
Каталог запасных частей к технике: Амкодор-352. Гидросистема ГМП 350.07.00.000
zoom-in
zoom-out
enlarge
shrink
circle-right
circle-left
file-text2
info
cart
Тип техники
Не выбрано
Легковые автомобили
Грузовые автомобили и прицепы
Автобусы
Сельхозтехника
Спецтехника
Двигатели
Мототехника
Марка
Не выбрано
Ammann
BOMAG
CARMIX
CASE IH
Changlin
ChengGong
Dimex
Doosan
DYNAPAC
Foton
HAMM
Hidromek
Hitachi
Hyundai
JCB
JLG
John Deere
Komatsu
LIEBHERR
LiuGong
Lonking (LongGong)
Luneng
MANITOU
Mitsuber
New Holland
PENGPU
RM-Terex
SANY
SDLG
SEM
Shantui
Shehwa HBXG
Soosan
TIGARBO
VOGELE
Volvo
WAY
WIRTGEN
XCMG
XGMA
Xiamen
YTO
Yuchai
Zoomlion
Автокран
АЗСМ
Алтайлесмаш
Амкодор
АОМЗ
Атек
АТЗ
Балканкар Рекорд
БелАЗ
Беловеж
Борекс
Брянский Арсенал
Булат
ВЭКС
ГАЗ
Геомаш
Гидромаш
Донекс
Дормаш
Дормашина
Дорэлектромаш
ДЭЗ
ЕлАЗ
ЗЗГТ
Ижнефтемаш
Канаш-электрокар
КЗКТ
ККЗ
Клевер
Клинцовский автокрановый завод
КМЗ
КМЗ 1 Мая
Ковровец
Коммаш
Кранэкс
КЭЗ
КЭМЗ
ЛЗА
МАЗ
МЗИК
МЗКМ
МЗКТ
Михневский РМЗ
МоАЗ
Мозырский МЗ
МТЗ
ОЗП
Онежец
ПАО "ТЗА"
ППС Детва
Промтрактор
ПТЗ
Раскат
СпецАгрегат
ТВЭКС
ТТМ
УВЗ
Угличмаш
УЗТМ
ХТЗ
ЧЗКМ
ЧСДМ
ЧТЗ
ЭКСКО
ЭКСМАШ
ЮрМаш
Модель
Не выбрано
2561 (2021)
352C (2019)
Амкодор-208А (2006)
Амкодор-208В (2006)
Амкодор-211 (2009)
Амкодор-211 (2011)
Амкодор-211nev (2009)
Амкодор-211Е (2014)
Амкодор-211Е (2016)
Амкодор-2243В (2012)
Амкодор-2541 (2013)
Амкодор-2541 (2021)
Амкодор-2551 (2011)
Амкодор-2551 (2020)
Амкодор-2661-01 (2011)
Амкодор-2662 (2015)
Амкодор-2904 (2020)
Амкодор-320 (2009)
Амкодор-320 (2011)
Амкодор-320СЕ (2013)
Амкодор-3225 (2018)
Амкодор-325 (ТО-18К) (2006)
Амкодор-327 (ТО-18Д) (2003)
Амкодор-332B, 332B4 (2008)
Амкодор-332С-01 (2006)
Амкодор-332С4 (2016)
Амкодор-332С4 (2018)
Амкодор-332С4, 332С4-02 (2008)
Амкодор-333 (ТО-18Б) (2004)
Амкодор-333А (ТО-18Б2) (2006)
Амкодор-333В (ТО-18Б3)
Амкодор-333В, 332С (2008)
Амкодор-342 (ТО-28) (2004)
Амкодор-342А (ТО-28А)
Амкодор-342В (ТО-18А) (2006)
Амкодор-342В, 342С4, 342Р (2008)
Амкодор-342В, 342С4, 342Р (2010)
Амкодор-342С (2006)
Амкодор-342С-03 (2008)
Амкодор-342С4 (2018)
Амкодор-351 (2006)
Амкодор-352 (2006)
Амкодор-352 (2008)
Амкодор-352 (2021)
Амкодор-352 (352C, 352Л) (2008)
Амкодор-352-10 (2010)
Амкодор-352-10 (2021)
Амкодор-352C (2006)
Амкодор-352СА (2017)
Амкодор-361 (2006)
Амкодор-37 (2012)
Амкодор-371 (2009)
Амкодор-371 (2014)
Амкодор-371А (2009)
Амкодор-451A (2006)
Амкодор-451A(2011) (2011)
Амкодор-527 (2009)
Амкодор-6223 (2007)
Амкодор-6223А (2007)
Амкодор-6223А (2016)
Амкодор-6223Е (2014)
Амкодор-6622 (2007)
Амкодор-6622А (2014)
Амкодор-6712B (2013)
Амкодор-6712А (2007)
Амкодор-702 (2006)
Амкодор-702EA (2007)
Амкодор-702EA(2012) (2012)
Амкодор-702EВ (2012)
Амкодор-702В (ТО-49-40) (2003)
Амкодор-702Е (2008)
Амкодор-702ЕМ-03 (2010)
Амкодор-732 (2015)
Амкодор-732 (2016)
Амкодор-8047А (2007)
Амкодор-91 (ДЗ-133ЭЦ) (2006)
Амкодор-9211А1 (2010)
Амкодор-9531 (ДЭ-226) (2006)
Амкодор-Е16 (2011)
Амкодор-Е25 (2017)
Амкодор-ЕР30 (2017)
Амкодор-ТО-18А (2000)
ГМП 2541.17.00.010-А (2013)
ГМП серии 120 модели G160.17.15.000 (2021)
ГМП серии У35615 модели 332.17.15.000 (2018)
ГМП серии У35615 модели 332С4.17.00.010-А 2018 (2018)
Мост ведущий неуправляемый 10Н.23.00.000 (2019)
Мост ведущий неуправляемый 10НР.24.00.000 (2019)
Мост ведущий неуправляемый 25Н (2018)
Мосты ведущие (2018)
Мосты ведущие серии 342 (2015)
Мосты серии 451 (2019)
Рабочие органы Амкодор-352 (2010)
Т400-70 (2020)
Схема
>
Не выбрано
Установка кабины ТО-18Б.85.00.000-02
Кабина У7810.7-9.00.00.000-01
Кабина У7810.7-9.00.00.000-01
Кабина У7810.7-9.00.00.000-01
Кабина У7810.7-9.00.00.000-01
Кабина У7810.7-9.00.00.000-01
Дверь У7810.7-9.01.01.000-01
Окно У7810.7-9.01.01.600-01
Сиденье У7810.7-9.00.07.000-01
Установка трубопроводов отопителя ТО-28А.20.00.000-01
Облицовка 350.13.00.000
Облицовка 350.13.00.000
Облицовка 350.13.00.000
Облицовка 350.13.00.000
Установка силовая 350.02.00.000
Воздухоочиститель ТО-28А.02.03.000
Топливный бак ТО-28А.02.02.000-01
Шторка радиатора ТО-18.02.11.000
Муфта эластичная резиновая МЭР-24.02.65.000
Установка ГМП 350.03.00.000
Передача гидромеханическая 351-38.01.000-01
Передача гидромеханическая 351-38.01.000-01
Передача гидромеханическая 351-38.01.000-01
Передача гидромеханическая 351-38.01.000-01
Передача гидромеханическая. Вал турбинный 351-38.01.000-01
Вал турбинный У35.615-01.050-01
Фрикцион У35.615-01.060-01
Передача гидромеханическая 351-38.01.000-01
Передача гидромеханическая 351-38.01.000-01
Передача гидромеханическая 351-38.01.000-01
Передача гидромеханическая 351-38.01.000-01
Передача гидромеханическая 351-38.01.000-01
Фильтр У35.615-12.100
Плита У35.615-12.120
Механизм управления У35.605М-03.000-04
Блок клапанов У35.615-12.140
Клапан У35.605М-05.000
Редуктор отбора мощности на аварийный насос руля 342PL.03.01.000
Механизм тормозной У35.615-35.510
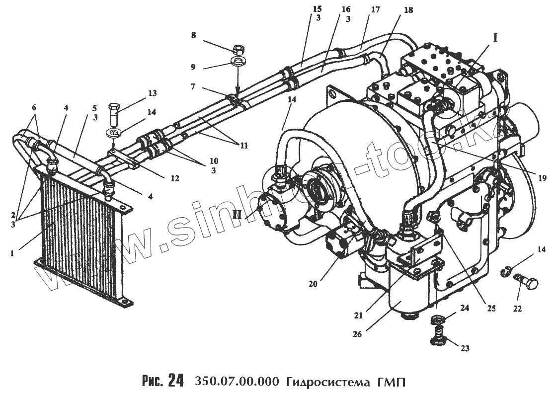
Гидросистема ГМП 350.07.00.000
Гидросистема ГМП 350.07.00.000
Установка карданных валов 350.04.00.000
Вал карданный ТО-28А.04.00.100-01
Установка мостов и колес 350.05.00.000
Мост ведущий 342.05.01.000-01
Главная передача 342.05.01.050
Дифференциал 342.05.01.070
Водило с сателлитами У2210.20Н-2-05.200
Колесная передача У2210.20Н-2-03.000-02
Рама 350.01.00.000
Рама 350.01.00.000
Колесо 350.05.02.000
Блок управления У7810.7-9.02.02.500-01
Привод гидроруля У7810.7-9.02.01.750-01
Вал У7810.7-9.02.03.200-02
Подкабинник У7810.7-9.02.00.000-02
Подкабинник У7810.7-9.02.00.000-02
Управление 350.09.00.000
Тормоз колесный У2210.20Н-2-03.100-02
Гидросистема тормозов 342В.10.00.000-02
Электросистема 351.11.00.000
Редуктор отбора мощности 350.02.04.000
Гидросистема погрузочного оборудования 350.06.00.000
Гидрораспределитель 2-х секционный с гидроуправлением РГС 25Г.2-12.00.000
Секция рабочая 3-х позиционная РГС 25Г-12.11.000
Секция рабочая 3-х позиционная с переливными клапанами РГС 25Г-12.12.000
Управление гидрораспределителем 350.06.09.000
Цилиндр стреловой 350.06.19.000
Цилиндр ковшовый 350.06.18.000
Гидробак 350.06.16.000
Гидросистема рулевого управления ТО-28А.78.00.000-02
Гидросистема рулевого управления ТО-28А.78.00.000-02
Фильтр магистральный ТО-18Б.08.04.000-01
Цилиндр рулевой ТО-28А.08.20.000
Оборудование погрузочное 350.14.00.000
Ковш 351.21.00.000
Погрузчик фронтальный одноковшовый 352.00.00.000
Погрузчик фронтальный одноковшовый 352.00.00.000
1
2
3
3
3
3
3
4
4
5
6
7
8
9
10
11
12
13
14
14
14
15
16
17
18
19
20
21
22
23
24
25
26
Позиция на иллюстрации
Заводской номер детали
Название детали
1
151А-1013030
Радиатор масляный
2
32х43-1,6.10362
Рукав (L=90 мм)
3
32-50/9-C7W2
Зажим TORRO
4
ТО-18Б.77.00.020
Угольник
5
32х43-1,6.10362
Рукав (L=90 мм)
6
350.07.00.001
Труба
7
ТО-18.06.00.025
Скоба
8
М8.5915
Гайка
9
8.6402
Шайба
10
32х43-1,6.10362
Рукав (L=90 мм)
11
ТО-18Д.07.00.022
Труба
12
УДГ1-17.05.007
Колодка верхняя
13
М10х45.7796
Болт
14
10.6402
Шайба
15
32х43-1,6.10362
Рукав (L=90 мм)
16
32х43-1,6.10362
Рукав (L=90 мм)
17
ТО-18Д.07.00.030
Трубопровод
18
ТО-28.07.03.040
Трубопровод
19
2SNNP16х650 A10spA10sp
Рукав
20
2SNNP20х850 A10spA10sp
Рукав высокого давления
21
ТО-28А.07.00.004
Кронштейн
22
М10х20.7796
Болт
23
М12х35.7796
Болт
24
12.6402
Шайба
25
М12.5915
Гайка
26
ТО-28А.07.04.000
Фильтр магистральный
Содержащиеся в справочниках-каталогах запасные части и детали не предлагаются к продаже, а носят исключительно информационный характер
Дополнительная информация
×
Название:
Номер:
Примечание: