Каталог запасных частей к технике: Амкодор-342А (ТО-28А). Тормоз левый
1
2
2
2
2
3
4
4
5
5
6
6
7
8
9
9
10
11
12
13
14
15
15
16
17
18
18
18
19
19
20
21
22
22
23
23
24
25
26
27
28
29
30
31
32
33
34
35
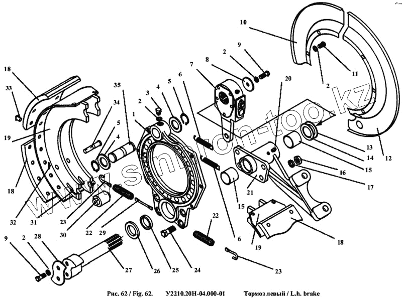
| Позиция на иллюстрации | Заводской номер детали | Название детали | |
|---|---|---|---|
| 1 | У2210.20Н-03.002 | Суппорт тормоза | |
| 2 | 10.6402 | Шайба | |
| 3 | У2210.03-01.013 | Болт стопорный | |
| 4 | У2210.03-01.014 | Шайба оси колодок | |
| 5 | В32.13940 | Кольцо | |
| 6 | У2210.02-01.002 | Пружина колодок нижняя | |
| 7 | У2210.20Н-03.070 | Рычаг регулировочный | |
| 8 | У2210.02-01.008 | Шайба регулировочного рычага | |
| 9 | М10х16.7796 | Болт | |
| 10 | У2210.20Н-00.027 | Кожух | |
| 11 | М10х16.7798 | Болт | |
| 12 | У2210.20Н-00.026 | Кожух | |
| 13 | У2210.02-01.006 | Прокладка регулировочного рычага | |
| 14 | У2210.02-01.007 | Прокладка регулировочного рычага | |
| 15 | У2210.02-01.029 | Втулка кронштейна | |
| 16 | М14.5916 | Гайка | |
| 17 | 14.6402 | Шайба | |
| 18 | У2210.03-01.021 | Накладка | |
| 19 | У2210.03-01.020 | Колодка тормозная | |
| 20 | 1.3.01.19583 | Масленка | |
| 21 | У2210.03-02.034 | Кронштейн тормозной камеры левый | |
| 22 | У2210.03-01.039 | Пружина колодок | |
| 23 | У2210.03-01.042 | Наконечник пружины | |
| 24 | М14х40.7808 | Болт | |
| 25 | 039-045-36.9833 | Кольцо | |
| 26 | У2210.02-01.005 | Втулка распорная | |
| 27 | У2210.02-02.001 | Кулак разжимной левый | |
| 28 | У2210.03-01.005 | Пластина опорная | |
| 29 | У2210.03-01.041 | Звено пружины | |
| 30 | У2210.03-01.023 | Ролик | |
| 31 | У2210.03-01.022 | Стопор ролика | |
| 32 | 4х25.397 | Шплинт | |
| 33 | У2210.02-01.024 | Заклепка накладки | |
| 34 | У2210.03-01.004 | Палец пружины | |
| 35 | У2210.03-01.003 | Ось колодок |
Содержащиеся в справочниках-каталогах запасные части и детали не предлагаются к продаже, а носят исключительно информационный характер