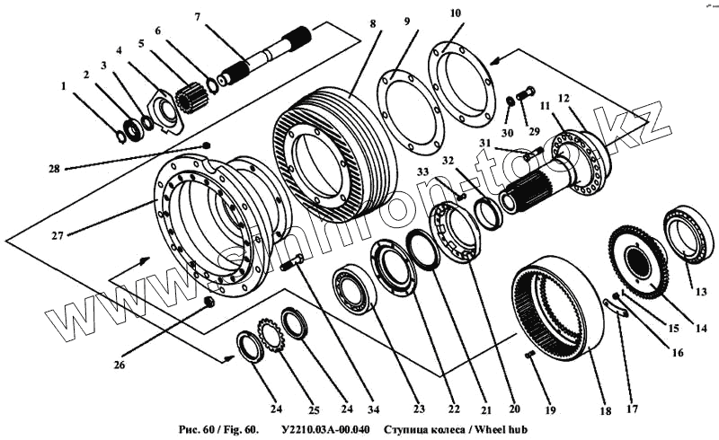
Каталог запасных частей к технике: Амкодор-342А (ТО-28А). Ступица колеса
1
2
3
4
5
6
7
8
9
10
11
12
13
14
15
16
17
18
19
20
21
22
23
24
24
25
26
27
28
29
30
31
32
33
34
| Позиция на иллюстрации | Заводской номер детали | Название детали | |
|---|---|---|---|
| 1 | В40.13942 | Кольцо | |
| 2 | 208.8338 | Подшипник | |
| 3 | У2210.03-00.014 | Кольцо распорное | |
| 4 | У2210.02-00.006 | Ограничитель | |
| 5 | У2210.03-00.002 | Шестерня солнечная | |
| 6 | В50.13942 | Кольцо | |
| 7 | У2210.03А-00.001 | Полуось | |
| 8 | У2210.03-00.051 | Барабан тормозной | |
| 9 | У2210.03-00.052 | Прокладка | |
| 10 | У2210.03-00.053 | Отражатель | |
| 11 | У2210.03А-00.006 | Цапфа | |
| 12 | 110-116-36.9833 | Кольцо | |
| 13 | 2007128.37.006.162 | Подшипник | |
| 14 | У2210.03-00.058 | Ступица переходная | |
| 15 | 2,5х20.397 | Шплинт | |
| 16 | М10.5918 | Гайка | |
| 17 | У2210.02-00.059 | Ригель | |
| 18 | У2210.03-00.058 | Ступица переходная | |
| 19 | 2М10х30.7796 | Болт | |
| 20 | У2210.03-00.007 | Маслоуловитель | |
| 21 | 1.1-120х150.8752 | Манжета | |
| 22 | У2210.03-00.067 | Крышка подшипников ступицы | |
| 23 | 7520.37.006.162 | Подшипник | |
| 24 | У2210.03-00.003 | Гайка специальная | |
| 25 | У2210.03-00.004 | Шайба стопорная | |
| 26 | У2210.03-00.019 | Гайка крепления колеса | |
| 27 | У2210.03А-00.049 | Ступица колеса | |
| 28 | К1/2".2Г-96-1 | Пробка | |
| 29 | М20х55.7796 | Болт | |
| 30 | 20.6402 | Шайба | |
| 31 | М16х80.7808 | Болт | |
| 32 | У2210.03-00.035 | Кольцо | |
| 33 | 3М8х20.7808 | Болт | |
| 34 | У2210.03-00.054 | Болт |
Содержащиеся в справочниках-каталогах запасные части и детали не предлагаются к продаже, а носят исключительно информационный характер