Вернуться на главную
Поиск
Каталоги запчастей к технике
Спецтехника
Амкодор
Амкодор-342А (ТО-28А)
Рычаг регулировочный
Каталог запасных частей к технике: Амкодор-342А (ТО-28А). Рычаг регулировочный
zoom-in
zoom-out
enlarge
shrink
circle-right
circle-left
file-text2
info
cart
Тип техники
Не выбрано
Легковые автомобили
Грузовые автомобили и прицепы
Автобусы
Сельхозтехника
Спецтехника
Двигатели
Мототехника
Марка
Не выбрано
Ammann
BOMAG
CARMIX
CASE IH
Changlin
ChengGong
Dimex
Doosan
DYNAPAC
Foton
HAMM
Hidromek
Hitachi
Hyundai
JCB
JLG
John Deere
Komatsu
LIEBHERR
LiuGong
Lonking (LongGong)
Luneng
MANITOU
Mitsuber
New Holland
PENGPU
RM-Terex
SANY
SDLG
SEM
Shantui
Shehwa HBXG
Soosan
TIGARBO
VOGELE
Volvo
WAY
WIRTGEN
XCMG
XGMA
Xiamen
YTO
Yuchai
Zoomlion
Автокран
АЗСМ
Алтайлесмаш
Амкодор
АОМЗ
Атек
АТЗ
Балканкар Рекорд
БелАЗ
Беловеж
Борекс
Брянский Арсенал
Булат
ВЭКС
ГАЗ
Геомаш
Гидромаш
Донекс
Дормаш
Дормашина
Дорэлектромаш
ДЭЗ
ЕлАЗ
ЗЗГТ
Ижнефтемаш
Канаш-электрокар
КЗКТ
ККЗ
Клевер
Клинцовский автокрановый завод
КМЗ
КМЗ 1 Мая
Ковровец
Коммаш
Кранэкс
КЭЗ
КЭМЗ
ЛЗА
МАЗ
МЗИК
МЗКМ
МЗКТ
Михневский РМЗ
МоАЗ
Мозырский МЗ
МТЗ
ОЗП
Онежец
ПАО "ТЗА"
ППС Детва
Промтрактор
ПТЗ
Раскат
СпецАгрегат
ТВЭКС
ТТМ
УВЗ
Угличмаш
УЗТМ
ХТЗ
ЧЗКМ
ЧСДМ
ЧТЗ
ЭКСКО
ЭКСМАШ
ЮрМаш
Модель
Не выбрано
2561 (2021)
352C (2019)
Амкодор-208А (2006)
Амкодор-208В (2006)
Амкодор-211 (2009)
Амкодор-211 (2011)
Амкодор-211nev (2009)
Амкодор-211Е (2014)
Амкодор-211Е (2016)
Амкодор-2243В (2012)
Амкодор-2541 (2013)
Амкодор-2541 (2021)
Амкодор-2551 (2011)
Амкодор-2551 (2020)
Амкодор-2661-01 (2011)
Амкодор-2662 (2015)
Амкодор-2904 (2020)
Амкодор-320 (2009)
Амкодор-320 (2011)
Амкодор-320СЕ (2013)
Амкодор-3225 (2018)
Амкодор-325 (ТО-18К) (2006)
Амкодор-327 (ТО-18Д) (2003)
Амкодор-332B, 332B4 (2008)
Амкодор-332С-01 (2006)
Амкодор-332С4 (2016)
Амкодор-332С4 (2018)
Амкодор-332С4, 332С4-02 (2008)
Амкодор-333 (ТО-18Б) (2004)
Амкодор-333А (ТО-18Б2) (2006)
Амкодор-333В (ТО-18Б3)
Амкодор-333В, 332С (2008)
Амкодор-342 (ТО-28) (2004)
Амкодор-342А (ТО-28А)
Амкодор-342В (ТО-18А) (2006)
Амкодор-342В, 342С4, 342Р (2008)
Амкодор-342В, 342С4, 342Р (2010)
Амкодор-342С (2006)
Амкодор-342С-03 (2008)
Амкодор-342С4 (2018)
Амкодор-351 (2006)
Амкодор-352 (2006)
Амкодор-352 (2008)
Амкодор-352 (2021)
Амкодор-352 (352C, 352Л) (2008)
Амкодор-352-10 (2010)
Амкодор-352-10 (2021)
Амкодор-352C (2006)
Амкодор-352СА (2017)
Амкодор-361 (2006)
Амкодор-37 (2012)
Амкодор-371 (2009)
Амкодор-371 (2014)
Амкодор-371А (2009)
Амкодор-451A (2006)
Амкодор-451A(2011) (2011)
Амкодор-527 (2009)
Амкодор-6223 (2007)
Амкодор-6223А (2007)
Амкодор-6223А (2016)
Амкодор-6223Е (2014)
Амкодор-6622 (2007)
Амкодор-6622А (2014)
Амкодор-6712B (2013)
Амкодор-6712А (2007)
Амкодор-702 (2006)
Амкодор-702EA (2007)
Амкодор-702EA(2012) (2012)
Амкодор-702EВ (2012)
Амкодор-702В (ТО-49-40) (2003)
Амкодор-702Е (2008)
Амкодор-702ЕМ-03 (2010)
Амкодор-732 (2015)
Амкодор-732 (2016)
Амкодор-8047А (2007)
Амкодор-91 (ДЗ-133ЭЦ) (2006)
Амкодор-9211А1 (2010)
Амкодор-9531 (ДЭ-226) (2006)
Амкодор-Е16 (2011)
Амкодор-Е25 (2017)
Амкодор-ЕР30 (2017)
Амкодор-ТО-18А (2000)
ГМП 2541.17.00.010-А (2013)
ГМП серии 120 модели G160.17.15.000 (2021)
ГМП серии У35615 модели 332.17.15.000 (2018)
ГМП серии У35615 модели 332С4.17.00.010-А 2018 (2018)
Мост ведущий неуправляемый 10Н.23.00.000 (2019)
Мост ведущий неуправляемый 10НР.24.00.000 (2019)
Мост ведущий неуправляемый 25Н (2018)
Мосты ведущие (2018)
Мосты ведущие серии 342 (2015)
Мосты серии 451 (2019)
Рабочие органы Амкодор-352 (2010)
Т400-70 (2020)
Схема
>
Не выбрано
Кабина
Кабина
Кабина
Кабина
Установка кабины
Установка кабины
Подкабинник
Подкабинник
Дверь
Окно
Сиденье
Система обогрева кабины
Облицовка
Облицовка
Облицовка
Облицовка
Установка силовая
Топливный бак
Воздухоочиститель
Установка радиаторов
Шторка радиатора
Муфта эластичная резиновая
Фрикцион
Установка ГМП
Передача гидромеханическая
Передача гидромеханическая
Передача гидромеханическая
Передача гидромеханическая
Передача гидромеханическая
Передача гидромеханическая
Передача гидромеханическая
Передача гидромеханическая
Передача гидромеханическая
Передача гидромеханическая
Установка карданных валов
Вал карданный
Установка мостов и колес
Мост ведущий
Главная передача
Дифференциал
Водило с сателлитами
Рама
Рама
Колесо
Ступица колеса
Управление распределителем
Механизм управления
Управление
Цилиндр рулевой
Блок управления
Привод гидроруля
Тормоз правый
Тормоз левый
Пневмосистема
Электросистема
Редуктор отбора мощности на аварийный насос руля
Редуктор отбора мощности
Гидросистема ГМП
Гидросистема ГМП
Гидросистема рабочего оборудования
Гидросистема рулевого управления
Гидросистема рулевого управления
Гидробак
Цилиндр стреловой
Цилиндр ковшовый
Оборудование погрузочное
Ковш
Фильтр
Фильтр магистральный
Плита
Клапан
Клапан
Вал
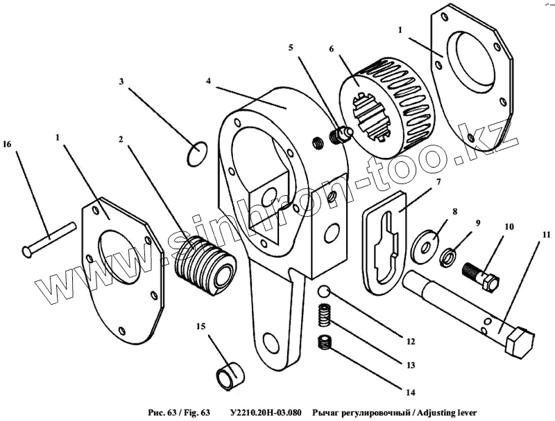
Рычаг регулировочный
Погрузчик одноковшовый
1
1
2
3
4
5
6
7
8
9
10
11
12
13
14
15
Позиция на иллюстрации
Заводской номер детали
Название детали
1
У2210.20Н-03.073
Крышка
2
У2210.02-01.073
Червяк регулировочного рычага
3
15.3111
Заглушка
4
У2210.20Н-03.080
Корпус рычага
5
1.3.01.19853
Масленка
6
У2210.02-01.049
Шестерня регулировочного рычага
7
У2210.20Н-03.074
Пластина
8
8.11371
Шайба
9
8.6402
Шайба
10
М8х16.7796
Болт
11
У2210.20Н-03.071
Ось червяка
12
Б8-60.3722
Шарик
13
У2210.20Н-03.072
Пружина
14
ВМ8х8.1477
Винт
15
У2210.20Н-03.082
Втулка
Содержащиеся в справочниках-каталогах запасные части и детали не предлагаются к продаже, а носят исключительно информационный характер
Дополнительная информация
×
Название:
Номер:
Примечание: