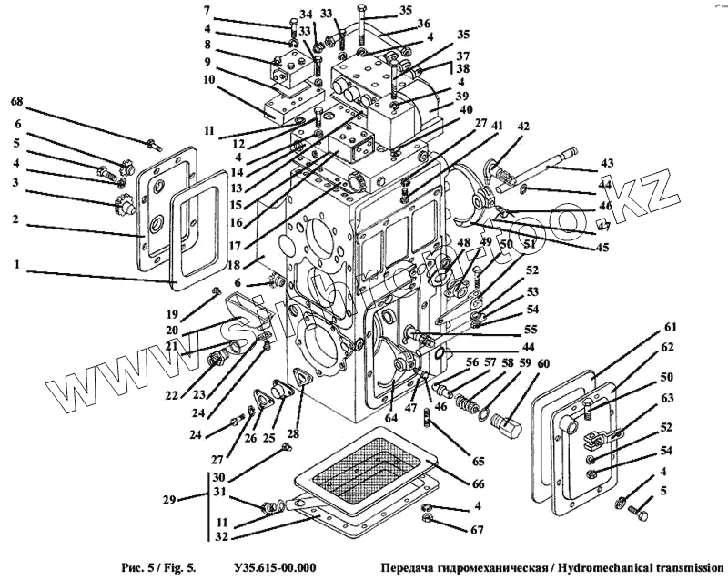
Каталог запасных частей к технике: Амкодор-342А (ТО-28А). Передача гидромеханическая
1
2
3
4
4
4
4
4
4
4
5
5
6
6
7
8
9
10
11
11
12
13
14
15
16
17
18
19
20
21
22
23
24
24
25
26
27
27
28
29
30
31
32
33
33
34
35
35
36
37
38
39
40
41
42
43
44
44
45
46
46
47
47
48
49
50
50
51
52
52
53
54
54
55
56
57
58
59
60
61
62
63
64
65
66
67
68
| Позиция на иллюстрации | Заводской номер детали | Название детали | |
|---|---|---|---|
| 1 | У35.615-00.561 | Прокладка | |
| 2 | У35.615-01.210 | Крышка | |
| 3 | П4-2-25-К-1.22241 | Пробка | |
| 4 | 12.6402 | Шайба | |
| 5 | М12х25.7796 | Болт | |
| 6 | П1-М14х1,5-К-1.22241 | Пробка | |
| 7 | М12х70.7796 | Болт | |
| 8 | У35.605М-05.000 | Клапан | |
| 9 | У35.615-01.509 | Прокладка | |
| 10 | У35.615-01.501 | Плита | |
| 11 | 023-028-30.9833 | Кольцо | |
| 12 | М12-60.7796 | Болт | |
| 13 | У35.615-01.507 | Прокладка | |
| 14 | У35.615-12.120 | Плита | |
| 15 | У35.615-01.508 | Прокладка | |
| 16 | У35.615-12.140 | Клапан | |
| 17 | У35.615-01.506 | Прокладка | |
| 18 | У35.615-01.030 | Картер коробки передач | |
| 19 | М8х16.7796 | Болт | |
| 20 | У35.615-01.240 | Брызговик | |
| 21 | 040-045-30.9833 | Кольцо | |
| 22 | У35.615-01.512 | Штуцер | |
| 23 | У35.615-01.527 | Планка стопорная | |
| 24 | М8х20.7796 | Болт | |
| 25 | У35.605-00.569 | Крышка | |
| 26 | У35.605-00.571 | Прижим | |
| 27 | 8.6402 | Шайба | |
| 28 | У35.605-00.568 | Прокладка | |
| 29 | У35.615-01.140 | Поддон | |
| 30 | 1-1/4".22-1624.18-84 | Пробка | |
| 31 | У35.615-01.170 | Пробка | |
| 32 | У35.615-01.150 | Поддон | |
| 33 | М8х65.7796 | Болт | |
| 34 | У35.615-04.003 | Штуцер | |
| 35 | М12х110.7796 | Болт | |
| 36 | У35.615-01.110 | Трубопровод | |
| 37 | У35.605М-03.000-04 | Механизм управления | |
| 38 | У35.605М-03.000-03 | Механизм управления | |
| 39 | У35.615-12.100 | Фильтр | |
| 40 | 018-022-25.9833 | Кольцо | |
| 41 | М8х55.7796 | Болт | |
| 42 | У35.605-00.080 | Рычаг | |
| 43 | У35.605-00.570 | Валик | |
| 44 | 020-025-30.9833 | Кольцо | |
| 45 | У35.605-00.573 | Вилка | |
| 46 | У35.605-00.572 | Болт | |
| 47 | 1,6-1.3282 | Проволока | |
| 48 | У35.605-00.565 | Прокладка | |
| 49 | У35.615-00.564 | Крышка | |
| 50 | М10х50.7796 | Болт | |
| 51 | У35.605-00.511 | Рычаг | |
| 52 | 10.6402 | Шайба | |
| 53 | У35.605-00.599 | Валик | |
| 54 | М10.5915 | Гайка | |
| 55 | У35.605-00.230 | Рычаг | |
| 56 | Б12.000-10.3722 | Шарик | |
| 57 | У35.605-00.576 | Толкатель | |
| 58 | У35.605-00.575 | Пружина | |
| 59 | М8.23358 | Прокладка | |
| 60 | У35.605-00.574 | Корпус фиксатора | |
| 61 | У35.605-00.562 | Прокладка | |
| 62 | У35.605-00.240 | Крышка | |
| 63 | У35.605-00.563-01 | Рычаг | |
| 64 | У35.605-00.509 | Вилка | |
| 65 | М12х25.22036 | Шпилька | |
| 66 | У35.615-01.160 | Сетка | |
| 67 | М12.5915 | Гайка | |
| 68 | У35.615-01.514 | Пробка |
Содержащиеся в справочниках-каталогах запасные части и детали не предлагаются к продаже, а носят исключительно информационный характер