Вернуться на главную
Поиск
Каталоги запчастей к технике
Спецтехника
Амкодор
Амкодор-333В (ТО-18Б3)
Топливный бак
Каталог запасных частей к технике: Амкодор-333В (ТО-18Б3). Топливный бак
zoom-in
zoom-out
enlarge
shrink
circle-right
circle-left
file-text2
info
cart
Тип техники
Не выбрано
Легковые автомобили
Грузовые автомобили и прицепы
Автобусы
Сельхозтехника
Спецтехника
Двигатели
Мототехника
Марка
Не выбрано
Ammann
BOMAG
CARMIX
CASE IH
Changlin
ChengGong
Dimex
Doosan
DYNAPAC
Foton
HAMM
Hidromek
Hitachi
Hyundai
JCB
JLG
John Deere
Komatsu
LIEBHERR
LiuGong
Lonking (LongGong)
Luneng
MANITOU
Mitsuber
New Holland
PENGPU
RM-Terex
SANY
SDLG
SEM
Shantui
Shehwa HBXG
Soosan
TIGARBO
VOGELE
Volvo
WAY
WIRTGEN
XCMG
XGMA
Xiamen
YTO
Yuchai
Zoomlion
Автокран
АЗСМ
Алтайлесмаш
Амкодор
АОМЗ
Атек
АТЗ
Балканкар Рекорд
БелАЗ
Беловеж
Борекс
Брянский Арсенал
Булат
ВЭКС
ГАЗ
Геомаш
Гидромаш
Донекс
Дормаш
Дормашина
Дорэлектромаш
ДЭЗ
ЕлАЗ
ЗЗГТ
Ижнефтемаш
Канаш-электрокар
КЗКТ
ККЗ
Клевер
Клинцовский автокрановый завод
КМЗ
КМЗ 1 Мая
Ковровец
Коммаш
Кранэкс
КЭЗ
КЭМЗ
ЛЗА
МАЗ
МЗИК
МЗКМ
МЗКТ
Михневский РМЗ
МоАЗ
Мозырский МЗ
МТЗ
ОЗП
Онежец
ПАО "ТЗА"
ППС Детва
Промтрактор
ПТЗ
Раскат
СпецАгрегат
ТВЭКС
ТТМ
УВЗ
Угличмаш
УЗТМ
ХТЗ
ЧЗКМ
ЧСДМ
ЧТЗ
ЭКСКО
ЭКСМАШ
ЮрМаш
Модель
Не выбрано
2561 (2021)
352C (2019)
Амкодор-208А (2006)
Амкодор-208В (2006)
Амкодор-211 (2009)
Амкодор-211 (2011)
Амкодор-211nev (2009)
Амкодор-211Е (2014)
Амкодор-211Е (2016)
Амкодор-2243В (2012)
Амкодор-2541 (2013)
Амкодор-2541 (2021)
Амкодор-2551 (2011)
Амкодор-2551 (2020)
Амкодор-2661-01 (2011)
Амкодор-2662 (2015)
Амкодор-2904 (2020)
Амкодор-320 (2009)
Амкодор-320 (2011)
Амкодор-320СЕ (2013)
Амкодор-3225 (2018)
Амкодор-325 (ТО-18К) (2006)
Амкодор-327 (ТО-18Д) (2003)
Амкодор-332B, 332B4 (2008)
Амкодор-332С-01 (2006)
Амкодор-332С4 (2016)
Амкодор-332С4 (2018)
Амкодор-332С4, 332С4-02 (2008)
Амкодор-333 (ТО-18Б) (2004)
Амкодор-333А (ТО-18Б2) (2006)
Амкодор-333В (ТО-18Б3)
Амкодор-333В, 332С (2008)
Амкодор-342 (ТО-28) (2004)
Амкодор-342А (ТО-28А)
Амкодор-342В (ТО-18А) (2006)
Амкодор-342В, 342С4, 342Р (2008)
Амкодор-342В, 342С4, 342Р (2010)
Амкодор-342С (2006)
Амкодор-342С-03 (2008)
Амкодор-342С4 (2018)
Амкодор-351 (2006)
Амкодор-352 (2006)
Амкодор-352 (2008)
Амкодор-352 (2021)
Амкодор-352 (352C, 352Л) (2008)
Амкодор-352-10 (2010)
Амкодор-352-10 (2021)
Амкодор-352C (2006)
Амкодор-352СА (2017)
Амкодор-361 (2006)
Амкодор-37 (2012)
Амкодор-371 (2009)
Амкодор-371 (2014)
Амкодор-371А (2009)
Амкодор-451A (2006)
Амкодор-451A(2011) (2011)
Амкодор-527 (2009)
Амкодор-6223 (2007)
Амкодор-6223А (2007)
Амкодор-6223А (2016)
Амкодор-6223Е (2014)
Амкодор-6622 (2007)
Амкодор-6622А (2014)
Амкодор-6712B (2013)
Амкодор-6712А (2007)
Амкодор-702 (2006)
Амкодор-702EA (2007)
Амкодор-702EA(2012) (2012)
Амкодор-702EВ (2012)
Амкодор-702В (ТО-49-40) (2003)
Амкодор-702Е (2008)
Амкодор-702ЕМ-03 (2010)
Амкодор-732 (2015)
Амкодор-732 (2016)
Амкодор-8047А (2007)
Амкодор-91 (ДЗ-133ЭЦ) (2006)
Амкодор-9211А1 (2010)
Амкодор-9531 (ДЭ-226) (2006)
Амкодор-Е16 (2011)
Амкодор-Е25 (2017)
Амкодор-ЕР30 (2017)
Амкодор-ТО-18А (2000)
ГМП 2541.17.00.010-А (2013)
ГМП серии 120 модели G160.17.15.000 (2021)
ГМП серии У35615 модели 332.17.15.000 (2018)
ГМП серии У35615 модели 332С4.17.00.010-А 2018 (2018)
Мост ведущий неуправляемый 10Н.23.00.000 (2019)
Мост ведущий неуправляемый 10НР.24.00.000 (2019)
Мост ведущий неуправляемый 25Н (2018)
Мосты ведущие (2018)
Мосты ведущие серии 342 (2015)
Мосты серии 451 (2019)
Рабочие органы Амкодор-352 (2010)
Т400-70 (2020)
Схема
>
Не выбрано
Кабина
Кабина
Кабина
Кабина
Кабина
Установка кабины
Подкабинник
Подкабинник
Дверь
Окно
Сиденье
Система обогрева кабины
Облицовка
Облицовка
Облицовка
Облицовка
Установка силовая
Топливный бак
Воздухоочиститель
Установка радиаторов
Шторка радиатора
Муфта эластичная резиновая
Фрикцион
Установка ГМП
Передача гидромеханическая
Передача гидромеханическая
Передача гидромеханическая
Передача гидромеханическая
Передача гидромеханическая
Передача гидромеханическая
Передача гидромеханическая
Передача гидромеханическая
Передача гидромеханическая
Передача гидромеханическая
Установка карданных валов
Вал карданный
Установка мостов и колес
Установка мостов и колес
Мост ведущий
Главная передача
Дифференциал
Водило с сателлитами
Рама
Рама
Ступица колеса
Управление распределителем
Механизм управления
Управление
Цилиндр рулевой
Блок управления
Привод гидроруля
Тормоз правый
Тормоз левый
Пневмосистема
Электросистема
Редуктор отбора мощности на аварийный насос руля
Редуктор отбора мощности
Гидросистема ГМП
Гидросистема ГМП
Гидросистема рабочего оборудования
Гидросистема рулевого управления
Гидробак
Цилиндр стреловой
Цилиндр ковшовый
Оборудование погрузочное
Ковш
Фильтр
Фильтр магистральный
Плита
Клапан
Клапан
Вал
Рычаг регулировочный
Погрузчик фронтальный одноковшовый
1
2
3
3
4
4
5
6
7
8
8
9
10
11
12
13
14
15
16
17
18
18
19
20
21
22
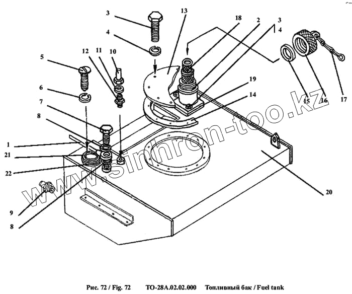
Позиция на иллюстрации
Заводской номер детали
Название детали
1
ТО-28А.02.09.000
Трубопровод
2
ТО-28А.02.02.030
Крышка
3
М10х20.7796
Болт
4
10.6402
Шайба
5
ВМ5х14.17473
Винт
6
5.6402
Шайба
7
14А0.23358
Прокладка
8
ТО-28А.02.02.001
Пробка
9
ТМ-59.2000-13А
Штуцер
10
ТО-28А.02.10.000
Трубопровод
11
10М3.23358
Прокладка
12
Д-565.4100-44
Штуцер
13
ТО18А.26.01.001
Крышка
14
ТО-18А.26.01.002
Прокладка
15
ТО-18Б.72.01.001
Прокладка
16
ТО-18Б.72.01.300
Пробка
17
ТО-18.02.02.160
Цепочка
18
082.11.01.040
Фильтр
18
ТО-18.06.01.130
Фильтр
19
70-80-58-2-2.9833
Кольцо
20
ТО-28А.02.02.200
Бак
21
ДУМП-0,5
Датчик указателя уровня топлива
22
ТМ-59.2000-08
Прокладка
Содержащиеся в справочниках-каталогах запасные части и детали не предлагаются к продаже, а носят исключительно информационный характер
Дополнительная информация
×
Название:
Номер:
Примечание: