Вернуться на главную
Поиск
Каталоги запчастей к технике
Спецтехника
Амкодор
Амкодор-333 (ТО-18Б)
Гидромеханическая передача
Каталог запасных частей к технике: Амкодор-333 (ТО-18Б). Гидромеханическая передача
zoom-in
zoom-out
enlarge
shrink
circle-right
circle-left
file-text2
info
cart
Тип техники
Не выбрано
Легковые автомобили
Грузовые автомобили и прицепы
Автобусы
Сельхозтехника
Спецтехника
Двигатели
Мототехника
Марка
Не выбрано
Ammann
BOMAG
CARMIX
CASE IH
Changlin
ChengGong
Dimex
Doosan
DYNAPAC
Foton
HAMM
Hidromek
Hitachi
Hyundai
JCB
JLG
John Deere
Komatsu
LIEBHERR
LiuGong
Lonking (LongGong)
Luneng
MANITOU
Mitsuber
New Holland
PENGPU
RM-Terex
SANY
SDLG
SEM
Shantui
Shehwa HBXG
Soosan
TIGARBO
VOGELE
Volvo
WAY
WIRTGEN
XCMG
XGMA
Xiamen
YTO
Yuchai
Zoomlion
Автокран
АЗСМ
Алтайлесмаш
Амкодор
АОМЗ
Атек
АТЗ
Балканкар Рекорд
БелАЗ
Беловеж
Борекс
Брянский Арсенал
Булат
ВЭКС
ГАЗ
Геомаш
Гидромаш
Донекс
Дормаш
Дормашина
Дорэлектромаш
ДЭЗ
ЕлАЗ
ЗЗГТ
Ижнефтемаш
Канаш-электрокар
КЗКТ
ККЗ
Клевер
Клинцовский автокрановый завод
КМЗ
КМЗ 1 Мая
Ковровец
Коммаш
Кранэкс
КЭЗ
КЭМЗ
ЛЗА
МАЗ
МЗИК
МЗКМ
МЗКТ
Михневский РМЗ
МоАЗ
Мозырский МЗ
МТЗ
ОЗП
Онежец
ПАО "ТЗА"
ППС Детва
Промтрактор
ПТЗ
Раскат
СпецАгрегат
ТВЭКС
ТТМ
УВЗ
Угличмаш
УЗТМ
ХТЗ
ЧЗКМ
ЧСДМ
ЧТЗ
ЭКСКО
ЭКСМАШ
ЮрМаш
Модель
Не выбрано
2561 (2021)
352C (2019)
Амкодор-208А (2006)
Амкодор-208В (2006)
Амкодор-211 (2009)
Амкодор-211 (2011)
Амкодор-211nev (2009)
Амкодор-211Е (2014)
Амкодор-211Е (2016)
Амкодор-2243В (2012)
Амкодор-2541 (2013)
Амкодор-2541 (2021)
Амкодор-2551 (2011)
Амкодор-2551 (2020)
Амкодор-2661-01 (2011)
Амкодор-2662 (2015)
Амкодор-2904 (2020)
Амкодор-320 (2009)
Амкодор-320 (2011)
Амкодор-320СЕ (2013)
Амкодор-3225 (2018)
Амкодор-325 (ТО-18К) (2006)
Амкодор-327 (ТО-18Д) (2003)
Амкодор-332B, 332B4 (2008)
Амкодор-332С-01 (2006)
Амкодор-332С4 (2016)
Амкодор-332С4 (2018)
Амкодор-332С4, 332С4-02 (2008)
Амкодор-333 (ТО-18Б) (2004)
Амкодор-333А (ТО-18Б2) (2006)
Амкодор-333В (ТО-18Б3)
Амкодор-333В, 332С (2008)
Амкодор-342 (ТО-28) (2004)
Амкодор-342А (ТО-28А)
Амкодор-342В (ТО-18А) (2006)
Амкодор-342В, 342С4, 342Р (2008)
Амкодор-342В, 342С4, 342Р (2010)
Амкодор-342С (2006)
Амкодор-342С-03 (2008)
Амкодор-342С4 (2018)
Амкодор-351 (2006)
Амкодор-352 (2006)
Амкодор-352 (2008)
Амкодор-352 (2021)
Амкодор-352 (352C, 352Л) (2008)
Амкодор-352-10 (2010)
Амкодор-352-10 (2021)
Амкодор-352C (2006)
Амкодор-352СА (2017)
Амкодор-361 (2006)
Амкодор-37 (2012)
Амкодор-371 (2009)
Амкодор-371 (2014)
Амкодор-371А (2009)
Амкодор-451A (2006)
Амкодор-451A(2011) (2011)
Амкодор-527 (2009)
Амкодор-6223 (2007)
Амкодор-6223А (2007)
Амкодор-6223А (2016)
Амкодор-6223Е (2014)
Амкодор-6622 (2007)
Амкодор-6622А (2014)
Амкодор-6712B (2013)
Амкодор-6712А (2007)
Амкодор-702 (2006)
Амкодор-702EA (2007)
Амкодор-702EA(2012) (2012)
Амкодор-702EВ (2012)
Амкодор-702В (ТО-49-40) (2003)
Амкодор-702Е (2008)
Амкодор-702ЕМ-03 (2010)
Амкодор-732 (2015)
Амкодор-732 (2016)
Амкодор-8047А (2007)
Амкодор-91 (ДЗ-133ЭЦ) (2006)
Амкодор-9211А1 (2010)
Амкодор-9531 (ДЭ-226) (2006)
Амкодор-Е16 (2011)
Амкодор-Е25 (2017)
Амкодор-ЕР30 (2017)
Амкодор-ТО-18А (2000)
ГМП 2541.17.00.010-А (2013)
ГМП серии 120 модели G160.17.15.000 (2021)
ГМП серии У35615 модели 332.17.15.000 (2018)
ГМП серии У35615 модели 332С4.17.00.010-А 2018 (2018)
Мост ведущий неуправляемый 10Н.23.00.000 (2019)
Мост ведущий неуправляемый 10НР.24.00.000 (2019)
Мост ведущий неуправляемый 25Н (2018)
Мосты ведущие (2018)
Мосты ведущие серии 342 (2015)
Мосты серии 451 (2019)
Рабочие органы Амкодор-352 (2010)
Т400-70 (2020)
Схема
>
Не выбрано
Кабина
Кабина
Подкабинник
Место рабочее
Место рабочее
Место рабочее
Дверь
Дверь
Установка трубопроводов отопителя
Облицовка
Облицовка
Облицовка
Установка силовая
Установка силовая
Агрегат силовой
Топливный бачок подогревателя
Установка подогревателя
Система топливная
Установка глушителя
Установка радиатора
Установка радиатора
Шторка радиатора
Установка ГМП
Гидромеханическая передача
Гидромеханическая передача
Гидромеханическая передача
Гидромеханическая передача
Гидромеханическая передача
Гидромеханическая передача
Фрикцион
Гидромеханическая передача
Гидромеханическая передача
Гидромеханическая передача
Гидромеханическая передача
Гидросистема ГМП
Гидросистема ГМП
Установка карданных валов
Опора кардана
Вал карданный
Вал карданный
Вал карданный
Вал карданный
Установка мостов и колес
Мост ведущий
Главная передача
Дифференциал
Водило с сателлитами
Рама
Рама
Колесо
Ступица колеса
Управление
Механизм управления
Механизм управления
Гидросистема рулевого управления
Гидросистема рулевого управления
Цилиндр поворота руля
Руль гидравлический
Установка стояночного тормоза
Тормоз правый
Рычаг регулировочный
Тормоз левый
Пневмосистема
Пневмосистема
Пневмосистема
Пневмосистема
Пневмосистема
Электросистема
Электросистема
Электросистема
Электросистема
Электросистема
Электросистема
Электросистема подкабинника
Электросистема пульта
Электросистема пульта
Панель реле
Блок сигнализации
Электросистема кабины
Электросистема кабины
Редуктор отбора мощности
Редуктор отбора мощности
Редуктор отбора мощности
Редуктор отбора мощности на аварийный насос руля
Гидросистема рабочего оборудования
Гидросистема рабочего оборудования
Гидробак
Гидробак
Фильтр
Плита
Клапан
Клапан
Оборудование погрузочное
Цилиндр стреловой
Цилиндр ковшовый
Погрузчик фронтальный одноковшовый
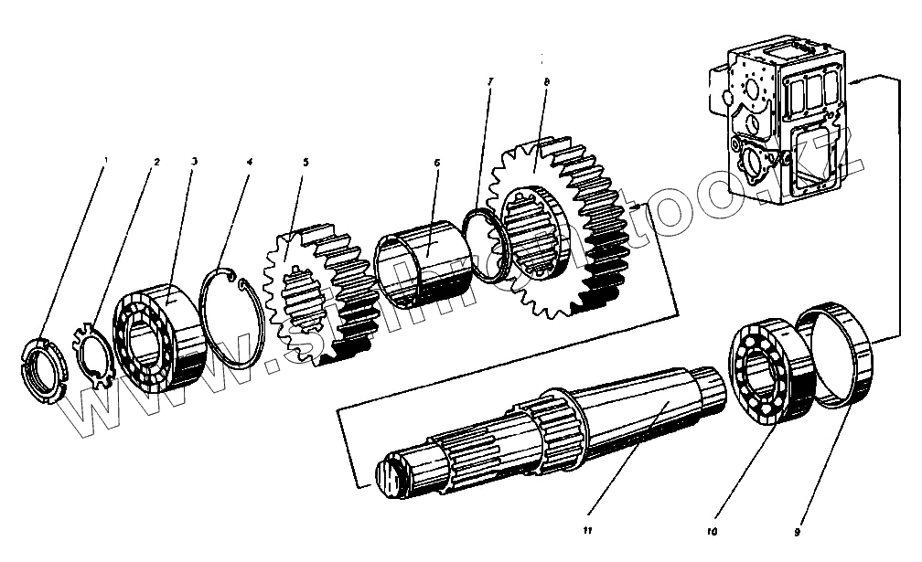
1
2
3
4
5
6
7
8
9
10
11
Позиция на иллюстрации
Заводской номер детали
Название детали
1
ВМ36х1.5.11871
Гайка
2
36.11872
Шайба
3
53608 24696
Подшипник
4
В90 13943
Кольцо
5
У35605-00.592
Шестерня
6
У35605-00.591
Втулка
7
У35605-00.593
Кольцо
8
У35605-00:588
Шестерня
9
У35605-00.596
Заглушка
10
308.8338
Подшипник
11
У35605-00.587
Вал заднего хода
Содержащиеся в справочниках-каталогах запасные части и детали не предлагаются к продаже, а носят исключительно информационный характер
Дополнительная информация
×
Название:
Номер:
Примечание: