Вернуться на главную
Поиск
Каталоги запчастей к технике
Спецтехника
Амкодор
Амкодор-333 (ТО-18Б)
Гидромеханическая передача
Каталог запасных частей к технике: Амкодор-333 (ТО-18Б). Гидромеханическая передача
zoom-in
zoom-out
enlarge
shrink
circle-right
circle-left
file-text2
info
cart
Тип техники
Не выбрано
Легковые автомобили
Грузовые автомобили и прицепы
Автобусы
Сельхозтехника
Спецтехника
Двигатели
Мототехника
Марка
Не выбрано
Ammann
BOMAG
CARMIX
CASE IH
Changlin
ChengGong
Dimex
Doosan
DYNAPAC
Foton
HAMM
Hidromek
Hitachi
Hyundai
JCB
JLG
John Deere
Komatsu
LIEBHERR
LiuGong
Lonking (LongGong)
Luneng
MANITOU
Mitsuber
New Holland
PENGPU
RM-Terex
SANY
SDLG
SEM
Shantui
Shehwa HBXG
Soosan
TIGARBO
VOGELE
Volvo
WAY
WIRTGEN
XCMG
XGMA
Xiamen
YTO
Yuchai
Zoomlion
Автокран
АЗСМ
Алтайлесмаш
Амкодор
АОМЗ
Атек
АТЗ
Балканкар Рекорд
БелАЗ
Беловеж
Борекс
Брянский Арсенал
Булат
ВЭКС
ГАЗ
Геомаш
Гидромаш
Донекс
Дормаш
Дормашина
Дорэлектромаш
ДЭЗ
ЕлАЗ
ЗЗГТ
Ижнефтемаш
Канаш-электрокар
КЗКТ
ККЗ
Клевер
Клинцовский автокрановый завод
КМЗ
КМЗ 1 Мая
Ковровец
Коммаш
Кранэкс
КЭЗ
КЭМЗ
ЛЗА
МАЗ
МЗИК
МЗКМ
МЗКТ
Михневский РМЗ
МоАЗ
Мозырский МЗ
МТЗ
ОЗП
Онежец
ПАО "ТЗА"
ППС Детва
Промтрактор
ПТЗ
Раскат
СпецАгрегат
ТВЭКС
ТТМ
УВЗ
Угличмаш
УЗТМ
ХТЗ
ЧЗКМ
ЧСДМ
ЧТЗ
ЭКСКО
ЭКСМАШ
ЮрМаш
Модель
Не выбрано
2561 (2021)
352C (2019)
Амкодор-208А (2006)
Амкодор-208В (2006)
Амкодор-211 (2009)
Амкодор-211 (2011)
Амкодор-211nev (2009)
Амкодор-211Е (2014)
Амкодор-211Е (2016)
Амкодор-2243В (2012)
Амкодор-2541 (2013)
Амкодор-2541 (2021)
Амкодор-2551 (2011)
Амкодор-2551 (2020)
Амкодор-2661-01 (2011)
Амкодор-2662 (2015)
Амкодор-2904 (2020)
Амкодор-320 (2009)
Амкодор-320 (2011)
Амкодор-320СЕ (2013)
Амкодор-3225 (2018)
Амкодор-325 (ТО-18К) (2006)
Амкодор-327 (ТО-18Д) (2003)
Амкодор-332B, 332B4 (2008)
Амкодор-332С-01 (2006)
Амкодор-332С4 (2016)
Амкодор-332С4 (2018)
Амкодор-332С4, 332С4-02 (2008)
Амкодор-333 (ТО-18Б) (2004)
Амкодор-333А (ТО-18Б2) (2006)
Амкодор-333В (ТО-18Б3)
Амкодор-333В, 332С (2008)
Амкодор-342 (ТО-28) (2004)
Амкодор-342А (ТО-28А)
Амкодор-342В (ТО-18А) (2006)
Амкодор-342В, 342С4, 342Р (2008)
Амкодор-342В, 342С4, 342Р (2010)
Амкодор-342С (2006)
Амкодор-342С-03 (2008)
Амкодор-342С4 (2018)
Амкодор-351 (2006)
Амкодор-352 (2006)
Амкодор-352 (2008)
Амкодор-352 (2021)
Амкодор-352 (352C, 352Л) (2008)
Амкодор-352-10 (2010)
Амкодор-352-10 (2021)
Амкодор-352C (2006)
Амкодор-352СА (2017)
Амкодор-361 (2006)
Амкодор-37 (2012)
Амкодор-371 (2009)
Амкодор-371 (2014)
Амкодор-371А (2009)
Амкодор-451A (2006)
Амкодор-451A(2011) (2011)
Амкодор-527 (2009)
Амкодор-6223 (2007)
Амкодор-6223А (2007)
Амкодор-6223А (2016)
Амкодор-6223Е (2014)
Амкодор-6622 (2007)
Амкодор-6622А (2014)
Амкодор-6712B (2013)
Амкодор-6712А (2007)
Амкодор-702 (2006)
Амкодор-702EA (2007)
Амкодор-702EA(2012) (2012)
Амкодор-702EВ (2012)
Амкодор-702В (ТО-49-40) (2003)
Амкодор-702Е (2008)
Амкодор-702ЕМ-03 (2010)
Амкодор-732 (2015)
Амкодор-732 (2016)
Амкодор-8047А (2007)
Амкодор-91 (ДЗ-133ЭЦ) (2006)
Амкодор-9211А1 (2010)
Амкодор-9531 (ДЭ-226) (2006)
Амкодор-Е16 (2011)
Амкодор-Е25 (2017)
Амкодор-ЕР30 (2017)
Амкодор-ТО-18А (2000)
ГМП 2541.17.00.010-А (2013)
ГМП серии 120 модели G160.17.15.000 (2021)
ГМП серии У35615 модели 332.17.15.000 (2018)
ГМП серии У35615 модели 332С4.17.00.010-А 2018 (2018)
Мост ведущий неуправляемый 10Н.23.00.000 (2019)
Мост ведущий неуправляемый 10НР.24.00.000 (2019)
Мост ведущий неуправляемый 25Н (2018)
Мосты ведущие (2018)
Мосты ведущие серии 342 (2015)
Мосты серии 451 (2019)
Рабочие органы Амкодор-352 (2010)
Т400-70 (2020)
Схема
>
Не выбрано
Кабина
Кабина
Подкабинник
Место рабочее
Место рабочее
Место рабочее
Дверь
Дверь
Установка трубопроводов отопителя
Облицовка
Облицовка
Облицовка
Установка силовая
Установка силовая
Агрегат силовой
Топливный бачок подогревателя
Установка подогревателя
Система топливная
Установка глушителя
Установка радиатора
Установка радиатора
Шторка радиатора
Установка ГМП
Гидромеханическая передача
Гидромеханическая передача
Гидромеханическая передача
Гидромеханическая передача
Гидромеханическая передача
Гидромеханическая передача
Фрикцион
Гидромеханическая передача
Гидромеханическая передача
Гидромеханическая передача
Гидромеханическая передача
Гидросистема ГМП
Гидросистема ГМП
Установка карданных валов
Опора кардана
Вал карданный
Вал карданный
Вал карданный
Вал карданный
Установка мостов и колес
Мост ведущий
Главная передача
Дифференциал
Водило с сателлитами
Рама
Рама
Колесо
Ступица колеса
Управление
Механизм управления
Механизм управления
Гидросистема рулевого управления
Гидросистема рулевого управления
Цилиндр поворота руля
Руль гидравлический
Установка стояночного тормоза
Тормоз правый
Рычаг регулировочный
Тормоз левый
Пневмосистема
Пневмосистема
Пневмосистема
Пневмосистема
Пневмосистема
Электросистема
Электросистема
Электросистема
Электросистема
Электросистема
Электросистема
Электросистема подкабинника
Электросистема пульта
Электросистема пульта
Панель реле
Блок сигнализации
Электросистема кабины
Электросистема кабины
Редуктор отбора мощности
Редуктор отбора мощности
Редуктор отбора мощности
Редуктор отбора мощности на аварийный насос руля
Гидросистема рабочего оборудования
Гидросистема рабочего оборудования
Гидробак
Гидробак
Фильтр
Плита
Клапан
Клапан
Оборудование погрузочное
Цилиндр стреловой
Цилиндр ковшовый
Погрузчик фронтальный одноковшовый
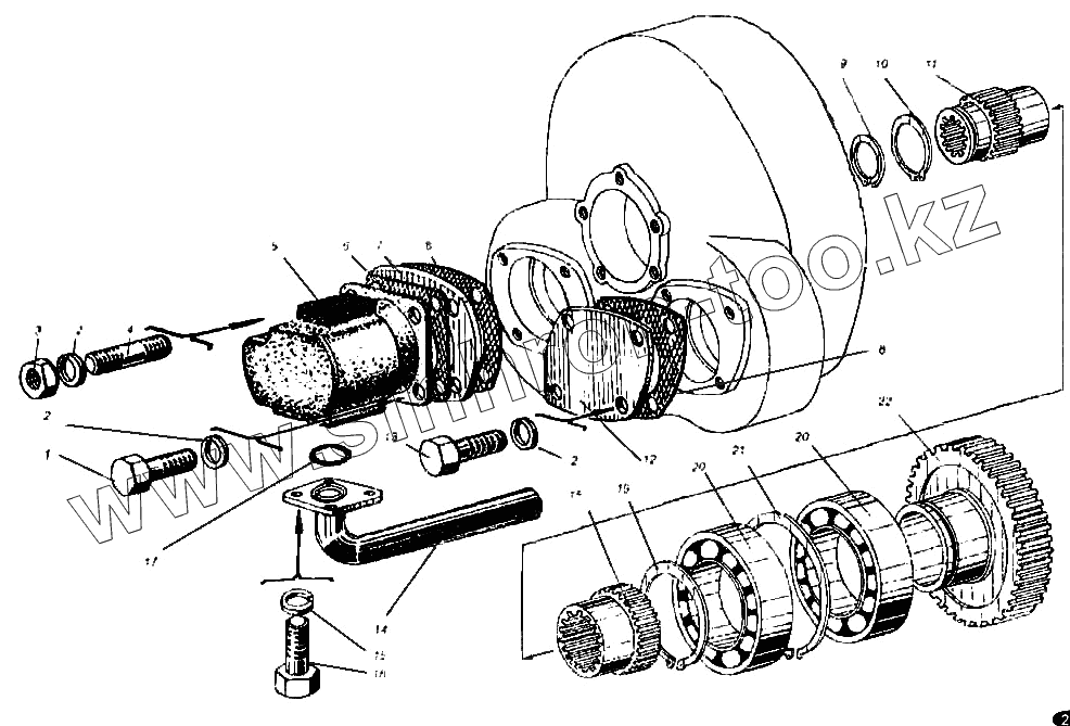
1
2
2
2
3
4
5
6
7
8
8
9
10
11
12
13
14
15
16
17
18
19
20
20
21
22
Позиция на иллюстрации
Заводской номер детали
Название детали
1
М10х40.7736
Болт
2
10.6402
Шайба
3
М10.5915
Гайка
4
М10х35.58.22036
Шпилька
5
НШ-32-2.23.1.92
Насос
6
У35.615-01.523
Прокладка
7
У35.615-01.519
Крышка
8
У35.615-01.524
Прокладка
9
В25.13942
Кольцо
10
В35.13942
Кольцо
11
У35.615-01.517
Муфта
12
У35.615-01.521
Крышка
13
М10х25.7796
Болт
14
У35.615-01.120
Трубопровод
15
8.6402
Шайба
16
М8х20 7796
Болт
17
040-045-30 9833
Кольцо
18
У35.615-01.518
Муфта
19
В75.13942
Кольцо
20
115.8338
Подшипник
21
В115.13943
Кольцо
22
У35.615-01.516
Шестерня
Содержащиеся в справочниках-каталогах запасные части и детали не предлагаются к продаже, а носят исключительно информационный характер
Дополнительная информация
×
Название:
Номер:
Примечание: