Каталог запасных частей к технике: Амкодор-333 (ТО-18Б). Гидромеханическая передача
1
2
3
4
5
5
6
7
8
8
8
8
9
10
11
12
13
14
14
15
16
17
18
19
20
21
22
23
24
25
26
27
28
29
30
31
32
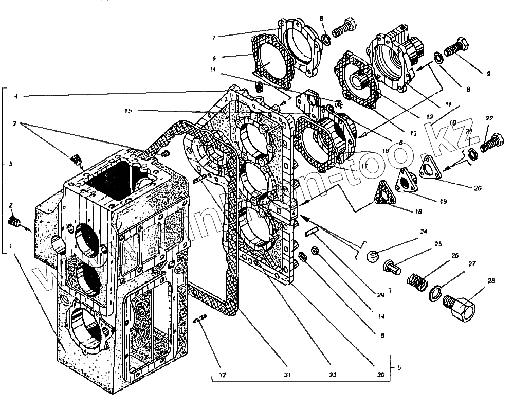
| Позиция на иллюстрации | Заводской номер детали | Название детали | |
|---|---|---|---|
| 1 | У35.615-01.031 | Картер | |
| 2 | 1-1/2".22-1624.18-8 | Пробка | |
| 3 | 1-1/8".22-1624.18-8 | Пробка | |
| 4 | 1-1/4".22-1624.18-8 | Пробка | |
| 5 | У35.615-01.030 | Картер коробки передач | |
| 6 | У35 605-00 594 | Прокладка | |
| 7 | У35.605-00.595 | Крышка | |
| 8 | 12.6402 | Шайба | |
| 9 | М12х35.7796 | Болт | |
| 10 | У35.615-01 080 | Крышка | |
| 11 | У35.615-01.081 | Крышка | |
| 12 | У35.615-01.082 | Гильза | |
| 13 | У35.615-01.511 | Прокладка | |
| 14 | М12.5915 | Гайка | |
| 15 | У35.615-01.525 | Проушина | |
| 16 | У35.605-00 548 | Крышка | |
| 17 | У35.605-00.581 | Прокладка | |
| 18 | У35.605-00.568 | Прокладка | |
| 19 | У35.605-00.569 | Крышка | |
| 20 | У35.605-00.571 | Прижим | |
| 21 | 8.6402 | Шайба | |
| 22 | М8х20.7.796 | Болт | |
| 23 | М12х5522036 | Шпилька | |
| 24 | 612.000-10.3722 | Парик | |
| 25 | У35.605-00.576 | Толкатель | |
| 26 | У35.605-00.575 | Пружина | |
| 27 | М18.23358 | Прокладка | |
| 28 | У35.605-00.574 | Корпус фиксатора | |
| 29 | 12 твх35.3128 | Штифт | |
| 30 | У35.615-01.032 | Крышка картера | |
| 31 | У35.615-01.033 | Прокладка | |
| 32 | М12х50.22036 | Шпилька |
Содержащиеся в справочниках-каталогах запасные части и детали не предлагаются к продаже, а носят исключительно информационный характер