Вернуться на главную
Поиск
Каталоги запчастей к технике
Спецтехника
Амкодор
Амкодор-327 (ТО-18Д)
Установка ГМП
Каталог запасных частей к технике: Амкодор-327 (ТО-18Д). Установка ГМП
zoom-in
zoom-out
enlarge
shrink
circle-right
circle-left
file-text2
info
cart
Тип техники
Не выбрано
Легковые автомобили
Грузовые автомобили и прицепы
Автобусы
Сельхозтехника
Спецтехника
Двигатели
Мототехника
Марка
Не выбрано
Ammann
BOMAG
CARMIX
CASE IH
Changlin
ChengGong
Dimex
Doosan
DYNAPAC
Foton
HAMM
Hidromek
Hitachi
Hyundai
JCB
JLG
John Deere
Komatsu
LIEBHERR
LiuGong
Lonking (LongGong)
Luneng
MANITOU
Mitsuber
New Holland
PENGPU
RM-Terex
SANY
SDLG
SEM
Shantui
Shehwa HBXG
Soosan
TIGARBO
VOGELE
Volvo
WAY
WIRTGEN
XCMG
XGMA
Xiamen
YTO
Yuchai
Zoomlion
Автокран
АЗСМ
Алтайлесмаш
Амкодор
АОМЗ
Атек
АТЗ
Балканкар Рекорд
БелАЗ
Беловеж
Борекс
Брянский Арсенал
Булат
ВЭКС
ГАЗ
Геомаш
Гидромаш
Донекс
Дормаш
Дормашина
Дорэлектромаш
ДЭЗ
ЕлАЗ
ЗЗГТ
Ижнефтемаш
Канаш-электрокар
КЗКТ
ККЗ
Клевер
Клинцовский автокрановый завод
КМЗ
КМЗ 1 Мая
Ковровец
Коммаш
Кранэкс
КЭЗ
КЭМЗ
ЛЗА
МАЗ
МЗИК
МЗКМ
МЗКТ
Михневский РМЗ
МоАЗ
Мозырский МЗ
МТЗ
ОЗП
Онежец
ПАО "ТЗА"
ППС Детва
Промтрактор
ПТЗ
Раскат
СпецАгрегат
ТВЭКС
ТТМ
УВЗ
Угличмаш
УЗТМ
ХТЗ
ЧЗКМ
ЧСДМ
ЧТЗ
ЭКСКО
ЭКСМАШ
ЮрМаш
Модель
Не выбрано
2561 (2021)
352C (2019)
Амкодор-208А (2006)
Амкодор-208В (2006)
Амкодор-211 (2009)
Амкодор-211 (2011)
Амкодор-211nev (2009)
Амкодор-211Е (2014)
Амкодор-211Е (2016)
Амкодор-2243В (2012)
Амкодор-2541 (2013)
Амкодор-2541 (2021)
Амкодор-2551 (2011)
Амкодор-2551 (2020)
Амкодор-2661-01 (2011)
Амкодор-2662 (2015)
Амкодор-2904 (2020)
Амкодор-320 (2009)
Амкодор-320 (2011)
Амкодор-320СЕ (2013)
Амкодор-3225 (2018)
Амкодор-325 (ТО-18К) (2006)
Амкодор-327 (ТО-18Д) (2003)
Амкодор-332B, 332B4 (2008)
Амкодор-332С-01 (2006)
Амкодор-332С4 (2016)
Амкодор-332С4 (2018)
Амкодор-332С4, 332С4-02 (2008)
Амкодор-333 (ТО-18Б) (2004)
Амкодор-333А (ТО-18Б2) (2006)
Амкодор-333В (ТО-18Б3)
Амкодор-333В, 332С (2008)
Амкодор-342 (ТО-28) (2004)
Амкодор-342А (ТО-28А)
Амкодор-342В (ТО-18А) (2006)
Амкодор-342В, 342С4, 342Р (2008)
Амкодор-342В, 342С4, 342Р (2010)
Амкодор-342С (2006)
Амкодор-342С-03 (2008)
Амкодор-342С4 (2018)
Амкодор-351 (2006)
Амкодор-352 (2006)
Амкодор-352 (2008)
Амкодор-352 (2021)
Амкодор-352 (352C, 352Л) (2008)
Амкодор-352-10 (2010)
Амкодор-352-10 (2021)
Амкодор-352C (2006)
Амкодор-352СА (2017)
Амкодор-361 (2006)
Амкодор-37 (2012)
Амкодор-371 (2009)
Амкодор-371 (2014)
Амкодор-371А (2009)
Амкодор-451A (2006)
Амкодор-451A(2011) (2011)
Амкодор-527 (2009)
Амкодор-6223 (2007)
Амкодор-6223А (2007)
Амкодор-6223А (2016)
Амкодор-6223Е (2014)
Амкодор-6622 (2007)
Амкодор-6622А (2014)
Амкодор-6712B (2013)
Амкодор-6712А (2007)
Амкодор-702 (2006)
Амкодор-702EA (2007)
Амкодор-702EA(2012) (2012)
Амкодор-702EВ (2012)
Амкодор-702В (ТО-49-40) (2003)
Амкодор-702Е (2008)
Амкодор-702ЕМ-03 (2010)
Амкодор-732 (2015)
Амкодор-732 (2016)
Амкодор-8047А (2007)
Амкодор-91 (ДЗ-133ЭЦ) (2006)
Амкодор-9211А1 (2010)
Амкодор-9531 (ДЭ-226) (2006)
Амкодор-Е16 (2011)
Амкодор-Е25 (2017)
Амкодор-ЕР30 (2017)
Амкодор-ТО-18А (2000)
ГМП 2541.17.00.010-А (2013)
ГМП серии 120 модели G160.17.15.000 (2021)
ГМП серии У35615 модели 332.17.15.000 (2018)
ГМП серии У35615 модели 332С4.17.00.010-А 2018 (2018)
Мост ведущий неуправляемый 10Н.23.00.000 (2019)
Мост ведущий неуправляемый 10НР.24.00.000 (2019)
Мост ведущий неуправляемый 25Н (2018)
Мосты ведущие (2018)
Мосты ведущие серии 342 (2015)
Мосты серии 451 (2019)
Рабочие органы Амкодор-352 (2010)
Т400-70 (2020)
Схема
>
Не выбрано
Кабина
Кабина
Место рабочее
Подкабинник
Подкабинник
Пульт
Опора
Педаль
Дверь
Сиденье
Система обогрева кабины
Облицовка
Облицовка
Облицовка
Облицовка
Установка силовая
Установка силовая
Бак топливный
Воздухоочиститель
Глушитель
Система охлаждения
Система охлаждения
Шторка радиатора
Редуктор
Редуктор
Установка ГМП
Передача гидромеханическая
Передача гидромеханическая
Передача гидромеханическая
Передача гидромеханическая
Передача гидромеханическая
Передача гидромеханическая
Фрикцион
Передача гидромеханическая
Передача гидромеханическая
Передача гидромеханическая
Передача гидромеханическая
Фильтр
Плита
Механизм управления
Механизм управления
Клапан
Клапан
Гидросистема ГМП
Гидросистема ГМП
Установка карданных валов
Опора кардана
Вал карданный
Вал карданный
Вал карданный
Вал карданный
Установка мостов и колес
Мост ведущий
Главная передача
Дифференциал
Водило с сателлитами
Рама
Рама
Колесо
Ступица колеса
Гидросистема рулевого управления
Гидросистема рулевого управления
Цилиндр поворота руля
Управление
Руль гидравлический
Колонка
Тормоз правый
Рычаг регулировочный
Тормоз левый
Пневмосистема
Пневмосистема
Пневмосистема
Пневмосистемa
Пневмосистема
Установка ресиверов
Электросистема
Электросистема
Электросистема
Электросистема
Панель электроаппаратов
Панель реле
Панель диодов
Электросхема кабины
Электросистема кабины
Электросистема подкабинника
Электросистема пульта
Электросистема пульта
Гидросистема погрузочного оборудования
Гидросистема погрузочного оборудования
Гидросистема погрузочного оборудования
Гидробак
Цилиндр стреловой
Цилиндр ковшовый
Оборудование погрузочное
Ковш
Погрузчик фронтальный одноковшовый
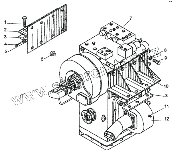
1
2
3
3
4
5
6
7
8
9
10
11
12
Позиция на иллюстрации
Заводской номер детали
Название детали
ТО-18Д.03.00.000
ТО-18Д.03.00.000
Установка ГМП
1
2М20х60.7796
Болт
2
ТО-18.03.00.200
Кронштейн
3
ТО-18Д.03.00.001
Пластина
4
4х40.397
Шплинт
5
М20.5918
Гайка
6
3/4".060-86-76
Пробка
7
У35.615
Гидромеханическая коробка передач
8
12.6402
Шайба
9
М12х35.7796
Болт
10
ТО-18.03.00.100
Кронштейн
11
12m6х36.3128
Штифт
12
ТО-18.03.01.000
Редуктор отбора мощности на аварийный насос руля
Содержащиеся в справочниках-каталогах запасные части и детали не предлагаются к продаже, а носят исключительно информационный характер
Дополнительная информация
×
Название:
Номер:
Примечание: