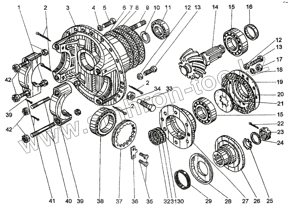
Каталог запасных частей к технике: Амкодор-327 (ТО-18Д). Главная передача
1
2
2
2
3
4
5
6
7
8
9
10
11
12
12
13
13
14
15
15
16
17
18
19
20
21
22
23
24
25
26
27
28
29
30
31
32
33
34
35
36
37
38
39
39
40
41
42
42
| Позиция на иллюстрации | Заводской номер детали | Название детали | |
|---|---|---|---|
| У2210.02-03.000 | У2210.02-03.000 | Главная передача | |
| 1 | У2210.02-03.043 | Втулка центровочная | |
| 2 | 6х45.397 | Шплинт | |
| 3 | У2210.02-03.039 | Картер главной передачи | |
| 4 | 12.6402 | Шайба | |
| 5 | 12х35.7796 | Болт | |
| 6 | У2210.02-03.004 | Прокладка регулировочная | |
| 7 | У2210.02-03.005 | Прокладка регулировочная | |
| 8 | У2210.02-03.006 | Прокладка регулировочная | |
| 9 | У2210.02-03.008 | Шпилька | |
| 10 | 640.13942 | Кольцо | |
| 11 | 102308.8328 | Подшипник | |
| 12 | М12.5916 | Гайка | |
| 13 | У2210.02-03.007 | Болт специальный | |
| 14 | У2210.02-03.021 | Шестерня ведущая | |
| 15 | 27312.7260 | Подшипник | |
| 16 | У2210.02-03.023 | Кольцо распорное | |
| 17 | М14х1.5.5915 | Гайка | |
| 18 | 14.6402 | Шайба | |
| 19 | У2210.02-03.036 | Крышка картера подшипников ведущей шестерни | |
| 20 | У2210.02-03.031 | Прокладка | |
| 21 | У2210.02-03.029 | Маслоотражатель | |
| 22 | 6,3х60.397 | Шплинт | |
| 23 | У2210.02-03.027 | Гайка | |
| 24 | У2210.02-03.028 | Шайба | |
| 25 | У2210.02-03.035 | Кольцо уплотнительное | |
| 26 | У2210.02-03.033 | Фланец ведущей шестерни | |
| 27 | У2210.02-03.022 | Картер подшипников ведущей шестерни | |
| 28 | У2210.02-03.034 | Пылеотражатель | |
| 29 | 1.1-75х100.8752 | Манжета | |
| 30 | У2210.02-03.024 | Прокладка регулировочная | |
| 31 | У2210.02-03.025 | Прокладка регулировочная | |
| 32 | У2210.02-03.026 | Прокладка регулировочная | |
| 33 | У2210.02-03.080 | Ограничитель деформации | |
| 34 | М24х2.5916 | Гайка | |
| 35 | М8х16.7798 | Болт | |
| 36 | У2210.02-03.002 | Стопор регулировочной гайки | |
| 37 | У2210.02-03.001 | Гайка регулировочная подшипника дифференциала | |
| 38 | 2007118.333 | Подшипник | |
| 39 | У2210.02-03.041 | Крышка подшипника дифференциала | |
| 40 | У2210.02-03.042 | Шпилька специальная | |
| 41 | 4.40.397 | Шплинт | |
| 42 | М20х1.5.5918 | Гайка |
Содержащиеся в справочниках-каталогах запасные части и детали не предлагаются к продаже, а носят исключительно информационный характер