Каталог запасных частей к технике: Амкодор-3225. Система управления
1
2
3
4
5
6
7
8
8
8
8
9
10
11
12
12
12
12
12
13
13
13
14
15
16
17
17
18
19
20
20
21
21
22
22
23
23
23
24
24
24
25
26
27
28
29
30
31
32
33
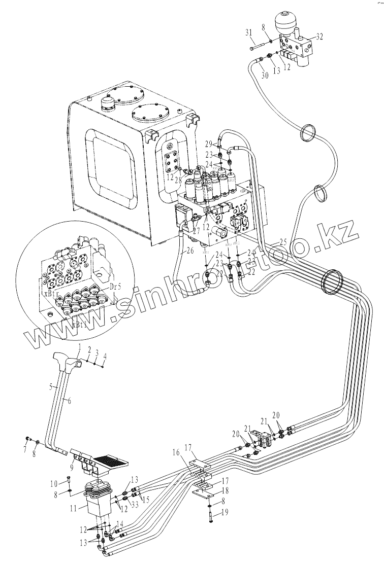
| Позиция на иллюстрации | Заводской номер детали | Название детали | |
|---|---|---|---|
| 1 | W-12-00237 | Ручной рычаг | |
| 2 | B-G00097B-00017 | Шайба | |
| 3 | B-G000930-00013 | Шайба пружинная | |
| 4 | B-G008180-00006 | Болт | |
| 5 | 321.5C.2A | Рукоятка | |
| 6 | 321.5C.1A | Рукоятка | |
| 7 | B-G057830-00005 | Болт | |
| 8 | B-Q020490-00001 | Шайба | |
| 9 | W-07-00244 | Подножка | |
| 10 | B-G057830-00010 | Болт | |
| 11 | W-07-00243 | Rev педаль в сборе | |
| 12 | B-G03452A-00065 | Кольцо уплотнительное | |
| 13 | W-15-00484 | Соединитель | |
| 14 | W-15-00485 | Угольник | |
| 15 | W-16-01086 | Рукав в сборе | |
| 15-1 | Кольцо8.0x1.5 | Кольцо уплотнительное | |
| 16 | 320.5-6 | Прижим шланга | |
| 17 | 320.5-5 | Прижим шланга | |
| 18 | 320.5-4 | Лист | |
| 19 | B-G057820-00018 | Шестигранный болт | |
| 20 | W-15-00531 | Соединитель | |
| 21 | W-15-00521 | Шайба | |
| 22 | W-16-01136 | Рукав в сборе | |
| 22-1 | Кольцо8.0x1.5 | Кольцо уплотнительное | |
| 23 | W-15-00465 | Соединитель | |
| 24 | B-G03452A-00066 | Кольцо уплотнительное | |
| 25 | W-16-01677 | Рукав в сборе | |
| 25-1 | Кольцо8.0x1.5 | Кольцо уплотнительное | |
| 26 | W-16-01506 | Рукав в сборе | |
| 26-1 | Кольцо8.0x1.5 | Кольцо уплотнительное | |
| 27 | W-15-00493 | Тройник | |
| 28 | W-15-00729 | Тройник | |
| 29 | W-16-01138 | Рукав в сборе | |
| 29-1 | Кольцо8.0x1.5 | Кольцо уплотнительное | |
| 30 | W-16-01141 | Рукав в сборе | |
| 30-1 | Кольцо | Кольцо уплотнительное | |
| 31 | B-G057820-00224 | Болт | |
| 32 | W-07-00206 | Электромагнитный клапан | |
| 33 | W-15-00820 | Соединитель |
Содержащиеся в справочниках-каталогах запасные части и детали не предлагаются к продаже, а носят исключительно информационный характер