Вернуться на главную
Поиск
Каталоги запчастей к технике
Спецтехника
Амкодор
Амкодор-320СЕ
320СЕ.29.00.000 Установка мостов
Каталог запасных частей к технике: Амкодор-320СЕ. 320СЕ.29.00.000 Установка мостов
zoom-in
zoom-out
enlarge
shrink
circle-right
circle-left
file-text2
info
cart
Тип техники
Не выбрано
Легковые автомобили
Грузовые автомобили и прицепы
Автобусы
Сельхозтехника
Спецтехника
Двигатели
Мототехника
Марка
Не выбрано
Ammann
BOMAG
CARMIX
CASE IH
Changlin
ChengGong
Dimex
Doosan
DYNAPAC
Foton
HAMM
Hidromek
Hitachi
Hyundai
JCB
JLG
John Deere
Komatsu
LIEBHERR
LiuGong
Lonking (LongGong)
Luneng
MANITOU
Mitsuber
New Holland
PENGPU
RM-Terex
SANY
SDLG
SEM
Shantui
Shehwa HBXG
Soosan
TIGARBO
VOGELE
Volvo
WAY
WIRTGEN
XCMG
XGMA
Xiamen
YTO
Yuchai
Zoomlion
Автокран
АЗСМ
Алтайлесмаш
Амкодор
АОМЗ
Атек
АТЗ
Балканкар Рекорд
БелАЗ
Беловеж
Борекс
Брянский Арсенал
Булат
ВЭКС
ГАЗ
Геомаш
Гидромаш
Донекс
Дормаш
Дормашина
Дорэлектромаш
ДЭЗ
ЕлАЗ
ЗЗГТ
Ижнефтемаш
Канаш-электрокар
КЗКТ
ККЗ
Клевер
Клинцовский автокрановый завод
КМЗ
КМЗ 1 Мая
Ковровец
Коммаш
Кранэкс
КЭЗ
КЭМЗ
ЛЗА
МАЗ
МЗИК
МЗКМ
МЗКТ
Михневский РМЗ
МоАЗ
Мозырский МЗ
МТЗ
ОЗП
Онежец
ПАО "ТЗА"
ППС Детва
Промтрактор
ПТЗ
Раскат
СпецАгрегат
ТВЭКС
ТТМ
УВЗ
Угличмаш
УЗТМ
ХТЗ
ЧЗКМ
ЧСДМ
ЧТЗ
ЭКСКО
ЭКСМАШ
ЮрМаш
Модель
Не выбрано
2561 (2021)
352C (2019)
Амкодор-208А (2006)
Амкодор-208В (2006)
Амкодор-211 (2009)
Амкодор-211 (2011)
Амкодор-211nev (2009)
Амкодор-211Е (2014)
Амкодор-211Е (2016)
Амкодор-2243В (2012)
Амкодор-2541 (2013)
Амкодор-2541 (2021)
Амкодор-2551 (2011)
Амкодор-2551 (2020)
Амкодор-2661-01 (2011)
Амкодор-2662 (2015)
Амкодор-2904 (2020)
Амкодор-320 (2009)
Амкодор-320 (2011)
Амкодор-320СЕ (2013)
Амкодор-3225 (2018)
Амкодор-325 (ТО-18К) (2006)
Амкодор-327 (ТО-18Д) (2003)
Амкодор-332B, 332B4 (2008)
Амкодор-332С-01 (2006)
Амкодор-332С4 (2016)
Амкодор-332С4 (2018)
Амкодор-332С4, 332С4-02 (2008)
Амкодор-333 (ТО-18Б) (2004)
Амкодор-333А (ТО-18Б2) (2006)
Амкодор-333В (ТО-18Б3)
Амкодор-333В, 332С (2008)
Амкодор-342 (ТО-28) (2004)
Амкодор-342А (ТО-28А)
Амкодор-342В (ТО-18А) (2006)
Амкодор-342В, 342С4, 342Р (2008)
Амкодор-342В, 342С4, 342Р (2010)
Амкодор-342С (2006)
Амкодор-342С-03 (2008)
Амкодор-342С4 (2018)
Амкодор-351 (2006)
Амкодор-352 (2006)
Амкодор-352 (2008)
Амкодор-352 (2021)
Амкодор-352 (352C, 352Л) (2008)
Амкодор-352-10 (2010)
Амкодор-352-10 (2021)
Амкодор-352C (2006)
Амкодор-352СА (2017)
Амкодор-361 (2006)
Амкодор-37 (2012)
Амкодор-371 (2009)
Амкодор-371 (2014)
Амкодор-371А (2009)
Амкодор-451A (2006)
Амкодор-451A(2011) (2011)
Амкодор-527 (2009)
Амкодор-6223 (2007)
Амкодор-6223А (2007)
Амкодор-6223А (2016)
Амкодор-6223Е (2014)
Амкодор-6622 (2007)
Амкодор-6622А (2014)
Амкодор-6712B (2013)
Амкодор-6712А (2007)
Амкодор-702 (2006)
Амкодор-702EA (2007)
Амкодор-702EA(2012) (2012)
Амкодор-702EВ (2012)
Амкодор-702В (ТО-49-40) (2003)
Амкодор-702Е (2008)
Амкодор-702ЕМ-03 (2010)
Амкодор-732 (2015)
Амкодор-732 (2016)
Амкодор-8047А (2007)
Амкодор-91 (ДЗ-133ЭЦ) (2006)
Амкодор-9211А1 (2010)
Амкодор-9531 (ДЭ-226) (2006)
Амкодор-Е16 (2011)
Амкодор-Е25 (2017)
Амкодор-ЕР30 (2017)
Амкодор-ТО-18А (2000)
ГМП 2541.17.00.010-А (2013)
ГМП серии 120 модели G160.17.15.000 (2021)
ГМП серии У35615 модели 332.17.15.000 (2018)
ГМП серии У35615 модели 332С4.17.00.010-А 2018 (2018)
Мост ведущий неуправляемый 10Н.23.00.000 (2019)
Мост ведущий неуправляемый 10НР.24.00.000 (2019)
Мост ведущий неуправляемый 25Н (2018)
Мосты ведущие (2018)
Мосты ведущие серии 342 (2015)
Мосты серии 451 (2019)
Рабочие органы Амкодор-352 (2010)
Т400-70 (2020)
Схема
>
Не выбрано
320CE.00.00.000 Погрузчик фронтальный одноковшовый. Общий вид
320СЕ.10.00.000 Установка силовая
320Е.10.00.010 Установка датчиков давления масла
320Е.101.00.000-Б Система питания
320СЕ.11.01.000-Б Бак топливный
320СЕ.11.09.000 Система питания воздухом
320СЕ.12.00.000 Система выпуска отработавших газов
320СЕ.13.00.000 Система охлаждения
320СЕ.13.00.000 Система охлаждения
320СЕ.16.30.000 Установка насоса
320СЕ.19.50.000 Гидросистема хода
320СЕ.19.50.000 Гидросистема хода
527.46.01.0000 Клапан обратный
320СЕ.28.00.000 и 320СЕ.28.00.000-01 Рама
320СЕ.28.00.000 и 320СЕ.28.00.000-01 Рама
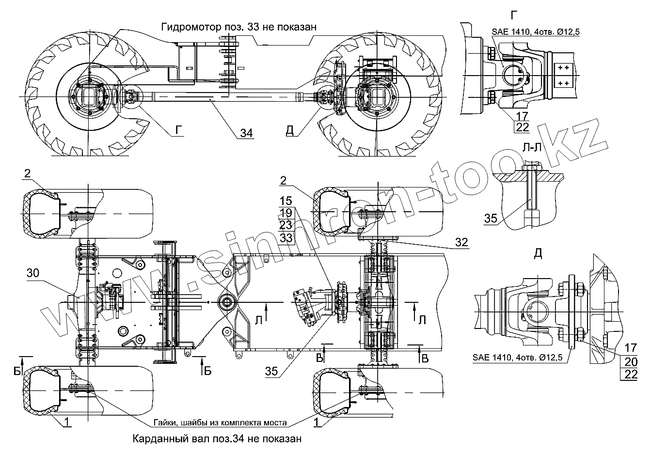
320СЕ.29.00.000 Установка мостов
320СЕ.29.00.000 Установка мостов
320СЕ.29.40.000 Установка мостов
320СЕ.29.40.000 Установка мостов
320СЕ.34.07.000 Гидросистема рулевого управления
320СЕ.34.07.000 Гидросистема рулевого управления
320СЕ.34.07.000 Гидросистема рулевого управления
320.34.29.000 Гидроцилиндр
320СЕ.35.05.000 Гидросистема тормозов
320СЕ.35.05.000 Гидросистема тормозов
320СЕ.37.00.000 Электросистема
320СЕ.37.00.000 Электросистема
320СЕ.37.00.000 Электросистема
320СЕ.44.00.000 Рабочее оборудование
320СЕ.44.00.000 Рабочее оборудование
320СЕ.44.00.000 Рабочее оборудование
320СЕ.46.00.000 Гидросистема рабочего оборудования
320СЕ.46.00.000 Гидросистема рабочего оборудования
320СЕ.46.00.000 Гидросистема рабочего оборудования
320СЕ.46.00.000 Гидросистема рабочего оборудования
320.46.13.000-01 Гидроцилиндр
320.46.15.000 Гидробак
320СЕ.46.14.000 Гидроцилиндр
320СЕ.50.00.005 Установка кабины
320СЕ.50.00.010-Б Кабина
320СЕ.50.00.010-Б Кабина
320СЕ.50.00.010-Б Кабина
320СЕ.50.00.010-Б Кабина
9.3401.500-Б Рулевая колонка
9.3401.500-Б Рулевая колонка
320.34.20.000 Установка насоса дозатора
320СЕ.35.05.500 Установка главного тормозного цилиндра
320СЕ.38.00.000 Электросистема кабины
320СЕ.38.00.000 Электросистема кабины
320СЕ.38.00.000 Электросистема кабины
320.38.00.520-Б Магнитола
320CE.38.00.010 Панель управления
320СЕ.38.01.000-Б Блок коммутации
320С.38.00.000 Электросистема кабины
320С.38.00.000 Электросистема кабины
320.38.00.520 Магнитола
320С.38.01.000 Блок коммутации
320С.38.02.000 Электросистема рулевой колонки
320СЕ.46.50.000 Установка блока управления
320СЕ.50.08.020-Б Дверь
320СЕ.65.01.000 Установка троса управления
320СЕ.65.41.000 Установка троса управления
320СЕ.68.00.000-Б Установка сиденья
320СЕ.81.00.000 Система кондиционирования
320Е.83.00.000 Установка трубопроводов отопптеля
320СЕ.84.00.000 Облицовка
320СЕ.84.00.000 Облицовка
1
1
1
1
2
2
2
2
15
17
17
19
20
22
22
23
30
32
33
33
34
35
35
Позиция на иллюстрации
Заводской номер детали
Название детали
1
W13-20
Колесо
1
16,0-204-64GL1HC-14
Шина
1
320.31.00.000
Колесо
2
320.31.00.000-01
Колесо
2
W13-20
Колесо
2
16,0-204-64GL1HC-14
Шина
8
320.29.00.005
Болт
10
320.29.00.001
Пластина
11
320.29.00.002
Пластина
15
525.04.01.006
Прокладка
17
M12-6gx35.109.40X.0115
Болт
19
M16-6gx50.88.35.0115
Болт
20
M12-6H.10.40X.0115
Гайка
21
M20x1,5-6H.8.35.0115
Гайка
22
12.ОТ.65Г.0115
Шайба
23
16.ОТ.65Г.0115
Шайба
24
20.ОТ.65Г.0115
Шайба
30
28.25
Мост
32
28.25+ТВ172
Мост
33
51D160AD4NT4C0LNL4ACA040AAF300B3
Гидромотор
33
51D160AD4NTNF8LNJ2ACA066AAF300BB
Гидромотор
34
1560-2203010-20
Вал карданный
35
ДЧХ-8М-5
Преобразователь частоты
Содержащиеся в справочниках-каталогах запасные части и детали не предлагаются к продаже, а носят исключительно информационный характер
Дополнительная информация
×
Название:
Номер:
Примечание: