Каталог запасных частей к технике: Амкодор-320СЕ. 320С.38.00.000 Электросистема кабины
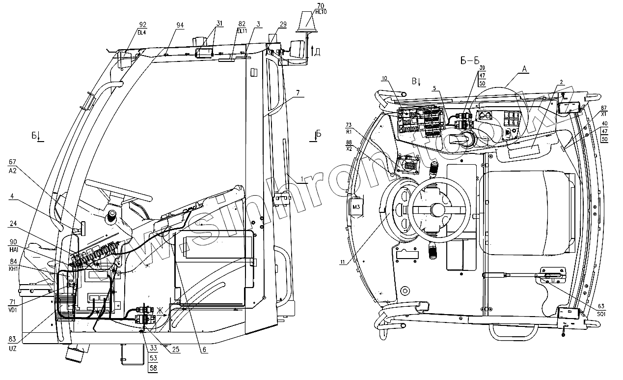
1
1
1
1
1
1
1
2
3
3
3
3
3
4
5
6
7
10
11
24
25
29
31
33
39
40
47
47
50
50
53
58
63
67
70
71
73
82
83
84
87
88
90
92
| Позиция на иллюстрации | Заводской номер детали | Название детали | |
|---|---|---|---|
| 1 | 502601 | Колодка штыревая 502601 | |
| 1 | 320.38.00.500 | Антенна | |
| 1 | 305TB-40,4 | Трубка | |
| 1 | 5337-3724121 | Изолятор штекерного наконечника | |
| 1 | 103612 | Штырь | |
| 1 | 102612 | Штырь 102612 | |
| 1 | СкатAB-19 | Антенна автомобильная активная | |
| 2 | 320.38.00.520 | Магнитола | |
| 3 | 320.38.00.560 | Система акустическая | |
| 3 | 502604 | колодка штыревая 502604 | |
| 3 | 103612 | Штырь | |
| 3 | UralAS-U1301 | Система аккустическая | |
| 3 | 305TB-40,4 | Трубка | |
| 4 | 320E.38.00.070 | Кронштейн | |
| 5 | 320C.38.00.100 | Жгут 1 | |
| 6 | 320C.38.00.200 | Жгут 2 | |
| 7 | 320C.38.00.300 | Жгут 3 | |
| 10 | 320C.38.01.000 | Блок коммутации | |
| 11 | 320C.38.02.000 | Электросистема рулевой колонки | |
| 18 | 320.38.00.006 | Пластина | |
| 19 | 320C.38.00.001 | Кронштейн | |
| 22 | 320CE.38.00.001 | Панель | |
| 24 | 320CE.38.00.003 | Табличка | |
| 25 | 320CE.38.00.004 | Кронштейн | |
| 29 | У22-2.37-50.002 | Втулка | |
| 30 | У22-2.37-50.002-01 | Втулка | |
| 31 | У22-2.37-50.002-02 | Втулка | |
| 32 | У22-2.37-50.002-03 | Втулка | |
| 33 | M8-6gx16.88.35.0115 | Болт | |
| 34 | M6-6gx16.88.35.0115 | Болт | |
| 35 | M6-6gx20.88.35.0115 | Болт | |
| 39 | B.M3-6gx12.46.0115 | Винт | |
| 40 | B.M3-6gx25.46.0115 | Винт | |
| 41 | B.M6-6gx25.46.0115 | Винт | |
| 47 | M3-6H.8.35.0115 | Гайка | |
| 48 | M6-6H.8.35.0115 | Гайка | |
| 50 | 3.65Г.0115 | Шайба | |
| 52 | 6.65Г.0115 | Шайба | |
| 53 | 8.65Г.0115 | Шайба | |
| 57 | С.6.02.Ст3.0115 | Шайба | |
| 58 | С.8.02.Ст3.0115 | Шайба | |
| 61 | EMR204214215B | Блок управления | |
| 63 | BK409 | Выключатель | |
| 64 | BK12-1-01 | Выключатель | |
| 65 | 3037-02.97 | Выключатель | |
| 66 | 7556 | Гайка закладная | |
| 67 | DP250 | Дисплей | |
| 68 | КИПД101В12-К | Индикатор символьный | |
| 70 | МС-2-24-0 | Маяк сигнальный | |
| 71 | МД4-5 | Модуль диодный | |
| 73 | KEPA14161 | Педаль KEPA | |
| 74 | 0974-01.02 | Переключатель | |
| 75 | 0974-01.04 | Переключатель клавишный | |
| 76 | 0974-03.43 | Переключатель клавишный | |
| 77 | 0974-03.3 | Переключатель | |
| 78 | 82.3709-21.16 | Переключатель клавишный | |
| 82 | САС5 | Светильник светодиодный | |
| 83 | ПН24/12-01 | Преобразователь напряжения | |
| 84 | ПЭУП-4 | Прерыватель указателей поворота | |
| 86 | 87.3710-01 | Регулятор освещения приборов | |
| 87 | РНЦ10-002УХЛ2 | Розетка | |
| 88 | 3106.3715 | Розетка | |
| 89 | SEL.3.223200x4,5 | Кабельная стяжка | |
| 90 | СА-1 | Сигнализатор аварийный | |
| 92 | 05.476.000 | Фара рабочая | |
| 93 | WF-4216 | Винт самонарезной |
Содержащиеся в справочниках-каталогах запасные части и детали не предлагаются к продаже, а носят исключительно информационный характер